欢迎来到知嘟嘟! 联系电话:13336804447 卖家免费入驻,海量在线求购! 卖家免费入驻,海量在线求购!
知嘟嘟
我要发布
联系电话:13336804447
知嘟嘟经纪人
收藏
专利号: 2020223261702
申请人: 苏州冬旭海模塑科技有限公司
专利类型:实用新型
专利状态:已下证
专利领域: 塑料的加工;一般处于塑性状态物质的加工
更新日期:2024-02-23
缴费截止日期: 暂无
价格&联系人
年费信息
委托购买

摘要:

权利要求书:

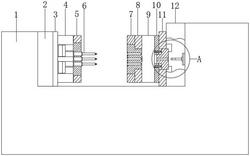
1.一种防磨耐损的医疗耗材加工模具,其特征在于:包括机体(1),所述机体(1)内腔左壁滑动连接有移动模座(2),所述移动模座(2)右侧表面固定连接有动底板(3),所述动底板(3)右侧表面固定连接有动垫板(4),所述动垫板(4)右侧表面固定连接有动模板(5),所述动模板(5)内壁中固定连接有芯杆镶块(15),所述芯杆镶块(15)内壁中固定连接有芯杆(6),所述机体(1)内腔右壁固定连接有定工作台(12),所述定工作台(12)左表面固定连接有定底板(11),所述定底板(11)内壁滑动连接有活动浇口(21),所述定底板(11)左侧表面固定连接有固定板(10),所述固定板(10)左侧表面固定连接有定垫板(9),所述定垫板(9)左侧表面固定连接有定夹板(8),所述定夹板(8)左侧表面固定连接有定模板(7),所述定模板(7)内壁固定连接有型腔镶块(25),所述机体(1)内腔右侧中心滑动连接有注塑机喷嘴(24)。

2.根据权利要求1所述的一种防磨耐损的医疗耗材加工模具,其特征在于:所述芯杆镶块(15)内壁中心开设有第一通孔(17),所述芯杆镶块(15)在第一通孔(17)一侧表面开设有环槽(16),所述芯杆(6)通过环槽(16)与第一通孔(17)固定在芯杆镶块(15)上。

3.根据权利要求1所述的一种防磨耐损的医疗耗材加工模具,其特征在于:所述动模板(5)内壁中心开设有第四方孔(20),所述芯杆镶块(15)通过第四方孔(20)固定连接在动模板(5)上。

4.根据权利要求1所述的一种防磨耐损的医疗耗材加工模具,其特征在于:所述定模板(7)内壁中心开设有第二方孔(14),所述定夹板(8)内壁中心开设有第一方孔(13),所述型腔镶块(25)内壁中心设有型腔孔(27),所述型腔镶块(25)外壁设有第一台阶(26),所述型腔镶块(25)通过第一台阶(26)固定连接在定模板(7)、定夹板(8)上。

5.根据权利要求1所述的一种防磨耐损的医疗耗材加工模具,其特征在于:所述固定板(10)内壁中心开设有第三方孔(19),所述固定板(10)上第三方孔(19)外缘开设有第二通孔(18),所述第二通孔(18)中设有弹簧(22)。

6.根据权利要求1所述的一种防磨耐损的医疗耗材加工模具,其特征在于:所述定底板(11)的左侧表面固定连接有限位块(23),所述定底板(11)内壁中心设有第五方孔(30),所述活动浇口(21)外壁设有第二台阶(29),所述活动浇口(21)内壁中心设有流道孔(28),所述活动浇口(21)通过第二台阶(29)与定底板(11)、固定板(10)滑动连接。