欢迎来到知嘟嘟! 联系电话:13336804447 卖家免费入驻,海量在线求购! 卖家免费入驻,海量在线求购!
知嘟嘟
我要发布
联系电话:13336804447
知嘟嘟经纪人
收藏
专利号: 2020209809116
申请人: 苏州浦瑞环境科技有限公司
专利类型:实用新型
专利状态:已下证
专利领域: 水、废水、污水或污泥的处理
更新日期:2025-03-05
缴费截止日期: 暂无
价格&联系人
年费信息
委托购买

摘要:

权利要求书:

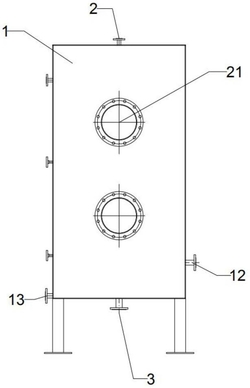
1.一种臭氧催化塔,其特征在于:包括塔身,所述塔身的顶部设置有排气管,所述塔身的底部设置有排水管,所述塔身的内部从上到下依次设置有除沫层、第一进水管、第一布水装置、第一填料层、第一循环水管、集水盘、第二填料层、第二循环水管、出水管和第二进水管,所述第一进水管、第一循环水管、第二循环水管、出水管和第二进水管均与塔身的侧壁连通;所述第一布水装置与第一进水管相连,所述集水盘的底部设置有出水孔,所述出水孔处连接有第二布水装置,所述第二布水装置包括交叉连接成十字形的布水管,所述布水管上设置有布水孔;所述塔身的底部设置有溶气水区,所述溶气水区的上表面低于出水管。

2.根据权利要求1所述的臭氧催化塔,其特征在于:所述第一填料层和第二填料层的两侧均设置有支撑板,所述支撑板上均匀设置有若干直径为20mm的通孔。

3.根据权利要求1所述的臭氧催化塔,其特征在于:所述塔身的侧面设置有用于观察第一填料层和第二填料层状况的检查口。

4.根据权利要求1所述的臭氧催化塔,其特征在于:所述集水盘的上端为圆形,底部收拢为方形。

5.根据权利要求1所述的臭氧催化塔,其特征在于:所述除沫层由鲍尔环构成。

6.根据权利要求1所述的臭氧催化塔,其特征在于:所述第一填料层和第二填料层为氧化铝基臭氧催化剂或陶基臭氧催化剂。