欢迎来到知嘟嘟! 联系电话:13336804447 卖家免费入驻,海量在线求购! 卖家免费入驻,海量在线求购!
知嘟嘟
我要发布
联系电话:13336804447
知嘟嘟经纪人
收藏
专利号: 2020206952606
申请人: 乐清市一锦电子有限公司
专利类型:实用新型
专利状态:已下证
专利领域: 发电、变电或配电
更新日期:2023-08-24
缴费截止日期: 暂无
价格&联系人
年费信息
委托购买

摘要:

权利要求书:

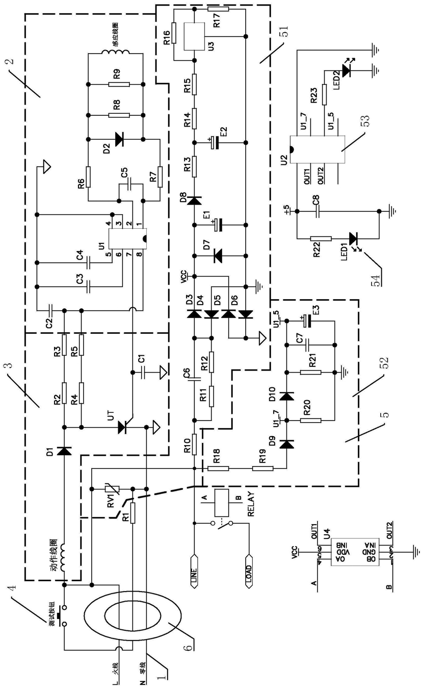
1.一种带漏电保护的自恢复式过欠压保护电路,包括有主线输入端,其特征在于:还包括有漏电信号处理部分、漏电动作保护部分、漏电定期手动测试部分、互感器以及过欠压处理模块,所述主线输入端穿过互感器且分别与漏电定期手动测试部分、过欠压处理模块相连,所述漏电定期手动测试部分与漏电动作保护部分相连,所述漏电动作保护部分与漏电信号处理部分相连;所述主线输入端的电流差值经漏电信号处理部分进行处理在达到漏电保护要求后,控制漏电动作保护部分进行切断电源的保护动作;所述过欠压处理模块包括有过欠压电源处理部分、过欠压信号处理部分、模数A/D转换和电压信号处理部分、继电器控制部分以及指示部分,所述过欠压电源处理部分连接主线输入端。

2.根据权利要求1所述的带漏电保护的自恢复式过欠压保护电路,其特征在于:所述漏电定期手动测试部分包括有测试按钮开关以及电阻R1,所述测试按钮开关的一端连接穿过互感器的主线输入端火线,另一端穿过互感器并连接电阻R1,电阻R1另一端与穿过互感器的主线输入端零线相连。

3.根据权利要求2所述的带漏电保护的自恢复式过欠压保护电路,其特征在于:所述漏电动作保护部分包括有动作线圈、二极管D1、可控硅UT、电容C1、电阻R2、电阻R3、电阻R4、电阻R5,其中动作线圈一端接到测试按钮与主线输入端火线的公共端上,另一端接到二极管D1的阳极上,二极管D1的阴极接到可控硅UT的阳极,可控硅UT的阴极接数字地,可控硅UT的控制极连接电容C1的一端,电容C1的另一端接数字地,电阻R2的一端与二极管D1和可控硅UT的公共端连接,另一端连接电阻R3,电阻R4的一端与二极管D1和可控硅UT的公共端连接,另一端连接电阻R5。

4.根据权利要求3所述的带漏电保护的自恢复式过欠压保护电路,其特征在于:所述漏电信号处理部分包括有芯片U1、电容C2、电容C3、电容C4、感应线圈、电阻R8、电阻R9、二极管D2、电阻R6、电阻R7以及电容C5,其中电容C2、电容C3、电容C4分别接到芯片U1的八脚、六脚、五脚且上述三者电容均连接至数字地,芯片U1的三脚、四脚连接至电容C4和数字地的公共端上,电阻R3、电阻R5分别连接至电容C2和芯片U1的八脚的公共端上,芯片U1的七脚连接至电容C1与可控硅UT的公共端上,芯片U1的一脚和二脚连接至电容C5的两端,电容C5和芯片U1的一脚之间的公共端连接电阻R7的一端,电阻R7的另一端连接二极管D2的阴极,电容C5和芯片U1的二脚之间的公共端连接电阻R6的一端,电阻R6的另一端连接二极管D2的阳极,感应线圈、电阻R8、电阻R9分别并联在电阻R7和二极管D2之间与电阻R7和二极管D2之间的公共端上。

5.根据权利要求1或4所述的带漏电保护的自恢复式过欠压保护电路,其特征在于:所述过欠压电源处理部分按顺序连接包括有一次防浪涌保护单元、阻容降压电路单元、全波整流单元、二次防浪涌保护单元以及电源稳压处理单元,所述一次防浪涌保护单元与主线输入端连接,所述过欠压信号处理部分连接于一次防浪涌保护单元上。