欢迎来到知嘟嘟! 联系电话:13336804447 卖家免费入驻,海量在线求购! 卖家免费入驻,海量在线求购!
知嘟嘟
我要发布
联系电话:13336804447
知嘟嘟经纪人
收藏
专利号: 2020114451670
申请人: 浙江广厦建设职业技术大学
专利类型:发明专利
专利状态:已下证
专利领域: 建筑物
更新日期:2025-09-29
缴费截止日期: 暂无
价格&联系人
年费信息
委托购买

摘要:

权利要求书:

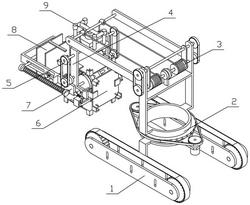
1.一种建筑外墙保温板铺设装置,包括移动机构(1)、转动机构(2)、收放机构(3)、铺设支架(4)、动力机构(5)、换料机构(6)、推料机构(7)、上料机构(8)和喷涂机构(9),其特征在于:所述移动机构(1)上连接有转动机构(2),转动机构(2)上连接有收放机构(3),收放机构(3)上固定连接有铺设支架(4),铺设支架(4)上固定连接有动力机构(5),铺设支架(4)上转动连接有换料机构(6),换料机构(6)和动力机构(5)传动连接,推料机构(7)设置有两个,两个推料机构(7)均滑动连接在铺设支架(4)上,上料机构(8)滑动连接在铺设支架(4)上,上料机构(8)和铺设支架(4)之间固定连接有压缩弹簧Ⅰ,上料机构(8)和推料机构(7)之间固定连接有压缩弹簧Ⅱ,铺设支架(4)上固定连接有喷涂机构(9)。

2.根据权利要求1所述的一种建筑外墙保温板铺设装置,其特征在于:所述移动机构(1)包括履带机构(101)和安装转环(102),履带机构(101)设置有两个,两个履带机构(101)之间固定连接有安装转环(102)。

3.根据权利要求2所述的一种建筑外墙保温板铺设装置,其特征在于:所述转动机构(2)包括转动带轮(201)、转动电机(202)、转动支架(203)和限位环(204),转动带轮(201)转动连接在安装转环(102)上,转动电机(202)固定连接在安装转环(102)上,转动带轮(201)和转动电机(202)的输出轴传动连接,转动带轮(201)上固定连接有转动支架(203),转动支架(203)上固定连接有两个限位环(204)。

4.根据权利要求3所述的一种建筑外墙保温板铺设装置,其特征在于:所述收放机构(3)包括收放电机(301)、收放卷筒(302)、挤压螺纹杆(303)、挤压推板(304)和钢丝绳(305),收放电机(301)固定连接在转动支架(203)上,收放电机(301)输出轴的两端均固定连接有连接键,两个连接键上均滑动连接有收放卷筒(302),两个收放卷筒(302)上均收卷有钢丝绳(305),挤压螺纹杆(303)转动连接在转动支架(203)上,挤压螺纹杆(303)和收放电机(301)的输出轴传动连接,挤压螺纹杆(303)的两端均通过螺纹连接有挤压推板(304),挤压螺纹杆(303)两端的螺旋旋向相反,两个挤压推板(304)的下端分别转动连接在两个收放卷筒(302)上,两个钢丝绳(305)分别穿过两个限位环(204),挤压螺纹杆(303)的螺距和收放卷筒(302)上收卷钢丝绳(305)的绳距相等。

5.根据权利要求4所述的一种建筑外墙保温板铺设装置,其特征在于:所述铺设支架(4)包括铺设框架(401)、滑动轨道(402)、安装支架(403)、倾斜推板(404)和滑动筒(405),铺设框架(401)下端的左右两侧均固定连接有滑动轨道(402),铺设框架(401)的后侧固定连接有安装支架(403),铺设框架(401)的左右两侧均固定连接有倾斜推板(404),两个钢丝绳(305)均固定连接在铺设框架(401)上,安装支架(403)的左右两侧均滑动连接有滑动筒(405)。

6.根据权利要求5所述的一种建筑外墙保温板铺设装置,其特征在于:所述动力机构(5)包括动力电机(501)、动力轴(502)、缺齿齿轮Ⅰ(503)和缺齿齿轮Ⅱ(504),动力电机(501)固定连接在铺设框架(401)上,动力轴(502)设置有两个,两个动力轴(502)均转动连接在铺设框架(401)上,两个动力轴(502)均和动力电机(501)的输出轴传动连接,两个动力轴(502)上均固定连接有缺齿齿轮Ⅰ(503)和缺齿齿轮Ⅱ(504),缺齿齿轮Ⅰ(503)和缺齿齿轮Ⅱ(504)上均设置有半圈齿,缺齿齿轮Ⅰ(503)和缺齿齿轮Ⅱ(504)错位设置。

7.根据权利要求6所述的一种建筑外墙保温板铺设装置,其特征在于:所述换料机构(6)包括换料轴(601)、换料齿轮(602)、换料盘(603)、插钉(604)、侧限位板Ⅰ(605)、粘贴推板(606)和粘贴推柱(607),换料轴(601)转动连接在铺设框架(401)上,换料轴(601)上固定连接有两个换料齿轮(602),两个换料齿轮(602)分别和两个缺齿齿轮Ⅰ(503)啮合传动,缺齿齿轮Ⅰ(503)分度圆直径是换料齿轮(602)分度圆直径的二分之一,换料轴(601)上固定连接有四个换料盘(603),每个换料盘(603)上均固定连接有多个插钉(604),每个换料盘(603)上均固定连接有四个侧限位板Ⅰ(605),每个换料盘(603)的左右两侧均滑动连接有粘贴推板(606),粘贴推板(606)和换料盘(603)之间固定连接有压缩弹簧Ⅲ,每个粘贴推板(606)上均固定连接有粘贴推柱(607)。

8.根据权利要求7所述的一种建筑外墙保温板铺设装置,其特征在于:所述推料机构(7)包括推料齿条(701)和推料拨叉(702),推料齿条(701)上滑动连接有推料拨叉(702),推料拨叉(702)上固定连接有压缩弹簧Ⅳ,两个滑动轨道(402)上均滑动连接有推料齿条(701),两个缺齿齿轮Ⅱ(504)分别和两个推料齿条(701)啮合传动。

9.根据权利要求8所述的一种建筑外墙保温板铺设装置,其特征在于:所述上料机构(8)包括上料支架(801)、限位侧板Ⅱ(802)、上料底板(803)、阻挡插柱(804)和倾斜推柱(805),上料支架(801)滑动连接在安装支架(403)上,上料支架(801)和安装支架(403)之间固定连接有压缩弹簧Ⅰ,上料支架(801)上固定连接有四个限位侧板Ⅱ(802),上料支架(801)上滑动连接有上料底板(803),上料底板(803)和上料支架(801)之间固定连接有压缩弹簧Ⅴ,位于左右两侧的限位侧板Ⅱ(802)上均滑动连接有阻挡插柱(804),两个阻挡插柱(804)上均固定连接有倾斜推柱(805),两个阻挡插柱(804)分别滑动连接在两个滑动筒(405)上,滑动筒(405)和阻挡插柱(804)之间固定连接有压缩弹簧Ⅵ,上料支架(801)和两个推料齿条(701)之间均固定连接有压缩弹簧Ⅱ。

10.根据权利要求9所述的一种建筑外墙保温板铺设装置,其特征在于:所述喷涂机构(9)包括喷涂箱(901)、喷涂泵(902)和喷涂管道(903),喷涂箱(901)固定连接在铺设框架(401)上,喷涂泵(902)固定连接在喷涂箱(901)上,喷涂管道(903)设置有多个,多个喷涂管道(903)均和喷涂箱(901)连通,多个喷涂管道(903)均和喷涂泵(902)连接。