欢迎来到知嘟嘟! 联系电话:13336804447 卖家免费入驻,海量在线求购! 卖家免费入驻,海量在线求购!
知嘟嘟
我要发布
联系电话:13336804447
知嘟嘟经纪人
收藏
专利号: 2020112989710
申请人: 黄国春
专利类型:发明专利
专利状态:已下证
专利领域: 木材或类似材料的加工或保存;一般钉钉机或钉U形钉机
更新日期:2025-12-19
缴费截止日期: 暂无
价格&联系人
年费信息
委托购买

摘要:

权利要求书:

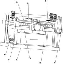
1.一种方形木棒切割成圆装置,其特征在于,包括有:底座(1)和支撑柱(2),底座(1)顶部一侧设有支撑柱(2);

第一台架(3),底座(1)上均对称设有第一台架(3);

固定机构(4),第一台架(3)上设有固定机构(4);

切割机构(5),第一台架(3)上设有切割机构(5)。

2.按照权利要求1所述的一种方形木棒切割成圆装置,其特征在于,固定机构(4)包括有:

第二台架(41),第一台架(3)上设有第二台架(41);

第一固定柱(42),第二台架(41)上对称设有第一固定柱(42);

滑轨(43),第二台架(41)上设有滑轨(43),滑轨(43)两侧与第一固定柱(42)内壁连接;

放物板(44),两个第二台架(41)之间设有放物板(44);

第一滑块(45),滑轨(43)上滑动式设有第一滑块(45);

第二固定柱(46),第一滑块(45)上设有第二固定柱(46)。

3.按照权利要求2所述的一种方形木棒切割成圆装置,其特征在于,切割机构(5)包括有:

第三固定柱(51),两个第二固定柱(46)上设有第三固定柱(51);

第一滑动柱(52),第三固定柱(51)上对称设有第一滑动柱(52);

第一弹簧(53),第一滑动柱(52)上套有第一弹簧(53),第一弹簧(53)下部与的第三固定柱(51)上部连接;

刀片(54),第一滑动柱(52)下部设有刀片(54)。

4.按照权利要求3所述的一种方形木棒切割成圆装置,其特征在于,还包括有往复机构(6),往复机构(6)包括有:电机(61),底座(1)上一侧设有电机(61);

第四固定柱(63),底座(1)上对称设有的第四固定柱(63);

第一转动轴(64),第四固定柱(63)上转动式设有第一转动轴(64);

第一传动组件(62),电机(61)输出轴与第一转动轴(64)之间设有第一传动组件(62);

第一齿轮(65),第一转动轴(64)两侧设有第一齿轮(65);

齿条(66),第一固定柱(42)上设有齿条(66),第一齿轮(65)与齿条(66)啮合,第三固定柱(51)与齿条(66)连接;

触碰开关(67),第一固定柱(42)一侧对称设有触碰开关(67),齿条(66)位于触碰开关(67)之间;

触碰杆(68),齿条(66)上对称设有触碰杆(68)。

5.按照权利要求4所述的一种方形木棒切割成圆装置,其特征在于,还包括有自动旋转机构(7),自动旋转机构(7)包括有:第五固定柱(71),底座(1)上一侧设有第五固定柱(71);

第六固定柱(72),第五固定柱(71)上设有第六固定柱(72),第六固定柱(72)一侧与第一固定柱(42)另一侧连接;

第二转动轴(73),第五固定柱(71)上转动式设有第二转动轴(73);

第二齿轮(74),第二转动轴(73)一侧设有第二齿轮(74);

第七固定柱(77),第一台架(3)上设有第七固定柱(77);

第八固定柱(78),第一台架(3)上设有第八固定柱(78);

锥齿轮组(76),第七固定柱(77)与第八固定柱(78)上转动式连接有锥齿轮组(76);

第二传动组件(75),锥齿轮组(76)一侧与第二转动轴(73)之间设有第二传动组件(75);

第九固定柱(710),第二台架(41)一侧设有第九固定柱(710);

旋转柱(713),第九固定柱(710)上转动式设有旋转柱(713);

固定架(711),旋转柱(713)一侧设有固定架(711);

固定螺丝(712),固定架(711)上侧转动式设有固定螺丝(712);

第三传动组件(79),锥齿轮组(76)一侧与第九固定柱(710)之间设有第三传动组件(79)。

6.按照权利要求5所述的一种方形木棒切割成圆装置,其特征在于,还包括有自动夹紧机构(8),自动夹紧机构(8)包括有:第二弹簧(81),第二滑动柱(82)上套有第二弹簧(81),第二弹簧(81)两端分别与第一固定柱(42)内侧和第一滑块(45)内侧连接;

第二滑动柱(82),第一固定柱(42)上对称滑动式设有第二滑动柱(82);

固定端(83),第二滑动柱(82)外侧设有固定端(83)。

7.按照权利要求6所述的一种方形木棒切割成圆装置,其特征在于,还包括有废料收集机构(9),废料收集机构(9)包括有:第二滑块(91),底座(1)上设有第二滑块(91);

收集盒(92),第二滑块(91)上设有收集盒(92);

把手(93),收集盒(92)一侧外部设有把手(93),收集盒(92)位于支撑柱(2)一侧。

8.按照权利要求7所述的一种方形木棒切割成圆装置,其特征在于,收集盒(92)呈方形,内部是空的,便于收集切割木棒时的木屑。