欢迎来到知嘟嘟! 联系电话:13336804447 卖家免费入驻,海量在线求购! 卖家免费入驻,海量在线求购!
知嘟嘟
我要发布
联系电话:13336804447
知嘟嘟经纪人
收藏
专利号: 2020111927308
申请人: 湖州职业技术学院
专利类型:发明专利
专利状态:已下证
专利领域: 工程元件或部件;为产生和保持机器或设备的有效运行的一般措施;一般绝热
更新日期:2023-08-24
缴费截止日期: 暂无
价格&联系人
年费信息
委托购买

摘要:

权利要求书:

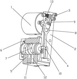
1.一种大流量比例节流阀,包括连接板,所述的连接板上设置有旋转电磁铁和阀体,所述的阀体内转动连接有阀芯,其特征在于,还包括与旋转电磁铁的输出轴连接的上拨杆和与阀芯连接并用于带动阀芯转动的下拨叉,所述的下拨叉的下端通过传动轴与阀芯连接,所述的阀体上设置有进油口与出油口,所述的阀芯的两侧分别对应进油口与出油口对称设置有螺旋沟槽,所述的螺旋沟槽内设置有多个通孔,所述的阀芯内设置有导流通道,所述的通孔与导流通道连通,所述的连接板上设置有安装基座,所述的安装基座上设置有定位杆,所述的上拨杆的上端转动连接在定位杆上,所述的定位杆上设置有用于带动上拨杆复位的复位弹簧,所述的上拨杆的下端设置有圆弧块,所述的下拨叉的上端设置有与圆弧块相配合且呈U型的叉头,所述的下拨叉的下端通过传动轴与阀芯连接。

2.根据权利要求1所述的一种大流量比例节流阀,其特征在于,所述的定位杆的远离安装基座的一端设置有限位块,所述的定位杆上滑动连接有压环,所述的复位弹簧设置在压环与限位块之间,所述的压环抵在上拨杆上。

3.根据权利要求1所述的一种大流量比例节流阀,其特征在于,所述的阀体的远离连接板的一端设置有与阀芯相配合的阀盖。

4.根据权利要求1或2或3所述的一种大流量比例节流阀,其特征在于,所述的阀芯上设置有与阀体相配合的密封圈。

5.根据权利要求4所述的一种大流量比例节流阀,其特征在于,所述的密封圈的数量为

3个,其中一个密封圈设置在两个螺旋沟槽的中间位置上,剩余两个密封圈分别设置在阀芯的远离螺旋沟槽的两侧。

6.根据权利要求1或2或3所述的一种大流量比例节流阀,其特征在于,所述的传动轴上设置有与连接板相配合的轴承。

7.根据权利要求1或2或3所述的一种大流量比例节流阀,其特征在于,所述的下拨叉的长度大于上拨杆的长度。

8.根据权利要求1或2或3所述的一种大流量比例节流阀,其特征在于,所述的叉头的两端对应圆弧块均设置有滚动润滑装置,所述的滚动润滑装置均包括设置在叉头的内侧壁上的容纳槽,所述的容纳槽内设置有滚珠,所述的叉头内部对应容纳槽设置有填充有润滑油的储油腔,所述的储油腔与容纳槽的底部之间连通设置有导油通道,所述的储油腔内靠近导油通道的接口处对应设置有封油板,所述的封油板的一侧与滚珠之间设置有出油弹簧,所述的封油板的另一侧与储油腔的侧壁之间设置有封油弹簧。

我要求购
我不想找了,帮我找吧
您有专利需要变现?
我要出售
智能匹配需求,快速出售