欢迎来到知嘟嘟! 联系电话:13336804447 卖家免费入驻,海量在线求购! 卖家免费入驻,海量在线求购!
知嘟嘟
我要发布
联系电话:13336804447
知嘟嘟经纪人
收藏
专利号: 2020111531029
申请人: 中国矿业大学
专利类型:发明专利
专利状态:已下证
专利领域: 发电、变电或配电
更新日期:2024-01-05
缴费截止日期: 暂无
价格&联系人
年费信息
委托购买

摘要:

权利要求书:

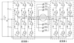
1.一种双三电平逆变器拓扑的开绕组电机的桥臂故障容错方法,包括逆变器1和逆变器2,逆变器1中包括A1桥臂、B1桥臂、C1桥臂,逆变器2中包括A2桥臂、B2桥臂、C2桥臂;其特征在于:在逆变器1的A1桥臂、B1桥臂、C1桥臂与逆变器2中A2桥臂、B2桥臂、C2桥臂之间设有双向晶闸管TR1、双向晶闸管TR2、双向晶闸管TR3、双向晶闸管TR4、双向晶闸管TR5和双向晶闸管TR6,其中双向晶闸管TR1的主电极1与A1桥臂绕组侧连接、主电极2与B2桥臂绕组侧连接;双向晶闸管TR2的主电极1与B1桥臂绕组侧连接、主电极2与C2桥臂绕组侧连接;双向晶闸管TR3的主电极1与C1桥臂绕组侧连接、主电极2与A2桥臂绕组侧连接;双向晶闸管TR4的主电极1与A1桥臂绕组侧连接、主电极2与C2桥臂绕组侧连接;双向晶闸管TR5的主电极1与B1桥臂绕组侧连接、主电极2与A2桥臂绕组侧连接;双向晶闸管TR6的主电极1与C1桥臂绕组侧连接、主电极2与B2桥臂绕组侧连接;当逆变器1和逆变器2无故障发生时所有双向晶闸管均处于断开状态,当逆变器1和逆变器2出现故障时通过开启对应的双向晶闸管实现容错工作;

针对单桥臂故障、两桥臂故障分别有不同的容错步骤,其中单桥臂故障一共有6种情况,分别是:A1桥臂故障,B1桥臂故障,C1桥臂故障,A2桥臂故障,B2桥臂故障,C2桥臂故障;

两桥臂故障一共有15种情况,分别是:A1桥臂和B1桥臂故障,A1桥臂和C1桥臂故障,A1桥臂和A2桥臂故障,A1桥臂和B2桥臂故障,A1和桥臂C2桥臂故障,B1桥臂和C1桥臂故障,B1桥臂和A2桥臂故障,B1桥臂和B2桥臂故障,B1桥臂和C2桥臂故障,C1桥臂和A2桥臂故障,C1桥臂和B2桥臂故障,C1桥臂和C2桥臂故障,A2桥臂和B2桥臂故障,A2桥臂和C2桥臂故障,B2桥臂和C2桥臂故障;

针对上述的6种单桥臂故障,通过调制策略选取A1桥臂和B2桥臂开关状态相同,B1桥臂和C2桥臂开关状态相同,C1桥臂和A2桥臂开关状态相同的特殊电压矢量,此时A1桥臂和B2桥臂互为冗余桥臂,B1桥臂和C2桥臂互为冗余桥臂,C1桥臂和A2桥臂互为冗余桥臂;当A1桥臂故障时,封锁A1桥臂开关管的脉冲,同时打开双向晶闸管TR1,由于A1桥臂和B2桥臂互为冗余桥臂,所以利用B2桥臂代替A1桥臂工作,其它故障以此类推;

针对以上15种两桥臂故障,共分为两种情况:两桥臂故障第一种情况是:当A1桥臂和B1桥臂故障,A1桥臂和C1桥臂故障,A1桥臂和A2桥臂故障,A1桥臂和C2桥臂故障,B1桥臂和C1桥臂故障,B1桥臂和A2桥臂故障,B1桥臂和B2桥臂故障,C1桥臂和B2桥臂故障,C1桥臂和C2桥臂故障,A2桥臂和B2桥臂故障,A2桥臂和C2桥臂故障,B2桥臂和C2桥臂故障时,共12种两桥臂故障,利用正三角形接法实现两桥臂故障容错,从而等效为两个单桥臂故障;当A1桥臂和B1桥臂故障时,封锁A1桥臂和B1桥臂开关管的脉冲,同时打开双向晶闸管TR1和TR2;其它故障以此类推,从而实现两桥臂故障容错控制;

两桥臂故障第二种情况是:当A1桥臂和B2桥臂故障、或B1桥臂和C2桥臂故障、或C1桥臂和A2桥臂故障时,共3种两桥臂故障,具体为:通过调制算法选取A1桥臂和C2桥臂开关状态相同,B1桥臂和A2桥臂开关状态相同,C1桥臂和B2桥臂开关状态相同的特殊电压矢量;在特殊电压矢量状态下,A1桥臂和C2桥臂互为冗余桥臂,B1桥臂和A2桥臂互为冗余桥臂,C1桥臂和B2桥臂互为冗余桥臂;当A1桥臂和B2桥臂故障时,封锁A1桥臂和B2桥臂开关管的脉冲,同时打开双向晶闸管TR4和TR6;其它故障以此类推,实现两桥臂故障容错控制。

2.根据权利要求1所述的双三电平逆变器拓扑的开绕组电机桥臂故障的容错方法,其特征在于:单桥臂故障时,当A2桥臂故障时:通过双向晶闸管TR3将A2桥臂侧切换到C1桥臂侧,由于A2桥臂和C1桥臂互为冗余桥臂,所以开关状态相同,在切换到C1桥臂后,电机正常运行,故障前后功率保持一致;A1桥臂或B2桥臂故障时,通过双向晶闸管TR1实现容错控制,B1桥臂或C2桥臂故障时,通过双向晶闸管TR2实现容错控制,C1桥臂或A2桥臂故障时,通过双向晶闸管TR3实现容错控制,其它情况以此类推。

3.根据权利要求1所述的双三电平逆变器拓扑的开绕组电机桥臂故障的容错方法,其特征在于:两桥臂故障时,第一种情况是当A1桥臂和B1桥臂故障,A1桥臂和C1桥臂故障,A1桥臂和A2桥臂故障,A1桥臂和C2桥臂故障,B1桥臂和C1桥臂故障,B1桥臂和A2桥臂故障,B1桥臂和B2桥臂故障,C1桥臂和B2桥臂故障,C1桥臂和C2桥臂故障,A2桥臂和B2桥臂故障,A2桥臂和C2桥臂故障,B2桥臂和C2桥臂故障时,A1桥臂和B2桥臂互为冗余桥臂,B1桥臂和C2桥臂互为冗余桥臂,C1桥臂和A2桥臂互为冗余桥臂;当A1桥臂和C2桥臂故障时,使用两个双向晶闸管TR1和双向晶闸管TR2分别将A1桥臂和C2桥臂分别连接至其冗余桥臂B2桥臂和B1桥臂,从而实现容错控制,此时,电流不流经故障桥臂A1桥臂和C2桥臂,会通过双向晶闸管TR1和TR2流过B2桥臂和B1桥臂,其它情况以此类推。

4.根据权利要求1所述的双三电平逆变器拓扑的开绕组电机桥臂故障的容错方法,其特征在于:两桥臂故障时,第二种情况是当A1桥臂和B2桥臂同时故障、或B1桥臂和C2桥臂同时故障、或C1桥臂和A2桥臂同时故障时,A1桥臂和C2桥臂互为冗余桥臂,B1桥臂和A2桥臂互为冗余桥臂,C1桥臂和B2桥臂互为冗余桥臂;当A1桥臂和B2桥臂时:可以用双向晶闸管TR1和TR2将A1桥臂和B2桥臂分别连接至其冗余桥臂C2桥臂和C1桥臂,此时电流不流过A1桥臂和B2桥臂,会通过双向晶闸管TR1和TR2流经C2桥臂和C1桥臂,其它情况以此类推。

5.根据权利要求1所述的双三电平逆变器拓扑的开绕组电机桥臂故障的容错方法,其特征在于:为实现桥臂故障容错使用的调制算法为:把参考矢量Uref分解为两个互差60°的分矢量,然后在逆变器1和逆变器2中分别控制,参考矢量Uref分解一共有两种方法,将Uref1分解到逆变器1,Uref2分解到逆变器2;

第1种分解方法:把参考矢量Uref分解为两个互差60°的分矢量Uref1和Uref2,其中Uref1超前Uref260°;

第2种分解方法,把参考矢量Uref分解为两个互差60°的分矢量Uref1和Uref2,其中Uref2超前Uref160°;

采用第1种分解方法,将参考矢量Uref分解成Uref1和Uref2到逆变器1和逆变器2中;Uref1经过分解得到基矢量U1和两电平矢量U'ref1;Uref2经过分解得到基矢量U2和两电平矢量U'ref2;

因此可知在第1种分解方法中,Uref1经过分解得到基矢量U1和两电平矢量U'ref1,其中U'ref1对应的A相、B相和C相分量为u'refa1、u'refb1、u'refc1;Uref2经过分解得到基矢量U2和两电平矢量U'ref2,其中U'ref2对应的A相、B相和C相分量u'refa2、u'refb2、u'refc2,Uref1与Uref2相位相差60°,U1与U2相位相差60°,得到利用式(2)和(3)所示的统一电压调制算法对U'ref1和U'ref2各自的A相、B相和C相分量计算,得到的各桥臂假想开通时间Tas1、Tbs1、Tcs1与Tas2、Tbs2、Tcs2如(4)所示定义Tmax1、Tmin1、Tmax2、Tmin2为联立式(4)和式(5)可得

所以

Teff1=Tmax1‑Tmin1=Tmax2‑Tmin2=Teff2T11=Tmax1‑Tmid1=Tmax2‑Tmid2=T12T21=Tmid1‑Tmin1=Tmid2‑Tmin2=T22      (7)最后,联立式(4)‑‑式(7)可知逆变器1和逆变器2中A相、B相和C相作用时间为Tga1=Tas1+T01‑Tmin1

=Tbs2+T02‑Tmin2

=Tgb2        (8)

同理

由上可知,逆变器1中的A相作用时间和逆变器2中的B相作用时间相同,逆变器1中的B相作用时间和逆变器2中的C相作用时间相同,逆变器1中的C相作用时间和逆变器2中的A相作用时间相同;从开关状态的角度来看,A1桥臂的开关状态和B2桥臂的开关状态相同,B1桥臂的开关状态和C2桥臂的开关状态相同,C1桥臂的开关状态和A2桥臂的开关状态相同;

第2种分解方法的分析和第1种分解方法类似;得到的结论是:逆变器1中的A相作用时间和逆变器2中的C相作用时间相同,逆变器1中的B相作用时间和逆变器2中的A相作用时间相同,逆变器1中的C相作用时间和逆变器2中的B相作用时间相同;从开关状态的角度来看,A1桥臂的开关状态和C2桥臂的开关状态相同,B1桥臂的开关状态和A2桥臂的开关状态相同,C1桥臂的开关状态和B2桥臂的开关状态相同。