欢迎来到知嘟嘟! 联系电话:13336804447 卖家免费入驻,海量在线求购! 卖家免费入驻,海量在线求购!
知嘟嘟
我要发布
联系电话:13336804447
知嘟嘟经纪人
收藏
专利号: 2020111351651
申请人: 浙江大学台州研究院
专利类型:发明专利
专利状态:已下证
专利领域: 将固体从固体中分离;分选
更新日期:2023-08-24
缴费截止日期: 暂无
价格&联系人
年费信息
委托购买

摘要:

权利要求书:

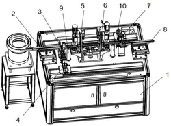
1.堵头螺丝的自动检测分选机,其特征在于,包括机架及分别安装于其上的堵头上料模块、内六角检测装置、第一移料伺服模组机械手、第一螺纹通规检测装置、第二螺纹通规检测装置、第二移料伺服模组机械手、下料推料装置,还包括内六角次品出料筒和螺纹次品出料筒;所述堵头上料模块用于堵头螺丝的自动上料,所述内六角检测装置用于检测所述堵头螺丝的内六角特征,所述第一移料伺服模组机械手用于将内六角特征检测合格的堵头螺丝运至所述第一螺纹通规检测装置或第二螺纹通规检测装置,并将内六角特征检测不合格的堵头螺丝运至所述内六角次品出料筒出料,所述第一螺纹通规检测装置和第二螺纹通规检测装置用于检测内六角特征合格的堵头螺丝的螺纹规格,所述第二移料伺服模组机械手用于将螺纹规格检测合格的堵头螺丝移至所述下料推料装置进行下料,并将螺纹规格检测不合格的堵头螺丝移至所述螺纹次品出料筒出料;所述内六角次品出料筒和螺纹次品出料筒均经所述机架的内部连通至出料口;

所述堵头上料模块包括振动盘、上料传感器、上料直线料槽、上料料槽盖板和上料直线振动器;堵头螺丝由所述振动盘上料至所述上料直线料槽,所述上料直线料槽上设有所述上料料槽盖板以防止堵头螺丝溢出,所述上料传感器检测到堵头螺丝后,所述上料直线振动器启动将堵头螺丝送至所述内六角检测装置;

所述内六角检测装置包括安装支柱架及分别安装于其上的分料气缸、分料片、工件传感器、备料台、光源和FA镜头;所述分料片安装在所述分料气缸的活动端,所述工件传感器检测到堵头螺丝到位后,所述分料气缸伸出,分料片推动并分离一个堵头螺丝至所述备料台的端部的对光孔处对准所述光源,由所述FA镜头拍照,对堵头螺丝的内六角侧特征进行视觉检测,判断堵头螺丝的内六角特征是否合格,然后由所述第一移料伺服模组机械手将次品移至所述内六角次品出料筒出料,将合格品移至所述第一螺纹通规检测装置或所述第二螺纹通规检测装置的工位处进行螺纹规格检测;将合格品交替运至第一螺纹通规检测装置和第二螺纹通规检测装置的工位处进行螺纹规格检测;

所述第一移料伺服模组机械手包括伺服丝杆模组、水平气缸、竖直气缸和气动夹爪;在所述伺服丝杆模组、水平气缸和竖直气缸的作用下,所述气动夹爪在三个方向上进行移动,到达指定工位夹持堵头螺丝,将经过所述内六角检测装置检测的合格品交替运至所述第一螺纹通规检测装置和第二螺纹通规检测装置,将次品运至所述内六角次品出料筒;

所述第一螺纹通规检测装置包括安装支架及分别安装于其上的感应片、升降气缸、伺服电机、浮动装置、通规安装座、螺纹通规和气动手指;所述第一移料伺服模组机械手将内六角特征合格的堵头螺丝送至所述气动手指上方,气动手指收缩夹持堵头螺丝,所述升降气缸伸出,推动所述浮动装置向下移动,所述螺纹通规贴住堵头螺丝的螺纹表面,所述伺服电机启动,将螺纹通规的螺纹旋入堵头螺丝的螺纹,并带动所述通规安装座下降,如通规安装座的凸缘接触所述感应片后产生电信号,则堵头螺丝的螺纹质量合格,如未能接触产生电信号,则堵头螺丝的螺纹质量不合格;

所述浮动装置包括浮动装置外壳、联轴器、轴承、浮动导向轴、回程调节套、主传动轴、传动轴导向销块、浮动轴导向销块和下段浮动轴;所述联轴器连接着所述伺服电机和主传动轴,所述浮动导向轴穿过所述轴承安装在所述浮动装置外壳上,所述传动轴导向销块和浮动轴导向销块分别嵌入所述主传动轴和下段浮动轴的销槽内,并嵌合在所述浮动导向轴的导向孔槽内;所述浮动装置外壳适于带动下段各部件升降,所述伺服电机启动时,通过所述传动轴导向销块和浮动轴导向销块传递扭矩,带动所述末端螺纹通规旋转。

2.如权利要求1所述的堵头螺丝的自动检测分选机,其特征在于,所述下料推料装置包括推料气缸、推料板、下料传感器、下料直线料槽、下料料槽盖板和下料直线振动器;所述推料板安装在所述推料气缸的活动端,所述推料气缸收缩,推料板推动堵头螺丝至所述下料直线料槽,而后推料气缸退回;所述下料传感器检测到堵头螺丝后,所述下料直线振动器启动,通过振动带动堵头螺丝完成下料;下料直线料槽上覆盖有下料料槽盖板,以防止堵头螺丝溢出。