欢迎来到知嘟嘟! 联系电话:13336804447 卖家免费入驻,海量在线求购! 卖家免费入驻,海量在线求购!
知嘟嘟
我要发布
联系电话:13336804447
知嘟嘟经纪人
收藏
专利号: 2020108438397
申请人: 三峡大学
专利类型:发明专利
专利状态:授权未缴费
专利领域: 发电、变电或配电
更新日期:2024-11-06
缴费截止日期: 暂无
价格&联系人
年费信息
委托购买

摘要:

权利要求书:

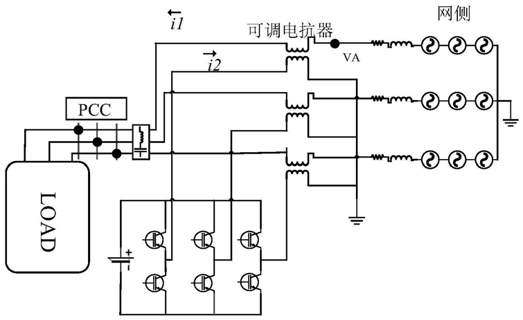
1.基于FCS-MPC控制的高渗透率主动配电网电能质量治理方法,其特征在于包括以下步骤:步骤一:搭建高渗透率主动配电网,作为电能质量治理的测试系统;

步骤二:搭建可调电抗器数学模型;

步骤三:将有限状态模型预测控制FCS-MPC与可调电抗器模型相结合,构建步长函数,对可调电抗器的输出进行预测;

步骤四:设置FCS-MPC的自适应权重选择方法,使其能够根据电能质量扰动的严重程度进行判断,以输出最优开关状态。

2.根据权利要求1所述基于FCS-MPC控制的高渗透率主动配电网电能质量治理方法,其特征在于:所述步骤一中,所搭建的测试系统是一个IEEE-13总线配电网,主动配电网的渗透率以下述公式(1)为基准:式中,Pi,DG-non为系统内第i个分布式电源的装机容量;n为系统内分布式电源个数;PL,sum为系统内负荷总功率;

3.根据权利要求1所述基于FCS-MPC控制的高渗透率主动配电网电能质量治理方法,其特征在于:所述步骤二中,可调电抗器数学模型作为电能质量治理的主要设备,根据可调电抗器中的变压器T型等效电路,可调电抗器中的变压器两侧的电压模型由式(2)、式(3)表示:其中:v1(k+1)、v2(k+1)为变压器下一个时刻的一次侧以及二次侧电压,i1(k)、i1(k+1)为变压器该时刻与下一时刻的一次侧电流,i2(k)、i2(k+1)为变压器该时刻与下一时刻的二次侧电流,Ll1、Ll2分别为变压器一次侧、二次侧漏感,Ts为采样时间,Lm为变压器互感,r1、r2分别为变压器一、二次侧阻抗,k为当前时刻;

在每个采样时刻通过得到成本函数的最优解来确定开关状态,所有开关状态的数量可由下式(4)计算:P

N=L                        (4)

其中,L为逆变器级数,P为相数,逆变器是可调电抗器中连接直流源与变压器的部分,FCS-MPC输出的开关状态也输入至逆变器中,逆变器的输出电压即可表示为公式(5):其中,k为开关状态,Vk为第k个开关状态时输出的电压,VDC为与逆变器连接的直流电源,根据系统电压取值,exp为自然常数e为底的指数函数。

4.根据权利要求1所述基于FCS-MPC控制的高渗透率主动配电网电能质量治理方法,其特征在于:所述步骤三中,步长函数是指,受控目标每个步长下的输入输出关系函数,构建步长函数对可调电抗器的输出进行预测,如下式(6)、(7)表示:其中:i1(k)、i1(k+1)为当前时间与下一时刻一次绕组与二次绕组的电流,Ts为采样时间,i2(k)、i2(k+1)为当前时刻与下一时刻二次绕组电流,V2k为当前时刻二次侧电压;Lm为变压器互感,Rm为变压器阻抗,VA为PCC节点A相即时电压,A、B、C、D、E为恒定因数,可表示如下:A=Ll1+Lm+LL

B=Ll2+Lm

C=r1+Rm+RL

D=r2+Rm

其中:Ll1,Ll2为变压器漏感,RL为线路侧阻抗,LL为线路侧感抗,Lm为变压器互感;r1、r2分别为变压器一、二次侧阻抗。

5.根据权利要求1所述基于FCS-MPC控制的高渗透率主动配电网电能质量治理方法,其特征在于:所述步骤四中,自适应权重选择方法包括一种自适应动态权重优化模型,依据状态变化以自适应调整权重分配,其具体模型为下式(9)、(10)所示:其中:VPCC(k+1)为根据当前情况预测下一时刻的电压,VPCC-ref(K+1)为下一时刻的电压参考值,IL(k+1)为预测下一时刻电流,IL-ref(K+1)为下一时刻电流参考值,VPCCTHD、ILTHD为PCC节点电压、电流的谐波畸变率;real为取实部,imag为取虚部,abs为取绝对值,g1为电压电流幅值目标函数,g2为谐波污染目标函数;

成本函数希望同时考虑了幅值与谐波畸变的关系,根据电压电流之间的偏差大小自适应调整两个目标之间的权重参数;对各成本函数标幺化处理后的总目标函数g如下式(11)所示:式中:λ为根据电压、电流情况自适应取值的权重因子,λ1、λ2为人为设定的权重因数,反映两者之间的重要程度,其取值应恒为正数;通过使用经归一化的成本函数g即可实现根据配电网中的不同情况完成自适应治理;g1、g2分别为公式(9)、(10)提出的成本函数,g1max、g2max则为g1、g2的最大值。

6.根据权利要求5所述基于FCS-MPC控制的高渗透率主动配电网电能质量治理方法,其特征在于:所述步骤四中,FCS-MPC对通过使用经归一化的成本函数g,即可实现根据配电网中的不同情况输出相应的开关状态,将与FCS-MPC结合的可调电抗器引入主动配电网中,即可完成高渗透率主动配电网中的电能质量综合治理。

7.根据权利要求5所述基于FCS-MPC控制的高渗透率主动配电网电能质量治理方法,其特征在于:所述步骤四中,电能质量扰动包括幅值扰动以及谐波污染。