欢迎来到知嘟嘟! 联系电话:13095918853 卖家免费入驻,海量在线求购! 卖家免费入驻,海量在线求购!
知嘟嘟
我要发布
联系电话:13095918853
知嘟嘟经纪人
收藏
专利号: 2020107918931
申请人: 东北电力大学
专利类型:发明专利
专利状态:已下证
专利领域: 发电、变电或配电
更新日期:2023-12-11
缴费截止日期: 暂无
价格&联系人
年费信息
委托购买

摘要:

权利要求书:

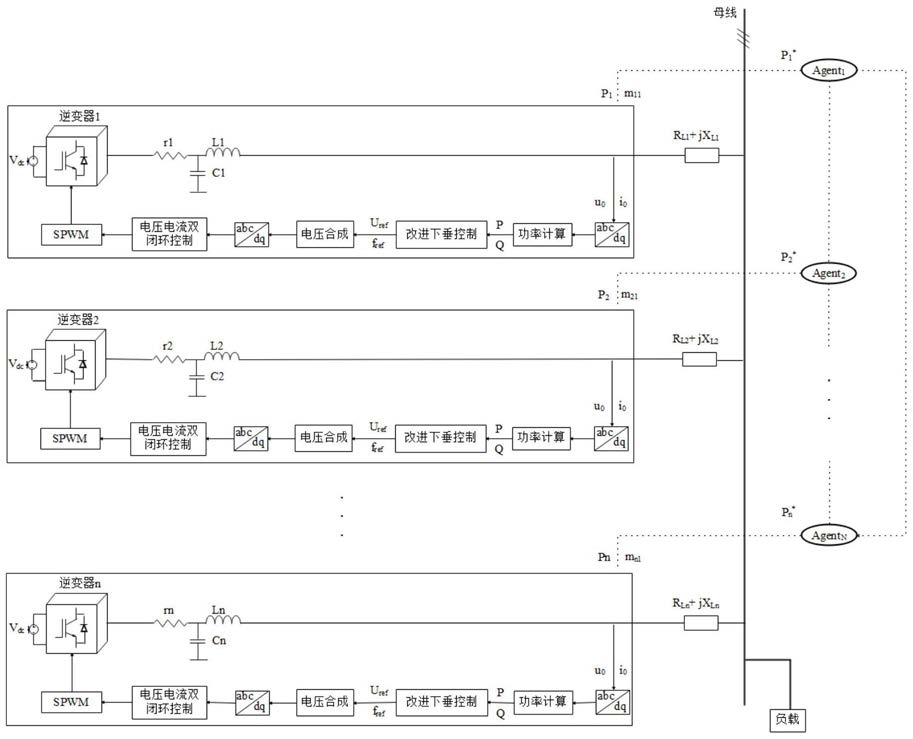
1.一种基于Agent的并联逆变器改进下垂控制方法,其特征是,它包括的内容有:

1)基于一致性算法的通信机制的建立

所述通信机制是基于flooding一致性算法的各Agent之间的信息共享过程,首先每个发电节点配有Agent节点,各Agent之间的通信拓扑采用无向环形通信拓扑结构图,各Agent基于flooding一致性算法与相邻Agent之间共享信息使系统中各Agent之间的信息达到一致,再经过改进下垂控制所需算法计算出指令值提供给逆变器控制模块,每个Agent设定ID为环形拓扑结构图中相邻的节点,并且具有唯一独特的ID,所以,第i个Agent的信息表示为:其中IDi表示第i个Agent的标志, 表示为与第i个Agent相连结点的信息;

parai=                               (2)parai表示第i个Agent的相关信息,在系统当中,Agent掌握各逆变器输出的有功功率及下垂系数,基于flooding一致性算法,每个Agent获得全局信息所需迭代次数为:其中n为系统节点个数,T为信息交互迭代次数;

2)改进的下垂控制方法

每个分布式微源的控制由基本控制模块和改进下垂模块构成,所述基本控制模块包括直流电压源、电压源型逆变器、低通滤波器、线路阻抗、PCC母线、负载、Park变换模块、功率计算模块、下垂控制模块、电压合成模块和电压电流双闭环模块;

所述Park变换模块,就是将abc坐标下的交流变量转换为dq坐标下的直流变换为:所述功率计算模块计算逆变器实际输出功率,测量逆变器输出的电压uo和io,经过dq轴变换,再计算其输出有功功率Pi和无功功率Qi为:其中iodi,uodi为d轴上的电流和电压,ioqi,uoqi为q轴上的电流电压;

所述下垂控制模块就是从功率计算模块接受有功功率pi和无功功率Qi经过下垂控制法得到调节电压和频率的参考值,具体控制法为:在低压微网,线路阻抗呈阻性的时候,第i个逆变器输出的有功功率和无功功率为:无功功率为:

其中,Ui为第i个逆变器输出电压,Upcc为母线电压幅值, 为第i个逆变器输出电压与PCC电压之间的电压相位差,RiL为第i条线路上的电阻;

根据式(6)和(7),逆变器输出有功功率与电压相关联,输出无功功率与相角相关联,因此,低压微网线路阻抗阻性情况下的下垂特性方程为:*

式中,firef和Uiref分别为第i个逆变器输出频率和电压幅值;fi和 为第i个逆变器基点频率和电压幅值;ni1和mi1为下垂系数;Qi和Pi为第i个逆变器输出有功功率和无功功率;

*

和Pi为第i个逆变器基点无功功率和有功功率;

所述电压合成模块,将下垂控制模块输出的电压幅值与相位合成三相电压,计算公式为:所述电压电流双闭环模块,电压外环采用准PR控制器,电流内环采用比例控制器,能够快速跟踪电流信号;采用PR控制器的电压外环和比例控制器电流内环的双闭环控制,按如下方式进行计算:比例电流内环:

准PR电压外环:

其中,Ki为比例系数,kpu为PR控制器比例增益系数,ωr截至频率,ω0为谐振频率,Kr为积分增益系数,Lf滤波电感,Cf滤波电容,iLd和iLq为dq轴上的电感电流;

所述改进的下垂控制是针对低压微网线路阻抗呈阻性且各并联逆变器到母线之间的线路阻抗不一致导致输出电压不一致,功率分配不均及传统下垂控制电压/频率有差调节而进行的改进;

设每条线路上存在虚拟阻抗Rvi补充线路阻抗差异值,并联逆变器功率分配原则如下:当并联逆变器存在压差时,各逆变器按照分配原则分配有功功率会出现误差,相对误差表达式为:结合(14)式,相对误差e1表达为:

由(15)式可知,有功功率能够精确的按容量分配的充要条件为:由于逆变器输出电压相位与母线电压相位近似,所以式(6)可以简化为:结合虚拟阻抗,再对式(17)两边取微分:

由式(18)知,有功功率与虚拟阻抗呈反比例,随着Rvi增大,ΔPi减小;

所以,可变虚拟阻抗是由有功功率的变化确定:

式中,Ki1为积分系数,虚拟阻抗部分由固定虚拟阻抗Rv'i和可变虚拟阻抗 来组成,固定虚拟阻抗保证逆变器输出阻抗无限接近或纯阻性,可变虚拟阻抗在线路阻抗不一致的条*件下保证母线上电压一致,并且功率得到精确分配,Pi由各逆变器Agent经过flood一致性原则获得全局信息,再经过如下计算得到:式中,PT为各逆变器输出功率之和;

利用功率导数项保证逆变器输出电压频率再回到基准值稳定运行;

所述改进后得到的下垂控制算法为:

式中,ndi和mdi为无功功率和有功功率导数项微分系数,ni1和mi1为改进的下垂系数,Qi*和Pi为第i个逆变器输出有功功率和无功功率; 和Pi 为第i个逆变器基点无功功率和有*功功率;fi和 为第i个逆变器基点频率和电压幅值;firef和Uiref分别为第i个逆变器输出频率和电压幅值;Ki1为积分系数;R′vi为固定虚拟阻抗; 为可变虚拟阻抗;i0为逆变器输出电流。

2.根据权利要求1所述的一种基于Agent的并联逆变器改进下垂控制方法,其特征是,步骤1)对于系统4个发电结点,各节点Agent基于一致性算法的获取全局信息的步骤如下:①在T=0时刻,第一个Agent的信息为: 第二个Agent获得的信息为: 第三个Agent获得的信息为:

第四个Agent获得的信息为:

②在T=1时刻,第一个Agent获得的信息为:第二个Agent获得的信息为:

第三个

Agent获得的信息为:

第四个Agent获得的信息为:

③在T=2时刻,第一个Agent获得的信息为:第二个

Agent获得的信息为:

第三个Agent获得的信息:

第四个Agent获得的信息为:

因此,对于拥有四个节点的系统,只需两次的传送信息的迭代就可获得全局的信息。

3.根据权利要求1所述的一种基于Agent的并联逆变器改进下垂控制方法,其特征是,所述直流电压源采用新能源发电或是储能系统提供或用固定的直流电压源作为电源。

4.根据权利要求1所述的一种基于Agent的并联逆变器改进下垂控制方法,其特征是,所述电压源型逆变器采用IGBT逆变器。

5.根据权利要求1所述的一种基于Agent的并联逆变器改进下垂控制方法,其特征是,所述低通滤波器采用LC滤波器。

6.根据权利要求1所述的一种基于Agent的并联逆变器改进下垂控制方法,其特征是,所述线路阻抗采用阻性的阻抗。