欢迎来到知嘟嘟! 联系电话:13336804447 卖家免费入驻,海量在线求购! 卖家免费入驻,海量在线求购!
知嘟嘟
我要发布
联系电话:13336804447
知嘟嘟经纪人
收藏
专利号: 2020102478263
申请人: 浙江广厦建设职业技术学院
专利类型:发明专利
专利状态:已下证
专利领域: 磨削;抛光
更新日期:2023-08-24
缴费截止日期: 暂无
价格&联系人
年费信息
委托购买

摘要:

权利要求书:

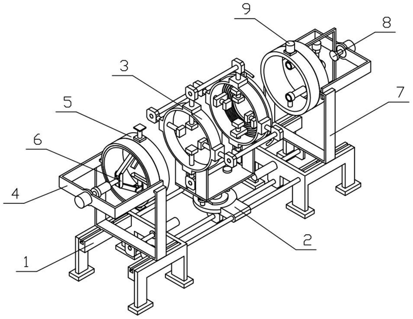
1.一种建筑材料打磨装置,包括装置支架(1)、换边机构(2)、装夹机构(3)、横移支架Ⅰ(4)、转动环Ⅰ(5)、切边机构(6)、横移支架Ⅱ(7)、转动机构(8)和打磨机构(9),其特征在于:

所述装置支架(1)上连接有换边机构(2),换边机构(2)上固定连接有装夹机构(3),换边机构(2)的前侧连接有横移支架Ⅰ(4),横移支架Ⅰ(4)上转动连接有转动环Ⅰ(5),横移支架Ⅰ(4)上连接有切边机构(6),切边机构(6)的后端滑动连接在转动环Ⅰ(5)上,换边机构(2)的后侧连接有横移支架Ⅱ(7),横移支架Ⅱ(7)连接有转动机构(8),转动机构(8)上固定连接有打磨机构(9)。

2.根据权利要求1所述的一种建筑材料打磨装置,其特征在于:所述装置支架(1)包括安装支架(101)、滑动柱Ⅰ(102)、横移电机(103)和滑动轨道(104),安装支架(101)设置有两个,两个安装支架(101)之间固定连接有两个滑动柱Ⅰ(102),横移电机(103)固定连接在一侧的安装支架(101)上,两个安装支架(101)上均固定连接有滑动轨道(104)。

3.根据权利要求2所述的一种建筑材料打磨装置,其特征在于:所述换边机构(2)包括横移底板(201)、更换盘(202)、定位孔(203)和换边电机(204),横移底板(201)滑动连接在两个滑动柱Ⅰ(102)上,横移底板(201)上固定连接有更换盘(202),更换盘(202)上设置有两个定位孔(203),横移底板(201)上固定连接有换边电机(204),横移底板(201)通过通过螺纹连接在横移电机(103)上。

4.根据权利要求3所述的一种建筑材料打磨装置,其特征在于:所述装夹机构(3)包括装夹底板(301)、定位钉(302)、压缩弹簧(303)、装夹环Ⅰ(304)、蜗状螺纹盘(305)、装夹手Ⅰ(306)、螺纹块(307)、连接柱(308)、装夹环Ⅱ(309)和装夹手Ⅱ(3010),装夹底板(301)上滑动连接有两个定位钉(302),两个定位钉(302)上均固定连接有压缩弹簧(303),两个定位钉(302)分别卡接在两个定位孔(203)内,装夹底板(301)的前后分别固定连接有装夹环Ⅱ(309)和装夹环Ⅰ(304),装夹环Ⅰ(304)上转动连接有蜗状螺纹盘(305),装夹环Ⅰ(304)上滑动连接有多个装夹手Ⅰ(306),多个装夹手Ⅰ(306)上均固定连接有螺纹块(307),多个螺纹块(307)均通过螺纹连接在蜗状螺纹盘(305)上,多个装夹手Ⅰ(306)上均固定连接有连接柱(308),多个连接柱(308)的另一端均固定连接有装夹手Ⅱ(3010),多个装夹手Ⅱ(3010)均滑动连接在装夹环Ⅱ(309)上,装夹底板(301)固定连接在换边电机(204)的输出轴上。

5.根据权利要求4所述的一种建筑材料打磨装置,其特征在于:所述横移支架Ⅰ(4)包括横移架Ⅰ(401)、伸缩机构Ⅰ(402)、支撑环Ⅰ(403)和支撑架Ⅰ(404),横移架Ⅰ(401)上固定连接有支撑环Ⅰ(403),支撑环Ⅰ(403)上固定连接有支撑架Ⅰ(404),横移架Ⅰ(401)滑动连接在位于前侧的滑动轨道(104)上,伸缩机构Ⅰ(402)固定连接在安装支架(101)上,伸缩机构Ⅰ(402)的伸缩端固定连接在横移架Ⅰ(401)上,转动环Ⅰ(5)转动连接在支撑环Ⅰ(403)上。

6.根据权利要求5所述的一种建筑材料打磨装置,其特征在于:所述切边机构(6)包括切边电机(601)、伸缩机构Ⅲ(602)、滑动柱Ⅱ(603)、切边刀具(604)和连杆(605),切边电机(601)固定连接在支撑架Ⅰ(404)上,切边电机(601)的输出轴上固定连接有伸缩机构Ⅲ(602),滑动柱Ⅱ(603)设置有两个,两个滑动柱Ⅱ(603)均滑动连接在转动环Ⅰ(5)上,两个滑动柱Ⅱ(603)的内侧均固定连接有切边刀具(604),两个切边刀具(604)和伸缩机构Ⅲ(602)的伸缩端之间铰接有连杆(605)。

7.根据权利要求6所述的一种建筑材料打磨装置,其特征在于:所述横移支架Ⅱ(7)包括横移架Ⅱ(701)、伸缩机构Ⅱ(702)、支撑环Ⅱ(703)和支撑架Ⅱ(704),横移架Ⅱ(701)上固定连接有支撑环Ⅱ(703),支撑环Ⅱ(703)上固定连接有支撑架Ⅱ(704),横移架Ⅱ(701)滑动连接在位于后侧的滑动轨道(104)上,伸缩机构Ⅱ(702)固定连接在对应的安装支架(101)上,伸缩机构Ⅱ(702)的伸缩端固定连接在横移架Ⅱ(701)上。

8.根据权利要求7所述的一种建筑材料打磨装置,其特征在于:所述转动机构(8)包括转动电机(801)、连接杆(802)和转动环Ⅱ(803),转动电机(801)固定连接在支撑架Ⅱ(704)上,转动电机(801)的输出轴上固定连接有连接杆(802),连接杆(802)固定连接在转动环Ⅱ(803)上,转动环Ⅱ(803)转动连接在支撑环Ⅱ(703)上。

9.根据权利要求8所述的一种建筑材料打磨装置,其特征在于:所述打磨机构(9)包括摆动电机(901)、转动轴(902)、伸缩机构Ⅳ(903)、打磨电机(904)和打磨轮(905),摆动电机(901)和转动轴(902)的内侧均固定连接有伸缩机构Ⅳ(903),其中一个伸缩机构Ⅳ(903)的伸缩端上固定连接有打磨电机(904),打磨电机(904)的输出轴上固定连接有打磨轮(905),摆动电机(901)固定连接在转动环Ⅱ(803)上,转动轴(902)转动连接在转动环Ⅱ(803)上。