欢迎来到知嘟嘟! 联系电话:13095918853 卖家免费入驻,海量在线求购! 卖家免费入驻,海量在线求购!
知嘟嘟
我要发布
联系电话:13095918853
知嘟嘟经纪人
收藏
专利号: 2020102028581
申请人: 聊城八月瓜大数据服务有限公司
专利类型:发明专利
专利状态:已下证
专利领域: 教育;密码术;显示;广告;印鉴
更新日期:2024-11-13
缴费截止日期: 暂无
价格&联系人
年费信息
委托购买

摘要:

权利要求书:

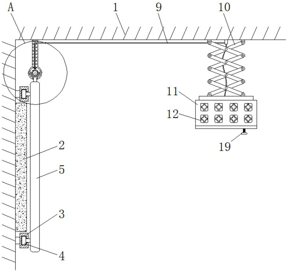
1.一种基于滑动电阻变化的互联网教学装置,包括墙体(1),其特征在于:所述墙体(1)的右端固定安装黑板(2),所述墙体(1)右端黑板(2)的上下两侧固定安装有滑槽(3),所述滑槽(3)内部滚动连接有滚轮(4),所述滚轮(4)的右端固定安装有电子白板(5),所述电子白板(5)的顶端固定安装有触电钳(6),所述墙体(1)的底端固定安装有连接杆(7),所述连接杆(7)的底部缠绕有电阻丝(8),所述电阻丝(8)的后端固定连接有导线(9),所述墙体(1)底端电子白板(5)的右侧通过折叠杆(10)活动连接有放置框(11),所述放置框(11)的外围开设有透风窗(12),所述放置框(11)内部的底端转动连接有转台(13),所述放置框(11)的底部开设有圆弧槽(14),所述圆弧槽(14)的内部滑动连接有金属块(15),所述金属块(15)的前侧固定连接有弹簧(16),所述放置框(11)底部圆弧槽(14)的后侧固定安装有铁芯(17),所述铁芯(17)的外围缠绕有线圈(18),所述转台(13)的右侧螺纹连接有螺栓(19),所述转台(13)的顶端放置有投影仪(20)。

2.根据权利要求1所述的一种基于滑动电阻变化的互联网教学装置,其特征在于:所述电子白板(5)通过左端的滚轮(4)滑动连接在黑板(2)的右侧,且所述电子白板(5)的宽度小于黑板(2)宽度的一半。

3.根据权利要求1所述的一种基于滑动电阻变化的互联网教学装置,其特征在于:所述连接杆(7)与触电钳(6)相对齐,且所述触电钳(6)向上延伸并滑动连接在连接杆(7)的内部,所述触电钳(6)顶端的钳口与连接杆(7)内部缠绕电阻丝(8)的左右两侧相接触,所述触电钳(6)与电子白板(5)内部的电源相连接。

4.根据权利要求1所述的一种基于滑动电阻变化的互联网教学装置,其特征在于:所述导线(9)一端与电阻丝(8)的后端相连接,另一端与放置框(11)内部的线圈(18)相连接。

5.根据权利要求1所述的一种基于滑动电阻变化的互联网教学装置,其特征在于:所述折叠杆(10)与墙体(1)的底端和放置框(11)的顶端均为限位的滑动连接。

6.根据权利要求1所述的一种基于滑动电阻变化的互联网教学装置,其特征在于:所述圆弧槽(14)与转台(13)同心,且所述金属块(15)的顶端与转台(13)底端的左侧固定安装。

7.根据权利要求1所述的一种基于滑动电阻变化的互联网教学装置,其特征在于:所述螺栓(19)向下延伸至放置框(11)的下方,且所述放置框(11)底部螺栓(19)的外围开设有与转台(13)同心的凹槽。