欢迎来到知嘟嘟! 联系电话:13336804447 卖家免费入驻,海量在线求购! 卖家免费入驻,海量在线求购!
知嘟嘟
我要发布
联系电话:13336804447
知嘟嘟经纪人
收藏
专利号: 2020101121691
申请人: 杭州电子科技大学
专利类型:发明专利
专利状态:已下证
专利领域: 计算;推算;计数
更新日期:2024-02-23
缴费截止日期: 暂无
价格&联系人
年费信息
委托购买

摘要:

权利要求书:

1.基于塔尔伯特效应的光域互相关运算方法,其特征在于,包括以下步骤:

S1.由三个锁模激光器分别产生三路脉冲串,所述三路脉冲串分别由相位调制器调制与信号周期相关的二次相位后输出三路脉冲串,其中第一路和第二路的两路脉冲串再分别经过各自的光电调制器进行幅度调制不同的数字实信号;

S2.所述调制后的两路脉冲串分别经过色散光纤,通过时域塔尔伯特效应,得到两路脉冲串的包络与调制数字信号呈离散傅里叶变换对的关系;

S3.所述傅里叶变换后的两路脉冲串输入90度光学混合器,所述90度光学混合器的180度相移和360度相移,90度相移和270度相移的输出分别进入两个平衡探测器,获得两路电信号;

S4.获得的两路电信号经由IQ调制器,调制在第三路脉冲串的幅度和相位上,调制后的脉冲串经过色散光纤,在时域塔尔伯特效应作用下完成离散傅里叶反变换,并在光电探测器输出端获得信号相关结果的时域波形。

2.如权利要求1所述的基于塔尔伯特效应的光域互相关运算方法,其特征在于,所述步骤S1中,调制数字实信号为周期信号,且调制数字实信号经过补零处理。

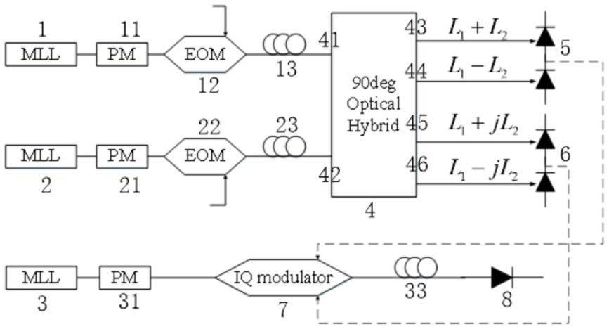
3.基于权利要求1‑2任一项所述的基于塔尔伯特效应的光域互相关运算方法的基于塔尔伯特效应的光域互相关运算装置,其特征在于,包括第一锁模激光器、第二锁模激光器、第三锁模激光器、第一相位调制器、第二相位调制器、第三相位调制器、第一光电调制器、第二光电调制器、第一色散光纤、第二色散光纤、第三色散光纤、90度光学混合器、第一平衡光电探测器、第二平衡光电探测器、IQ调制器、光电探测器;其中:第一锁模激光器、第一相位调制器、第一光电调制器、第一色散光纤、90度光学混合器的第一输入端通过光纤顺次相连;第二锁模激光器、第二相位调制器、第二光电调制器、第二色散光纤、90度光学混合器的第二输入端通过光纤顺次相连;第三锁模激光器、第三相位调制器、IQ调制器输入端通过光纤顺次相连;90度光学混合器的第一输出端、第二输出端与第一平衡光电探测器相连,90度光学混合器的第三输出端、第四输出端与第二平衡光电探测器相连;IQ调制器与第一平衡光电探测器、第二平衡光电探测器通过同轴线相连;IQ调制器的输出端和第三色散光纤、第三光电探测器通过光纤相连。

4.如权利要求3所述的基于塔尔伯特效应的光域互相关运算装置,其特征在于,所述的IQ调制器由双平行电光调制器、90度移相器组成。