欢迎来到知嘟嘟! 联系电话:13336804447 卖家免费入驻,海量在线求购! 卖家免费入驻,海量在线求购!
知嘟嘟
我要发布
联系电话:13336804447
知嘟嘟经纪人
收藏
专利号: 2019211027970
申请人: 深圳市中航威视科技有限公司
专利类型:实用新型
专利状态:已下证
专利领域: 信号装置
更新日期:2025-06-27
缴费截止日期: 暂无
价格&联系人
年费信息
委托购买

摘要:

权利要求书:

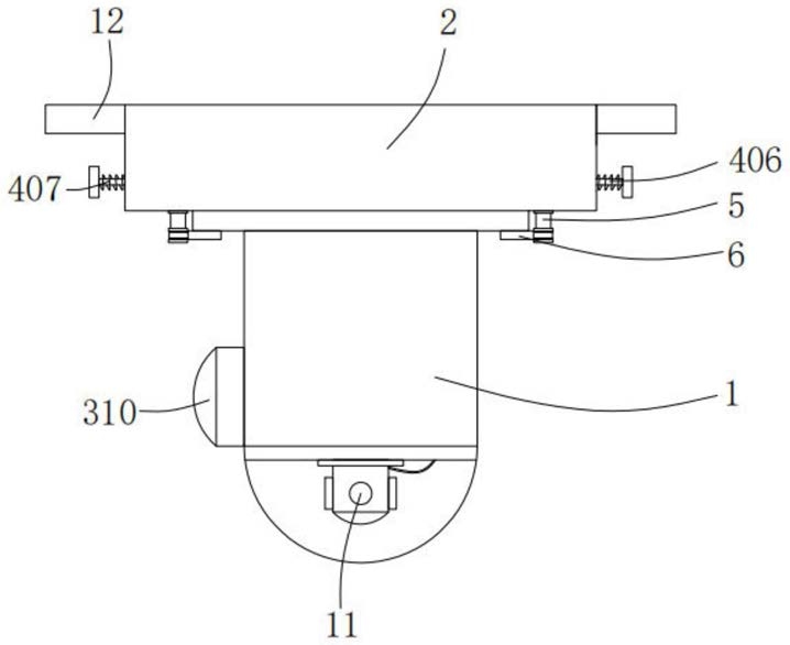
1.一种联网报警集成一体摄像头,其特征在于,包括:机体和安装座;

警报装置,所述警报装置设置于所述机体的内壁,所述警报装置包括控制器;

控制器,所述控制器设置于所示机体内壁顶部的中间;

电磁铁,所述电磁铁设置于所述控制器的底部;

隔板,所述隔板固定连接于所述机体内壁的两侧之间;

滑杆,两个所述滑杆均固定连接于所述隔板的顶部与所述控制器的底部之间;

磁铁,所述磁铁套接于两个所述滑杆的表面;

挤压杆,所述挤压杆固定连接于所述磁铁底部的中间;

第一弹簧,两个所述第一弹簧分别固定连接于所述隔板底部的两侧;

接触板,所述接触板固定连接于两个所述第一弹簧的底部;

接触件,所述接触件设置于所述机体内壁的底部;

蜂鸣器,所述蜂鸣器设置于所述机体的左侧;

卡紧装置,所述卡紧装置设置于所述安装座上,所述卡紧装置包括矩形槽;

固定杆,所述固定杆固定连接于所述矩形槽内表面的右侧。

2.根据权利要求1所述的一种联网报警集成一体摄像头,其特征在于,所述固定杆上转动连接有转动杆,所述转动杆的一端转动连接有连接杆,所述连接杆的一端转动连接有卡块。

3.根据权利要求2所述的一种联网报警集成一体摄像头,其特征在于,所述转动杆的一端转动连接有移动杆,所述移动杆的表面套接有第二弹簧,所述移动杆的一端贯穿所述安装座的内部且延伸至所述安装座的外部。

4.根据权利要求1所述的一种联网报警集成一体摄像头,其特征在于,所述安装座底部两侧分别固定连接有连接轴,所述连接轴上转动连接有卡板。

5.根据权利要求1所述的一种联网报警集成一体摄像头,其特征在于,所述安装座的底部开设有安装槽,所述安装槽内表面的两侧均开设有连接槽,所述连接槽内表面的一侧与所述矩形槽内表面的一侧连通。

6.根据权利要求1所述的一种联网报警集成一体摄像头,其特征在于,所述机体的顶部固定连接有顶板,所述顶板的两侧均固定连接有卡接块。

7.根据权利要求1所述的一种联网报警集成一体摄像头,其特征在于,所述机体的底部设置有摄像头,所述安装座的两侧均固定连接有定位板。