欢迎来到知嘟嘟! 联系电话:13336804447 卖家免费入驻,海量在线求购! 卖家免费入驻,海量在线求购!
知嘟嘟
我要发布
联系电话:13336804447
知嘟嘟经纪人
收藏
专利号: 2019210997382
申请人: 无锡市骏雷科技有限公司
专利类型:实用新型
专利状态:已下证
专利领域: 手动工具;轻便机动工具;手动器械的手柄;车间设备;机械手
更新日期:2024-08-14
缴费截止日期: 暂无
价格&联系人
年费信息
委托购买

摘要:

权利要求书:

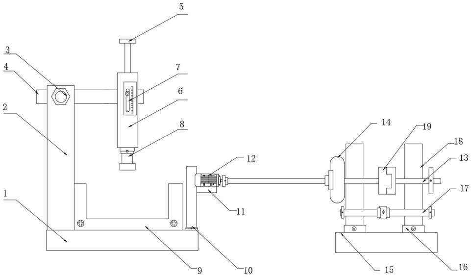
1.一种金属零部件外观检测工装,包括主板(1),其特征在于:所述主板(1)的左侧顶部固定焊接有固定支架(2)所述固定支架(2)的顶部表面固定安装有紧固螺丝(3),所述固定支架(2)的顶部镶嵌安装有托柱(4)所述托柱(4)的左侧拆卸安装有机箱(6),所述机箱(6)的顶部活动连接有按压手把(5)所述机箱(6)的中部固定安装有调节板(7),所述机箱(6)的顶部拆卸安装有挤压柱(8),所述主板(1)的中部拆卸安装有模具凹槽(9)所述主板(1)的顶部右侧固定安装有固定柱(10),所述固定柱(10)的右侧外壁固定连接有托板(11),所述托板(11)的顶部拆卸安装有驱动电机(12),所述驱动电机(12)右侧拆卸连接有转轴(13)所述转轴(13)的左侧拆卸安装有控速轮(14),所述转轴(13)的中部拆卸安装有卡接块(19),所述卡接块(19)的一侧设有活动支架(18),所述活动支架(18)的中部镶嵌安装有转轴(13),所述活动支架(18)的底部拆卸安装有活动块(16),所述活动块(16)的底部拆卸连接有副板(15),所述活动块(16)的顶部拆卸安装有伸缩支架(17)。

2.根据权利要求1所述的一种金属零部件外观检测工装,其特征在于:所述调节板(7)表面左侧活动安装有调节卡扣(71)所述调节卡扣(71)的内壁镶嵌安装有凹槽(72)所述调节板(7)的右侧设有厘米(73)和毫米(74)。

3.根据权利要求1所述的一种金属零部件外观检测工装,其特征在于:所述模具凹槽(9)的底部拆卸安装有活动螺丝(91)且数量为两个分别位于模具凹槽(9)的底部左侧和右侧。

4.根据权利要求1所述的一种金属零部件外观检测工装,其特征在于:所述控速轮(14)的顶部固定安装有固定块(142)所述固定块(142)的顶部固定安装有小型固定块(143)。

5.根据权利要求1所述的一种金属零部件外观检测工装,其特征在于:所述伸缩支架(17)的右侧拆卸安装有调节块(171)。

6.根据权利要求1所述的一种金属零部件外观检测工装,其特征在于:所述伸缩支架(17)的中部拆卸安装有伸缩板(173)所述伸缩板(173)的左侧右侧固定安装有夹具(172)。

7.根据权利要求6所述的一种金属零部件外观检测工装,其特征在于:所述伸缩板(173)的表面活动安装有调节按钮(174)。

8.根据权利要求1所述的一种金属零部件外观检测工装,其特征在于:所述活动支架(18)的数量为两个分别位于副板(15)的左侧和右侧。