欢迎来到知嘟嘟! 联系电话:13095918853 卖家免费入驻,海量在线求购! 卖家免费入驻,海量在线求购!
知嘟嘟
我要发布
联系电话:13095918853
知嘟嘟经纪人
收藏
专利号: 2019112554330
申请人: 东北电力大学
专利类型:发明专利
专利状态:已下证
专利领域: 发电、变电或配电
更新日期:2023-12-11
缴费截止日期: 暂无
价格&联系人
年费信息
委托购买

摘要:

权利要求书:

1.一种高比例电力电子化系统谐振风险识别方法,其特征是,它包括以下步骤:

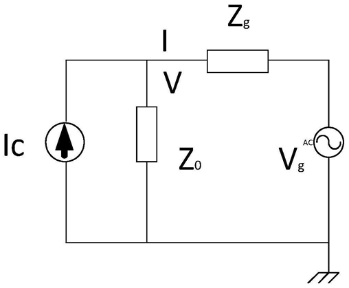
1)构建谐振模型,所述谐振模型包含新能源电源和系统等值模型在s域下,根据欧姆定律,得出的关系式为:并网点电压V和系统等值电源电压Vg之间的关系式为:Vg(s)=V(s)+I(s)Zg(s)                                                  (2)将式(2)带入式(1)消去Vg(s),得到:对式(3)进行化简得到:

其中:Ic为新能源等值电流,Z0为新能源等值阻抗,I为并网点电流,Vg为系统等值电源电压,Zg为系统等值阻抗,V为并网点电压;

2)最小二乘法辨识

将式(4)简写为矩阵形式,对应形式为:I(s)=YVn(s)                                                          (5)将式(5)改写为最小二乘法解形式,对应形式为:T ‑1 T

Y=[Vn(s) Vn(s)] Vn(s) I(s)                                            (6)对Y中元素幅值和频率列出,就可以得出系统对应的谐振点分布。