欢迎来到知嘟嘟! 联系电话:13336804447 卖家免费入驻,海量在线求购! 卖家免费入驻,海量在线求购!
知嘟嘟
我要发布
联系电话:13336804447
知嘟嘟经纪人
收藏
专利号: 2019110585974
申请人: 东北电力大学
专利类型:发明专利
专利状态:已下证
专利领域: 发电、变电或配电
更新日期:2023-12-04
缴费截止日期: 暂无
价格&联系人
年费信息
委托购买

摘要:

权利要求书:

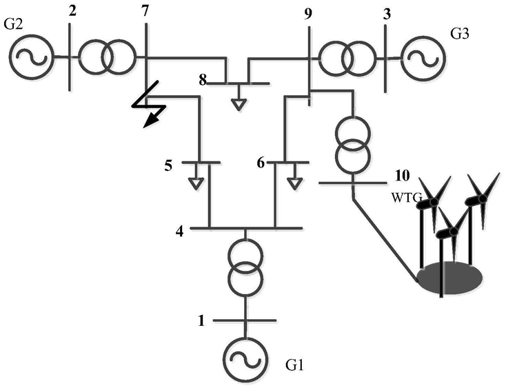
1.一种双馈风机并网电力系统低频振荡调控方法,其特征是,它包括以下步骤:

1)构建含风机并网电力系统小干扰线性化模型

多机系统非线性微分代数方程在平衡点线性化为:

T

式中:Δx=[Δxδ,Δxω,Δxz] ,Δxδ为功角变量,Δxω为转子角速度变量,Δxz为其他T状态变量;ΔzN=[Δz1,Δθ1,Δz2,Δθ2,...,Δzn,Δθn]为网络节点电压幅值和角度增量矩阵;E、F、G、H为线性化方程的系数矩阵;

2)构建支路模式势能函数

支路势能由两部分组成:

ΔEpij=ΔEpijz+ΔEpijh                       (2)式中:ΔEpij为支路总势能;ΔEpijz为自相关模式支路势能;ΔEpijh为互相关模式支路势能;

3)构建振荡割集能量函数灵敏度

根据式(2)中的自相关模式势能确定网络支路势能最大的支路为割集支路,为了能够得到支路振荡割集能量函数相对于发电机有功灵敏度,对发电机有功功率增量进行关于变量t的求导,得:式中:S1为支路振荡割集能量函数相对于对发电机有功灵敏度;ΔPe为发电机有功功率增量;

结合式(3)和自相关模式势能对时间t的导数,得到自相关模式势能相对于发电机有功功率的灵敏度指标:式中:S2为自相关模式势能相对于发电机有功功率的灵敏度指标;

结合风机有功增量对时间t导数和自相关模式势能对时间t的导数,得到自相关模式势能相对于风机有功功率的灵敏度指标:式中:S3为自相关模式势能相对于风机有功功率的灵敏度指标;ΔPw为双馈风机的出口有功功率增量;

4)基于模式能量灵敏度函数的低频振荡调控对象的选取

当系统发生低频振荡时,通过自相关模式下支路势能对系统中各支路进行振荡度量化,通过排序可找到最严重振荡线路,即通过式(2)中自相关模式势能大小排序,同时结合连通性确定系统割集,并找到系统振荡能量最大的振荡支路,当确定最严重线路后,对同一个支路求灵敏度指标时,通过式(4)与式(5)进行灵敏度指标的求取;由于割集振荡最严重支路对不同发电机或风机有功求灵敏度并进行排序时,灵敏度表达式的分子都是同一割集支路自相关模式支路势能对时间t的求导,所以指标的大小比较只考虑分母大小;比较同一个支路灵敏度指标的大小采用近似计算,不考虑分子的作用,得到自相关支路模式势能相对于发电机以及风机的灵敏度近似指标:式中:S4为自相关支路模式势能相对于发电机有功功率的灵敏度近似指标,S5为自相关支路模式势能相对于风机有功功率的灵敏度近似指标;

根据割集和割集上的潮流确定送端系统和受端系统进行灵敏度排序,割集线路潮流流出为送端系统,割集线路潮流流入为受端系统,选取送、受端灵敏度最大的发电机或风机作为调控对象进行送端减出力、受端增出力的调控效果验证。