欢迎来到知嘟嘟! 联系电话:13336804447 卖家免费入驻,海量在线求购! 卖家免费入驻,海量在线求购!
知嘟嘟
我要发布
联系电话:13336804447
知嘟嘟经纪人
收藏
专利号: 2019108738098
申请人: 浙江工业大学
专利类型:发明专利
专利状态:已下证
专利领域: 工程元件或部件;为产生和保持机器或设备的有效运行的一般措施;一般绝热
更新日期:2023-12-11
缴费截止日期: 暂无
价格&联系人
年费信息
委托购买

摘要:

权利要求书:

1.一种施加滚珠直线导轨副预紧力的方法,包括以下步骤:

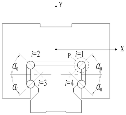
步骤1、确定滚珠直线导轨副结构参数;设滚珠直线导轨副共有4列滚珠,分别为1,2,3,

4列,α0为导轨副中滚珠与滚道的名义接触角,单位:度(°),O为滚珠球心,d为名义滚珠直径,单位:毫米(mm),n为单列受载滚珠个数,Oc和Or分别为滑块和导轨的名义滚道曲率中心,rc和rr分别为滑块和导轨的滚道曲率半径,单位:毫米(mm);

步骤2、建立滚珠直线导轨副单个滚珠预紧力与预紧量的关系;滚珠直线导轨副单个滚珠预紧力为滚珠与单侧滚道间的接触力,预紧量为滚珠与单侧滚道间的弹性变形量;由赫兹接触理论可知接触力与弹性变形量间的关系表达式式中,F为所受接触力,单位:牛(N);δ为弹性变形,单位:毫米(mm);υ1,υ2分别为接触体1和接触体2材料的泊松比,E1、E2分别为接触体1和接触体2材料的弹性模量,单位:季帕(GPa);δ*为与几何关系相关的系数,∑ρ为接触体1和接触体2的综合曲率,单位:mm-1;

由于δ*、E1、E2、υ1、υ2、∑ρ对一个特定的滚珠直线导轨副是常数,因而滚珠直线导轨副单个滚珠预紧力与预紧量之间的关系可简化为F=khδ3/2  (2)

式中,kh描述了滚珠直线导轨副单个滚珠所受预紧力F与预紧量δ之间的关系,称之为类刚度系数,单位:牛·毫米(N·mm);

3、建立滚珠直线导轨副单个滚珠预紧量与滚道曲率中心的关系;滚珠直线导轨副曲率中心方位图中,u轴为侧向,v轴为垂向,αi为第i列滚珠与滚道的实际接触角,O’ci为第i列滚珠对应侧的滑块的实际滚道曲率中心,当改变滑块的滚道曲率中心时,△ui和△vi分别为第i列滚珠对应侧的滑块曲率中心的侧向和垂向的改变距离量,该值的正负分别取决于相应的局部坐标系(uiOcivi);在名义接触状态时,第i列滚珠对应侧的滑块和导轨的名义滚道曲率中心距s0s0=rc+rr-d  (3)

第i列滚珠与滚道的实际接触角αi

由几何关系可以确定改变滑块曲率中心后的实际滚道曲率中心距si由几何关系可以确定单个滚珠预紧量δi与滚道曲率中心的关系δi=(si-s0)/2  (6)

为实现预紧效果,因此单个滚珠的预紧量δi应满足非负性

由此可以确定滑块曲率中心的侧向改变距离量△ui和垂向改变距离量△vi的约束条件步骤4、建立滚珠直线导轨副预紧力和滚道曲率中心的关系;根据步骤2与步骤3可以确定实际接触时第i列单个滚珠的预紧力fi单个滚珠的侧向预紧力fx和垂向预紧力fy与滚道曲率中心的关系分别为因此,滚珠直线导轨副的侧向预紧力Fx和垂向预紧力Fy与滚道曲率中心的关系为步骤5、实现施加滚珠直线导轨副预紧力;当需要在侧向和垂向施加特定预紧力时,根据Fx和Fy联立方程组求解滑块曲率中心的侧向改变距离量△ui和垂向改变距离量△vi;特别的当Fy/Fx=tanα0时,此时所施加的预紧力效果与上述现有技术的方法相同;可以求得Δvi=-Δui tanα0即滑块滚道曲率中心在侧向改变距离量为△ui,在垂向反向改变距离量为△ui tanα0;

当对滚珠直线导轨副仅施加侧向预紧力时,即Fy=0,此时可求得Δvi=-s0 sinα0

Δui=-[s0-s0cosα0+2×[Fx/(4nkh)]2/3]因此,在实现仅仅在侧向施加预紧力的要求时,滑块滚道曲率中心在侧向反向改变距

2/3

离量为s0-s0cosα0+2×(Fx/kh) ,在垂向反向改变距离量为s0sinα0;

当对滚珠直线导轨副仅施加垂向预紧力时,即Fx=0,此时可求得Δui=s0 cosα0

Δvi=s0-s0 sinα0+2×[Fy/(4nkh)]2/3因此,在实现仅仅在垂向施加预紧力的要求时,滑块滚道曲率中心在侧向改变距离量为s0cosα0,在垂向改变距离量为s0-s0sinα0+2×(Fx/kh)2/3。