欢迎来到知嘟嘟! 联系电话:13336804447 卖家免费入驻,海量在线求购! 卖家免费入驻,海量在线求购!
知嘟嘟
我要发布
联系电话:13336804447
知嘟嘟经纪人
收藏
专利号: 2019108199730
申请人: 浙江工业大学
专利类型:发明专利
专利状态:已下证
专利领域: 计算;推算;计数
更新日期:2023-12-11
缴费截止日期: 暂无
价格&联系人
年费信息
委托购买

摘要:

权利要求书:

1.基于二进制粒子群通道优化的防御方法,包含以下步骤:

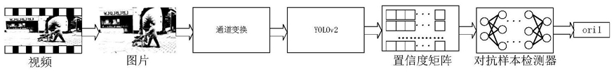
1)搭建对抗样本检测器,对抗样本检测器选用全连接层和Relu激活函数,输出层采用sigmoid激活函数输出检测结果;

2)建立检测器数据集;

2.1)生成对抗样本;

检测器数据集主要由两部分组成;一部分是由原视频组成;而另一部分是由对抗样本组成;故首先选取一段行人视频,通过FGSM攻击方法产生对抗样本,该对抗样本能成功地欺骗目标检测器,使检测器不能检测到人这个类;

2.2)帧化视频;

将原视频和对抗样本输入目标检测器;在检测原视频时,选取能够成功检测出人的帧,并将这部分帧的标签标注为ori1;在检测对抗样本时,选取能够欺骗检测器的帧,并将这部分帧的标签标注为adv0;最后,将上述70%的帧作为训练集,剩余30%作为测试集;对抗样本检测器的准确率计算公式如下:式中,p表示检测器的准确率,n表示视频中检测到的对抗样本帧数,N表示视频中对抗样本总帧数;

3)通道优化;

3.1)初始化粒子:首先确定粒子群的大小,之后通过二进制编码的方式对每一个粒子的位置参数进行初始化,具体方式参照公式(2);粒子的位置坐标为d维,d是通道的总数;初始化后的位置坐标由0和1组成;可以看出每个粒子的位置参数实际上代表着一种通道组合方式,初始化即先随机选取若干种通道组合;

3.2)计算个体极值、全局最优解:由文中定义的适应度函数,每个粒子可根据自己的位置参数计算个体极值,通过比较每个粒子的个体极值大小,最终选出最小的个体极值作为当前的全局最优解;本文方法提出的适应度函数如式(3):fitness(xid)=cross-entropy(D)+δ·NUM(xid)   (3)式中,fitness(xid)表示第i个粒子的当前个体极值,NUM(xid)表示第i个粒子的通道组合中运用的通道数目,δ是惩罚系数,其值随通道组合中的通道数增加而变大,这里是希望尽可能降低通道的使用,从而降低时间成本;cross-entropy(D)表示对抗样本检测器的交叉熵;通过上述公式计算每个粒子的当前个体极值,再通过比较每个粒子的当前个体极值,得到当前的全局最优解;

3.3)更新粒子位置:每一个粒子根据自己的速度来更新自己的位置参数;粒子的速度由速度公式(4)决定:vid=w·vid+c1·rand()·(pid-xid)+c2·rand()·(pgd-xid)    (4)式中,vid表示第i个粒子的第d维的速度信息;ω是惯性因子,c1,c2是加速常数,一般取c1=c2∈[0,4];rand()表示区间[0,1]上的随机数;pid表示第i个粒子的个体极值,个体极值代表着每个粒子找到的最优的位置信息;pgd表示整个粒子群的全局最优解,全局最优解则代表整个粒子群中最优的位置信息;从式(4)中看出,粒子的速度主要与其当前位置与最优位置的差异有关;

通过以上信息计算出粒子的当前速度,根据式(5)计算出每个粒子的改变位置的概率;

式中,s(vid)表示xid位置取1的概率;这里为了避免s(vid)过于接近1或0,故对vid加一限制,人为设定一个参数Vmax作为vid的上限,同时规定其下限为-Vmax;通过上式计算出的概率,从而决定是否改变粒子的位置参数;具体改变位置参数的方式如式(6):式中,xid表示第i个粒子的第d维的位置信息;rand()表示区间[0,1]的随机数;在[0,1]区间中服从均匀分布的随机数小于等于s(vid)时,将第i个粒子的第d维位置信息更新为1,反之则为0;

3.4)迭代优化:重复3.2)-3.3)步骤,直到迭代次数达到设定的最大迭代次数或者相邻两代全局最优解的差达到设定的阈值;迭代终止条件如式(7):T=Tmax or pgd(n)-pgd(n-1)≤p    (7)

上式中,T表示当前迭代次数,Tmax表示预先设定的最大迭代次数,pgd(n)表示当前全局最优解,pgd(n-1)表示上一代的全局最优解,p表示预先设定的相邻两代全局最优解差值的阈值;这样设定的目的主要是为了使优化过程不会陷入无限循环的同时,得到有一个较优的解;

3.5)图像变换;

已知步骤3.3)当前的通道组合,对步骤2)中构造的训练集做图像变换操作;考虑到时间成本,本文每隔5帧对一帧视频做相应的图像变换;

4)训练检测器:将步骤3.5)中经过变换后的图片输入目标检测器,得到每帧的类置信度矩阵;用该矩阵训练对抗样本检测器;这里取交叉熵作为检测器的损失函数:如式(8):式中,m表示训练集总数,x表示训练集,y表示x的标签,h()表示样本x的标签为1的概率。