欢迎来到知嘟嘟! 联系电话:13336804447 卖家免费入驻,海量在线求购! 卖家免费入驻,海量在线求购!
知嘟嘟
我要发布
联系电话:13336804447
知嘟嘟经纪人
收藏
专利号: 2019106288180
申请人: 衡阳师范学院
专利类型:发明专利
专利状态:已下证
专利领域: 光学
更新日期:2025-04-08
缴费截止日期: 暂无
价格&联系人
年费信息
委托购买

摘要:

权利要求书:

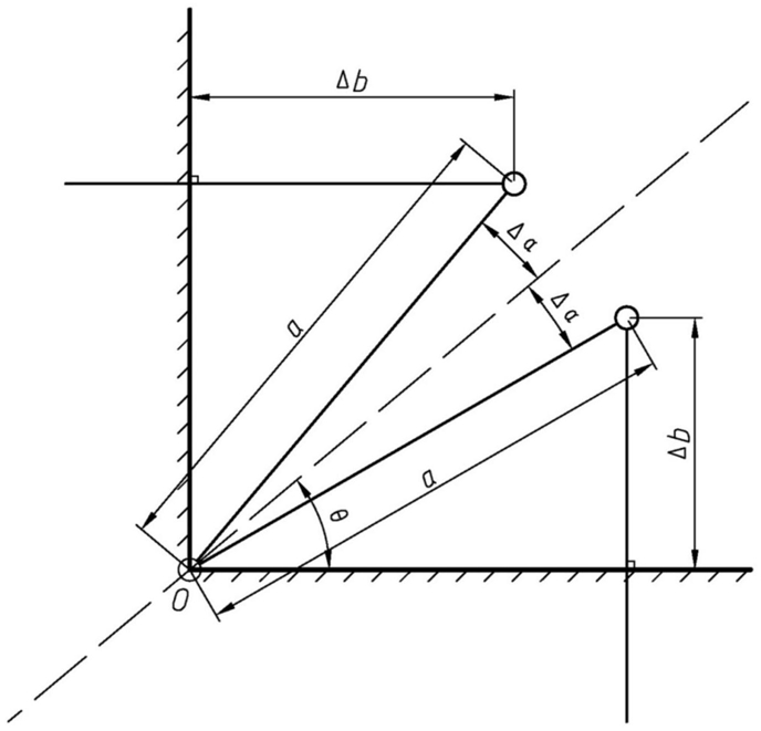
1.一种光学元件角度精密调整方法,其特征在于,由两组调整机构呈90度对向布置组成,在其中一组调整机构中,有一根长度为a的连杆一端铰接在O点处,可绕O点进行转动,令其转动角度为θ,连杆的另一端铰接有一丝杆,丝杆的导程为s,连杆与丝杆起始角度为90度,丝杆转动会使两杆铰接处沿固定方向轴向移动,其轴向移动距离为Δb,丝杆转动圈数为n,故Δb=s×n;连杆转动角度与丝杆转动圈数的关系为sinθ=s×n÷a,在确定需要调整角度θ的情况下,可将元件的转动角度转化为丝杆的圈数,n=a×sinθ÷s,相当于将光学元件的转动角度进行了放大;在实际使用过程中,存在着由加工所带来的误差,故在需要角度为θ的情况下,实际产生的角度为θ+Δα,Δα为误差且可正可负;由于两组调整机构间呈

90度对向布置组成,两根连杆均铰接在O处,设两组调整机构间误差相同,则另一组调整机构在同样条件下的实际角度为θ-Δα,综合两连杆的角度求平均值可得所需角度θ=(θ+Δα)+(θ-Δα)÷2。

2.一种光学元件角度精密调整装置,其特征在于,包括基座、元件座、连杆一、连杆二、调节齿轮、螺纹套、丝杆、滑块一、滑块二,所述基座上有两根呈90度的轨道,在两根轨道的交点处铰接有元件座,所述元件座上铰接有所述连杆一和所述连杆二,所述元件座中有调节齿轮对所述连杆一和所述连杆二的转动角度求平均值,所述基座上的两根轨道中分别有所述滑块一和所述滑块二,所述滑块一铰接有所述丝杆,所述滑块二铰接有另一根所述丝杆,每一根所述丝杆上有螺纹套,两个所述螺纹套分别铰接连接在所述连杆一和所述连杆二的另一端;随着所述丝杆的转动,所述螺纹套会在所述丝杆上进行移动,使得所述连杆一和所述连杆二转动一定角度,通过所述调节齿轮会使所述元件座转动的角度为所述连杆一和所述连杆二的平均值,消除转动过程中的误差。

3.根据权利要求2所述一种光学元件角度精密调整装置,其特征在于,所述元件座中有两个调节齿轮,两调节齿轮位于所述元件座内部侧面且对向布置,所述连杆一在元件座中连接有齿轮一,所述连杆二在元件座中连接有齿轮二,所述齿轮一和所述齿轮二对向布置,所述齿轮一同时与两调节齿轮啮合,所述齿轮二同时与两调节齿轮啮合。

4.根据权利要求3所述一种光学元件角度精密调整装置,其特征在于,所述调节齿轮、齿轮一、齿轮二均为锥齿轮。

5.根据权利要求2所述一种光学元件角度精密调整装置,其特征在于,所述螺纹套长度大于所述螺纹套螺纹孔直径的三倍;所述滑块一和所述滑块二的厚度大于所述滑块一和所述滑块二铰接孔直径的三倍;所述滑块一和所述滑块二长度大于所述滑块一和所述滑块二最大厚度的三倍。

6.根据权利要求2所述一种光学元件角度精密调整装置,其特征在于,所述丝杆一端有手轮,所述手轮上有刻度,所述滑块一和滑块二上均有指针辅助手轮进行转动。

7.根据权利要求2所述一种光学元件角度精密调整装置,其特征在于,所述连杆一和所述连杆二的转动面不在同一平面上。

8.根据权利要求2所述一种光学元件角度精密调整装置,其特征在于,所述基座中轨道的两端有限位块。