欢迎来到知嘟嘟! 联系电话:13336804447 卖家免费入驻,海量在线求购! 卖家免费入驻,海量在线求购!
知嘟嘟
我要发布
联系电话:13336804447
知嘟嘟经纪人
收藏
专利号: 2019105131990
申请人: 浙江工业大学
专利类型:发明专利
专利状态:已下证
专利领域: 发电、变电或配电
更新日期:2023-12-11
缴费截止日期: 暂无
价格&联系人
年费信息
委托购买

摘要:

权利要求书:

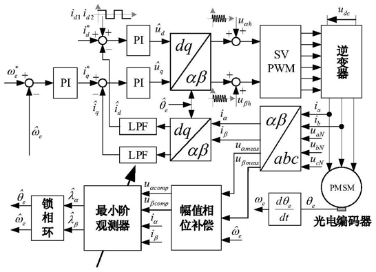
1.一种基于永磁同步电机相电压测量的无位置传感器控制方法,其特征在于:所述控制方法包括以下步骤:步骤1,通过电压测量电路实时采样滤波后的三相电压,过程如下:

1.1由线电压和共模电压组成的三个端电压表示如下式中,uaNmeas,ubNmeas,ucNmeas为三相端电压,uan,ubn,ucn为三相线电压,unN为共模电压;

1.2αβ坐标上的两个相电压通过Clarke变换计算得出式中,uaNmeas,ubNmeas,ucNmeas为三相端电压,uαmeas,uβmeas为αβ轴测量的相电压;

步骤2,计算针对测量电压的幅值和相位补偿,过程如下:

2.1由于相电压为高频脉冲,所以需要低通滤波器LPF用于去除高频谐波,但是LPF将导致幅值衰减和相位延迟;因此,需要补偿测量电压的幅值和相位;首先,获得该LPF的传递函数式中,等效电阻Req=R1R2/(R1+R2);

2.2 LPF的截止频率表示为

式中,fc为截止频率;

2.3基于截止频率fc和基波电压频率fe,幅值补偿和相位补偿确定为式中,fe为基波电压频率,Acomp为幅值补偿,θcomp为相位补偿;

2.4根据公式(5),得αβ轴补偿电压为式中,uαcomp、uβcomp分别为αβ轴补偿电压;

步骤3,使用基于有效磁链模型的无位置传感器控制,过程如下:

3.1在定子坐标下PMSM的有效磁链模型为式中,uα、uβ、iα、iβ分别为两相静止坐标系中的电压和电流,Rs为定子电阻,Ld、Lq分别为dq轴电感,p为微分算子,λα、λβ分别为αβ轴上的磁链;

3.2定义活动磁链矢量λ为

式中,θe为转子的电气位置,ψaf=(Ld-Lq)id+ψf为有效磁链,ψf为永磁体磁链;

3.3根据公式(7)和(8),状态方程式推导为式中,v=[vα vβ]T为αβ轴的电压矢量,i=[iα iβ]T为αβ轴的电流矢量,λ=[λα λβ]T为αβ轴的磁链矢量,A11=-(R/Lq)I,A12=-(ωe/Lq)J,A22=ωeJ,B1=(1/Lq)I为方程的系数矩阵,为线性化误差, 为方程的系数矩阵;

公式(9)中的W项是线性化误差;这个项只有在id改变时才会出现;然而,由于电流控制回路的高响应,这在很短的时间内发生;此外,所提出的最小阶观测器具有嵌入式低通滤波器,能够削弱W的影响;

3.4为了估计公式(9)描述系统中的状态λ,最小阶观测器被构造为式中,“∧”和“~”分别表示观测器中的估计值和参数的标称值;

3.5 G是观测器的收益,并且跟观测器的极点有关式中,α和β分别是极点的实部和虚部;

3.6在获得λα和λβ之后,通过锁相环得到估计位置和估计速度。