欢迎来到知嘟嘟! 联系电话:13336804447 卖家免费入驻,海量在线求购! 卖家免费入驻,海量在线求购!
知嘟嘟
我要发布
联系电话:13336804447
知嘟嘟经纪人
收藏
专利号: 2019104947179
申请人: 中国矿业大学
专利类型:发明专利
专利状态:已下证
专利领域: 发电、变电或配电
更新日期:2024-01-05
缴费截止日期: 暂无
价格&联系人
年费信息
委托购买

摘要:

权利要求书:

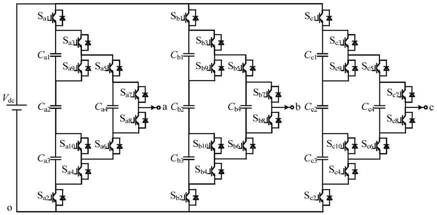
1.一种五电平电力电子变换器,其特征是:变换器的拓扑结构包括:三个与直流母线并联连接的桥臂单元,每个桥臂单元结构相同,包括10个绝缘栅双极晶体管Sx1-Sx10和4个飞跨电容Cx1-Cx4;

每个桥臂单元中飞跨电容Cx1,Cx2和Cx3顺向连接,绝缘栅双极晶体管Sx1的集电极与直流母线的正极相连,发射极与飞跨电容Cx1的正极相连,绝缘栅双极晶体管Sx2的集电极与飞跨电容Cx3的负极相连,发射极与直流母线的负极相连;绝缘栅双极晶体管Sx3的集电极与绝缘栅双极晶体管Sx1的发射极和飞跨电容Cx1正极连线的中点相连,发射极与绝缘栅双极晶体管Sx9的集电极相连,绝缘栅双极晶体管Sx9的发射极与飞跨电容Cx1负极和Cx2正极连线的中点相连;绝缘栅双极晶体管Sx10的集电极与飞跨电容Cx2负极和Cx3正极连线的中点相连,发射极与绝缘栅双极晶体管Sx4的集电极相连,绝缘栅双极晶体管Sx4的发射极与飞跨电容Cx3负极和绝缘栅双极晶体管Sx2的集电极连线的中点相连;绝缘栅双极晶体管Sx5的集电极与绝缘栅双极晶体管Sx3的发射极和Sx9的集电极连线的中点相连,发射极与飞跨电容Cx4的正极相连;飞跨电容Cx4的负极与绝缘栅双极晶体管Sx6的集电极相连,绝缘栅双极晶体管Sx6的发射极与绝缘栅双极晶体管Sx10的发射极和Sx4的集电极连线的中点相连;绝缘栅双极晶体管Sx7的集电极与绝缘栅双极晶体管Sx5的发射极和飞跨电容Cx4正极连线的中点相连,发射极与绝缘栅双极晶体管Sx8的集电极相连;绝缘栅双极晶体管Sx8的发射极与飞跨电容Cx4负极和绝缘栅双极晶体管Sx6集电极连线的中点相连;

绝缘栅双极晶体管Sx7的发射极与绝缘栅双极晶体管Sx8的集电极之间设有与负载连接的输出端;所述的x表示为桥臂,即:a桥臂、b桥臂和c桥臂。

2.采用权利要求1所述的一种五电平电力电子变换器,其特征是:每个桥臂单元即每相输出电压Vxo受控制器触发控制,所述的控制器为常规的触发控制器,分别控制桥臂单元中的绝缘栅双极晶体管,控制输出电压分别为Vdc、3Vdc/4、Vdc/2、Vdc/4和0;Vdc表示直流母线电压,并定义绝缘栅双极晶体管开关状态,1为导通,0为关断。

3.一种用于控制权利要求2所述的一种五电平电力电子变换器的方法,其特征是:当变换器输出电压为Vdc时,变换器输出电平数为4,此时只有一种开关状态A,绝缘栅双极晶体管Sx1,Sx3,Sx5,Sx7和Sx10导通,当电流大于0时,通过绝缘栅双极晶体管Sx1,Sx3,Sx5,Sx7流出变换器,当电流小于0时,通过并联在绝缘栅双极晶体管Sx1,Sx3,Sx5,Sx7发射极和集电极之间的体二极管流入变换器。

4.一种用于控制权利要求2所述的一种五电平电力电子变换器的方法,其特征是:当变换器输出电压为3Vdc/4时,变换器输出电平数为3,此时有4种开关状态B1-B4:当开关状态为B1时,绝缘栅双极晶体管Sx1,Sx4,Sx5,Sx7和Sx9导通,当电流大于0时,通过绝缘栅双极晶体管Sx1,Sx5,Sx7和绝缘栅双极晶体管Sx9的体二极管流出变换器,当电流小于0时,通过绝缘栅双极晶体管Sx1,Sx5,Sx7的体二极管和绝缘栅双极晶体管Sx9流入变换器,此时电流流经飞跨电容Cx1;当开关状态为B2时,绝缘栅双极晶体管Sx2,Sx3,Sx5,Sx7和Sx10导通,当电流大于0时,电流通过绝缘栅双极晶体管Sx3,Sx5,Sx7和绝缘栅双极晶体管Sx2的体二极管流出变换器,当电流小于0时,通过绝缘栅双极晶体管Sx3,Sx5,Sx7的体二极管和绝缘栅双极晶体管Sx2流入变换器,此时电流流经飞跨电容Cx1,Cx2和Cx3;当开关状态为B3时,绝缘栅双极晶体管Sx1,Sx3,Sx6,Sx7和Sx10导通,当电流大于0时,电流通过绝缘栅双极晶体管Sx1,Sx7,Sx10和绝缘栅双极晶体管Sx6的体二极管流出变换器,当电流小于0时,通过绝缘栅双极晶体管Sx1,Sx7,Sx10的体二极管和绝缘栅双极晶体管Sx6流入变换器,此时电流流经飞跨电容Cx1,Cx2和Cx4;当开关状态为B4时,绝缘栅双极晶体管Sx1,Sx3,Sx5,Sx8和Sx10导通,当电流大于0时,电流通过绝缘栅双极晶体管Sx1,Sx3,Sx5和绝缘栅双极晶体管Sx8的体二极管流出变换器,当电流小于0时,通过绝缘栅双极晶体管Sx1,Sx3,Sx5的体二极管和绝缘栅双极晶体管Sx8流入变换器,此时电流流经飞跨电容Cx4。

5.一种用于控制权利要求2所述的一种五电平电力电子变换器的方法,其特征是:当变换器输出电压为Vdc/2时,变换器输出电平数为2,此时有6种开关状态C1-C6:当开关状态为C1时,绝缘栅双极晶体管Sx1,Sx4,Sx5,Sx8和Sx9导通,当电流大于0时,电流通过绝缘栅双极晶体管Sx1,Sx5和绝缘栅双极晶体管Sx8,Sx9的体二极管流出变换器,当电流小于0时,通过绝缘栅双极晶体管Sx1,Sx5的体二极管和绝缘栅双极晶体管Sx8,Sx9流入变换器,此时电流流经飞跨电容Cx1和Cx4;当开关状态为C2时,绝缘栅双极晶体管Sx2,Sx3,Sx6,Sx7和Sx10导通,当电流大于0时,电流通过绝缘栅双极晶体管Sx7,Sx10和绝缘栅双极晶体管Sx2,Sx6的体二极管流出变换器,当电流小于0时,通过绝缘栅双极晶体管Sx7,Sx10的体二极管和绝缘栅双极晶体管Sx2,Sx6流入变换器,此时电流流经飞跨电容Cx3和Cx4;当开关状态为C3时,绝缘栅双极晶体管Sx1,Sx4,Sx6,Sx7和Sx9导通,当电流大于0时,电流通过绝缘栅双极晶体管Sx1,Sx7和绝缘栅双极晶体管Sx4,Sx6的体二极管流出变换器,当电流小于0时,通过绝缘栅双极晶体管Sx1,Sx7的体二极管和绝缘栅双极晶体管Sx4,Sx6流入变换器,此时电流流经所有的飞跨电容;当开关状态为C4时,绝缘栅双极晶体管Sx2,Sx3,Sx5,Sx8和Sx10导通,当电流大于0时,电流通过绝缘栅双极晶体管Sx3,Sx5和绝缘栅双极晶体管Sx2,Sx8的体二极管流出变换器,当电流小于0时,通过绝缘栅双极晶体管Sx3,Sx5的体二极管和绝缘栅双极晶体管Sx2,Sx8流入变换器,此时电流流经所有的飞跨电容;当开关状态为C5时,绝缘栅双极晶体管Sx1,Sx3,Sx6,Sx8和Sx10导通,当电流大于0时,电流通过绝缘栅双极晶体管Sx1,Sx10和绝缘栅双极晶体管Sx6,Sx8的体二极管流出变换器,当电流小于0时,通过绝缘栅双极晶体管Sx1,Sx10的体二极管和绝缘栅双极晶体管Sx6,Sx8流入变换器,此时电流流经飞跨电容Cx1和Cx2;当开关状态为C6时,绝缘栅双极晶体管Sx2,Sx4,Sx5,Sx7和Sx9导通,当电流大于0时,电流通过绝缘栅双极晶体管Sx5,Sx7和绝缘栅双极晶体管Sx2,Sx9的体二极管流出变换器,当电流小于0时,通过绝缘栅双极晶体管Sx5,Sx7的体二极管和绝缘栅双极晶体管Sx2,Sx9流入变换器,此时电流流经飞跨电容Cx2和Cx3。

6.一种用于控制权利要求2所述的一种五电平电力电子变换器的方法,其特征是:当变换器输出电压为Vdc/4时,变换器输出电平数为1,此时有4种开关状态D1-D4:当开关状态为D1时,绝缘栅双极晶体管Sx1,Sx4,Sx6,Sx8和Sx9导通,当电流大于0时,电流通过绝缘栅双极晶体管Sx1和绝缘栅双极晶体管Sx4,Sx6,Sx8的体二极管流出变换器,当电流小于0时,通过绝缘栅双极晶体管Sx1的体二极管和绝缘栅双极晶体管Sx4,Sx6,Sx8流入变换器,此时电流流经飞跨电容Cx1,Cx2和Cx3;当开关状态为D2时,绝缘栅双极晶体管Sx2,Sx3,Sx6,Sx8和Sx10导通,当电流大于0时,电流通过绝缘栅双极晶体管Sx10和绝缘栅双极晶体管Sx2,Sx6,Sx8的体二极管流出变换器,当电流小于0时,通过绝缘栅双极晶体管Sx10的体二极管和绝缘栅双极晶体管Sx2,Sx6,Sx8流入变换器,此时电流流经飞跨电容Cx3;当开关状态为D3时,绝缘栅双极晶体管Sx2,Sx4,Sx5,Sx8和Sx9导通,当电流大于0时,电流通过绝缘栅双极晶体管Sx5和绝缘栅双极晶体管Sx2,Sx8,Sx9的体二极管流出变换器,当电流小于0时,通过绝缘栅双极晶体管Sx5的体二极管和绝缘栅双极晶体管Sx2,Sx8,Sx9流入变换器,此时电流流经飞跨电容Cx2,Cx3和Cx4;当开关状态为D4时,绝缘栅双极晶体管Sx2,Sx4,Sx6,Sx7和Sx9导通,当电流大于0时,电流通过绝缘栅双极晶体管Sx7和绝缘栅双极晶体管Sx2,Sx4,Sx6的体二极管流出变换器,当电流小于0时,通过绝缘栅双极晶体管Sx7的体二极管和绝缘栅双极晶体管Sx2,Sx4,Sx6流入变换器,此时电流流经飞跨电容Cx4。

7.一种用于控制权利要求2所述的一种五电平电力电子变换器的方法,其特征是:当变换器输出电压为0时,变换器输出电平数为0,此时只有一种开关状态E,绝缘栅双极晶体管Sx2,Sx4,Sx6,Sx8和Sx9导通,当电流大于0时,通过绝缘栅双极晶体管Sx2,Sx4,Sx6,Sx8的体二极管流出变换器,当电流小于0时,通过绝缘栅双极晶体管Sx2,Sx4,Sx6,Sx8流入变换器。