欢迎来到知嘟嘟! 联系电话:13336804447 卖家免费入驻,海量在线求购! 卖家免费入驻,海量在线求购!
知嘟嘟
我要发布
联系电话:13336804447
知嘟嘟经纪人
收藏
专利号: 2019104489217
申请人: 中国矿业大学
专利类型:发明专利
专利状态:已下证
专利领域: 发电、变电或配电
更新日期:2024-01-05
缴费截止日期: 暂无
价格&联系人
年费信息
委托购买

摘要:

权利要求书:

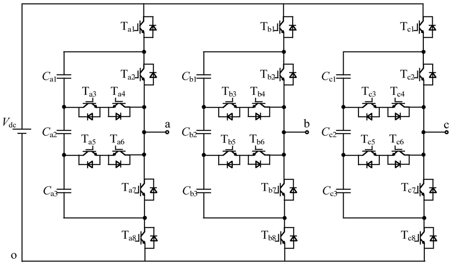
1.一种五电平混合π型变换器,其特征在于:它包括三个与直流母线并联连接的桥臂单元,每个桥臂单元包括8个绝缘栅双极晶体管和3个飞跨电容;

每个桥臂单元中的3个飞跨电容顺向串联,8个绝缘栅双极晶体管中有4个绝缘栅双极晶体管的集电极与发射极顺向串联,3个顺向串联的飞跨电容分别为飞跨电容Cx1、飞跨电容Cx2和飞跨电容Cx3,4个顺向串联的绝缘栅双极晶体管分别为绝缘栅双极晶体管Tx1,绝缘栅双极晶体管Tx2,绝缘栅双极晶体管Tx7和绝缘栅双极晶体管Tx8,其中飞跨电容Cx1的正极与绝缘栅双极晶体管Tx1的发射极与绝缘栅双极晶体管Tx2的集电极之间相连接,飞跨电容Cx1的负极与飞跨电容Cx2的正极相连接,飞跨电容Cx1的负极与绝缘栅双极晶体管Tx2的发射极之间串联有绝缘栅双极晶体管Tx3和绝缘栅双极晶体管Tx4,其中绝缘栅双极晶体管Tx3的集电极与飞跨电容Cx1的负极相连接,绝缘栅双极晶体管Tx3的发射极与绝缘栅双极晶体管Tx4的发射极相连接,绝缘栅双极晶体管Tx4的集电极与绝缘栅双极晶体管Tx2的发射极相连接,飞跨电容Cx2的负极与飞跨电容Cx3的正极相连接,飞跨电容Cx2的负极与绝缘栅双极晶体管Tx7的集电极之间串联有绝缘栅双极晶体管Tx5和绝缘栅双极晶体管Tx6,其中绝缘栅双极晶体管Tx5的集电极与飞跨电容Cx2的负极相连接,绝缘栅双极晶体管Tx5的发射极与绝缘栅双极晶体管Tx6的发射极相连接,绝缘栅双极晶体管Tx6的集电极与绝缘栅双极晶体管Tx7的集电极相连接,飞跨电容Cx3的负极与绝缘栅双极晶体管Tx7的发射极与绝缘栅双极晶体管Tx8的集电极的连接点相连接;

绝缘栅双极晶体管Tx4的集电极与绝缘栅双极晶体管Tx6的集电极之间设有与负载连接的输出端,绝缘栅双极晶体管Tx2的发射极与绝缘栅双极晶体管Tx7的集电极相连接。

2.根据权利要求1所述的五电平混合π型变换器,其特征在于:使用Vdc表示直流母线电压,则每相输出电压Vxo分别为Vdc、3Vdc/4、Vdc/2、Vdc/4和0,并定义绝缘栅双极晶体管开关状态1为导通,0为关断。

3.根据权利要求1或2所述的五电平混合π型变换器,其特征在于:当变换器输出电平数为4时,直流电压源输出电压为Vdc,此时只有一种开关状态A,绝缘栅双极晶体管Tx1和绝缘栅双极晶体管Tx2导通,当电流大于0时,通过绝缘栅双极晶体管Tx1和绝缘栅双极晶体管Tx2流出变换器,当电流小于0时,通过绝缘栅双极晶体管Tx1的体二极管和绝缘栅双极晶体管Tx2的体二极管流入变换器。

4.根据权利要求1或2所述的五电平混合π型变换器,其特征在于:当变换器输出电平数为3时,变换器输出电压为3Vdc/4,此时有两种开关状态B1和B2:当开关状态为B1时,绝缘栅双极晶体管Tx1、绝缘栅双极晶体管Tx3和绝缘栅双极晶体管Tx4导通,当电流大于0时,电流通过绝缘栅双极晶体管Tx4的体二极管,绝缘栅双极晶体管Tx1和绝缘栅双极晶体管Tx3流出变换器,当电流小于0时,电流通过绝缘栅双极晶体管Tx1的体二极管和绝缘栅双极晶体管Tx3的体二极管,绝缘栅双极晶体管Tx4流入变换器,此时电流流经飞跨电容Cx1;当开关状态为B2时,绝缘栅双极晶体管Tx2和绝缘栅双极晶体管Tx8导通,电流大于0时通过绝缘栅双极晶体管Tx8的体二极管,绝缘栅双极晶体管Tx2流出变换器,当电流小于0时通过绝缘栅双极晶体管Tx2的体二极管,绝缘栅双极晶体管Tx8流入变换器,此时电流流经所有的飞跨电容。

5.根据权利要求1或2所述的五电平混合π型变换器,其特征在于:当变换器输出电平数为2时,变换器输出电压为Vdc/2,此时有两种开关状态C1和C2:当开关状态为C1时,绝缘栅双极晶体管Tx1、绝缘栅双极晶体管Tx5和绝缘栅双极晶体管Tx6导通,当电流大于0时,通过绝缘栅双极晶体管Tx6的体二极管,绝缘栅双极晶体管Tx1和绝缘栅双极晶体管Tx5流出变换器,当电流小于0时,通过绝缘栅双极晶体管Tx1的体二极管和绝缘栅双极晶体管Tx5的体二极管,绝缘栅双极晶体管Tx6流入变换器,此时电流流经飞跨电容Cx1和飞跨电容Cx2;当开关状态为C2时,绝缘栅双极晶体管Tx3,绝缘栅双极晶体管Tx4和绝缘栅双极晶体管Tx8导通,当电流大于0时,通过绝缘栅双极晶体管Tx4的体二极管和绝缘栅双极晶体管Tx8的体二极管,绝缘栅双极晶体管Tx3流出变换器,当电流小于0时,通过绝缘栅双极晶体管Tx3的体二极管,绝缘栅双极晶体管Tx4和绝缘栅双极晶体管Tx8流入变换器,此时电流流经飞跨电容Cx2和飞跨电容Cx3。

6.根据权利要求1或2所述的五电平混合π型变换器,其特征在于:当变换器输出电平数为1时,变换器输出电压为Vdc/4,此时有两种开关状态D1和D2:当开关状态为D1时,绝缘栅双极晶体管Tx1和绝缘栅双极晶体管Tx7导通,当电流大于0时,通过绝缘栅双极晶体管Tx7的体二极管,绝缘栅双极晶体管Tx1流出变换器,当电流小于0时,通过绝缘栅双极晶体管Tx1的体二极管,绝缘栅双极晶体管Tx7流入变换器,此时电流流经所有的飞跨电容;当开关状态为D2时,绝缘栅双极晶体管Tx5,绝缘栅双极晶体管Tx6和绝缘栅双极晶体管Tx8导通,当电流大于0时,通过绝缘栅双极晶体管Tx6的体二极管和绝缘栅双极晶体管Tx8的体二极管,绝缘栅双极晶体管Tx5流出变换器,当电流小于0时,通过绝缘栅双极晶体管Tx5的体二极管,绝缘栅双极晶体管Tx6和绝缘栅双极晶体管Tx8流入变换器,此时电流流经飞跨电容Cx3。

7.根据权利要求1或2所述的五电平混合π型变换器,其特征在于:当变换器输出电平数为0时,变换器输出电压为0,此时只有一种开关状态E:绝缘栅双极晶体管Tx7和绝缘栅双极晶体管Tx8导通,当电流大于0时,通过绝缘栅双极晶体管Tx7的体二极管和绝缘栅双极晶体管Tx8的体二极管流出变换器,当电流小于0时,通过绝缘栅双极晶体管Tx7和绝缘栅双极晶体管Tx8流入变换器。