欢迎来到知嘟嘟! 联系电话:13336804447 卖家免费入驻,海量在线求购! 卖家免费入驻,海量在线求购!
知嘟嘟
我要发布
联系电话:13336804447
知嘟嘟经纪人
收藏
专利号: 2019103980131
申请人: 燕山大学
专利类型:发明专利
专利状态:已下证
专利领域: 发电、变电或配电
更新日期:2024-02-23
缴费截止日期: 暂无
价格&联系人
年费信息
委托购买

摘要:

权利要求书:

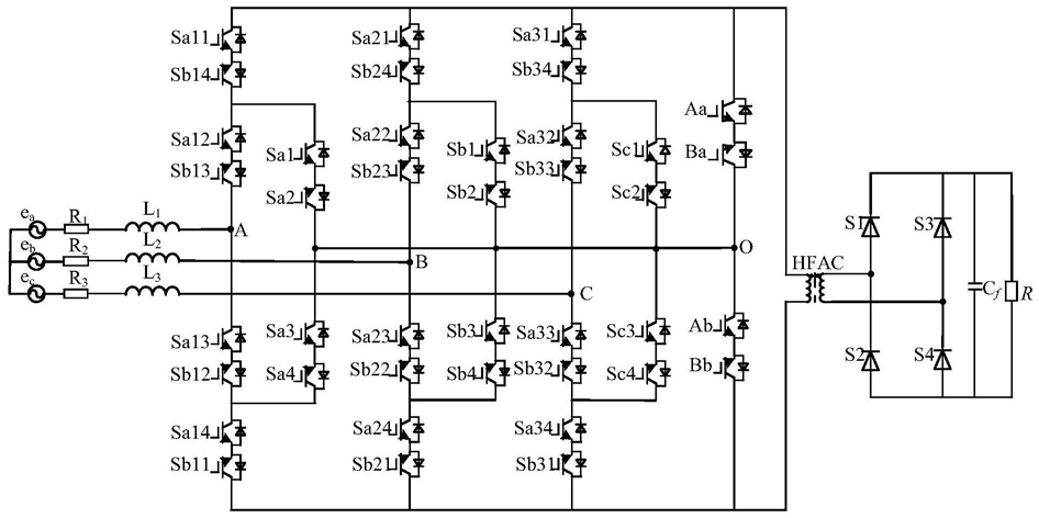
1.三相三电平高频链矩阵式整流器拓扑,包括电源网络和整流环节;其特征在于:还包括输入端与电源网络电连接,输出端与整流环节电连接的三相三电平矩阵式变换器;所述三相三电平矩阵式变换器的每一相包括四组双向开关单元,所述双向开关单元为共发射极反串联结构;所述三相三电平矩阵变换器还设置用双向开关单元分别替代中点钳位二极管、中点钳位电容的三电平结构。

2.根据权利要求1所述的三相三电平高频链矩阵式整流器拓扑,其特征在于:所述电源网络为三相电源,其在每一相的输出端依次串联线路阻抗、输入滤波电感后电连接三相三电平矩阵变换器。

3.根据权利要求1所述的三相三电平高频链矩阵式整流器拓扑,其特征在于:所述整流环节采用桥式整流。

4.根据权利要求1所述的三相三电平高频链矩阵式整流器拓扑,其特征在于:在三相三电平矩阵式变换器与整流环节之间串接高频变压器;所述高频变压器T原边与三相三电平矩阵式变换器输出端连接,T副边与整流环节输入端连接。

5.根据权利要求1或2所述的三相三电平高频链矩阵式整流器拓扑,其特征在于:在所述电源网络中,三相电网电压ea的正极与线路阻抗R1相连;三相电网电压eb的正极与线路阻抗R2相连;三相电网电压ec的正极与线路阻抗R3相连;线路阻抗R1与网侧输入滤波电感L1的一端相连;线路阻抗R2与网侧输入滤波电感L2的一端相连;线路阻抗R3与网侧输入滤波电感L3的一端相连;三相电网电压ea、eb、ec的负极相连。

6.根据权利要求1所述的三相三电平高频链矩阵式整流器拓扑,其特征在于:所述双向开关单元为两个可控开关管发射极相连。

7.根据权利要求1或4所述的三相三电平高频链矩阵式整流器拓扑,其特征在于:在所述三相三电平矩阵式变换器中,可控开关管Sb13的集电极以及可控开关管Sa13的集电极均与电源网络的A输出端相连;可控开关管Sb23的集电极以及可控开关管Sa23的集电极均与电源网络的B输出端相连;可控开关管Sb33的集电极以及可控开关管Sa33的集电极均与电源网络的C输出端相连;可控开关管Sa11的发射极与可控开关管Sb14的发射极相连,可控开关管Sa21的发射极与可控开关管Sb24的发射极相连,可控开关管Sa31的发射极与可控开关管Sb34的发射极相连,可控开关管Sa11的集电极、可控开关管Sa21的集电极以及可控开关管Sa31的集电极相连作为三相三电平矩阵式变换器输出端的一个接线端;可控开关管Sa14的发射极与可控开关管Sb11的发射极相连,可控开关管Sa24的发射极与可控开关管Sb21的发射极相连,可控开关管Sa34的发射极与可控开关管Sb31的发射极相连,可控开关管Sb11的集电极、可控开关管Sb21的集电极以及可控开关管Sb31的集电极相连作为三相三电平矩阵式变换器输出端的另一个接线端;可控开关管Sa12的发射极与可控开关管Sb13的发射极相连,可控开关管Sa12的集电极与可控开关管Sb14的集电极相连;可控开关管Sa22的发射极与可控开关管Sb23的发射极相连,可控开关管Sa22的集电极与可控开关管Sb24的集电极相连;可控开关管Sa32的发射极与可控开关管Sb33的发射极相连,可控开关管Sa32的集电极与可控开关管Sb34的集电极相连;可控开关管Sa13的发射极与可控开关管Sb12的发射极相连,可控开关管Sb12的集电极与可控开关管Sa14的集电极相连;可控开关管Sa23的发射极与可控开关管Sb22的发射极相连,可控开关管Sb22的集电极与可控开关管Sa24的集电极相连;可控开关管Sa33的发射极与可控开关管Sb32的发射极相连,可控开关管Sb32的集电极与可控开关管Sa34的集电极相连;可控开关管Sb13的集电极与可控开关管Sa13的集电极相连;可控开关管Sb23的集电极与可控开关管Sa23的集电极相连;可控开关管Sb33的集电极与可控开关管Sa33的集电极相连;

在用双向开关单元分别替代中点钳位二极管、中点钳位电容的三电平结构中,可控开关管Aa的发射极与可控开关管Ba的发射极相连,可控开关管Aa的集电极与三相三电平矩阵式变换器输出端的一个接线端相连;可控开关管Ab的发射极与可控开关管Bb的发射极相连,可控开关管Bb的集电极与三相三电平矩阵式变换器输出端的另一个接线端相连;

可控开关管Sa1的集电极分别与可控开关管Sa12的集电极、可控开关管Sb14的集电极相连;可控开关管Sb1的集电极分别与可控开关管Sa22的集电极、可控开关管Sb24的集电极相连;可控开关管Sc1的集电极分别与可控开关管Sa32的集电极、可控开关管Sb34的集电极相连;可控开关管Sa4的集电极分别与可控开关管Sb12的集电极、可控开关管Sa14的集电极相连;可控开关管Sb4的集电极分别与可控开关管Sb22的集电极、可控开关管Sa24的集电极相连;可控开关管Sc4的集电极分别与可控开关管Sb32的集电极、可控开关管Sa34的集电极相连;可控开关管Sa1的发射极与可控开关管Sa2的发射极相连;可控开关管Sa3的发射极与可控开关管Sa4的发射极相连;可控开关管Sb1的发射极与可控开关管Sb2的发射极相连;可控开关管Sb3的发射极与可控开关管Sb4的发射极相连;可控开关管Sc1的发射极与可控开关管Sc2的发射极相连;可控开关管Sc3的发射极与可控开关管Sc4的发射极相连;可控开关管Sa2的集电极与可控开关管Sa3的集电极、可控开关管Sb2的集电极、可控开关管Sb3的集电极、可控开关管Sc2的集电极、可控开关管Sc3的集电极、可控开关管Ba的集电极、可控开关管Ab的集电极相连。

8.根据权利要求1所述的三相三电平高频链矩阵式整流器拓扑,其特征在于:在所述整流环节中,整流环节输入端的一个接线端分别与不控整流二极管S1的正极、不控整流二极管S2的负极相连,整流环节输入端的另一个接线端分别与不控整流二极管S3的正极、不控整流二极管S4的负极相连;不控整流二极管S1的正极与不控整流二极管S2的负极相连作为整流环节输出端的一个接线端;不控整流二极管S3的正极与不控整流二极管S4的负极相连作为整流环节输出端的另一个接线端。

9.根据权利要求1或8所述的三相三电平高频链矩阵式整流器拓扑,其特征在于:所述整流环节的输出端连接滤波环节与负载的并联结构;所述滤波环节为输出滤波电容Cf。

10.基于权利要求1-9任一项权利要求所述三相三电平高频链矩阵式整流器拓扑的调制方法,其特征在于,所述调制方法将解结耦方法与双载波控制策略相结合,所述解结耦方法包括解耦和结耦两个步骤;所述解耦为分解双向开关单元电路为单向开关单元电路,将三相三电平高频链矩阵式整流器解耦成正负两组普通三相三电平PWM整流器;所述结耦为通过逻辑组合和变换生成解耦电路中各开关器件的驱动脉冲;其工作过程如下:电源网络输出电压经过线路阻抗、输入滤波电感,滤除交流侧电流中的高次谐波成分,使网侧电流正弦化,接着经过三相三电平矩阵变换器,得到正负交替的高频交流电压信号,进而通过高频变压器T进行电气隔离,最后通过不控整流桥以及输出滤波电容将高频交流电压转变成恒定的直流电压。