欢迎来到知嘟嘟! 联系电话:13095918853 卖家免费入驻,海量在线求购! 卖家免费入驻,海量在线求购!
知嘟嘟
我要发布
联系电话:13095918853
知嘟嘟经纪人
收藏
专利号: 2019102842628
申请人: 曲阜师范大学
专利类型:发明专利
专利状态:已下证
专利领域: 光学
更新日期:2024-01-05
缴费截止日期: 暂无
价格&联系人
年费信息
委托购买

摘要:

权利要求书:

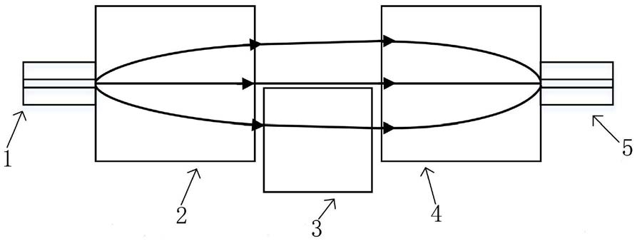
1.一种基于宽带光纤准直器的分波前马赫-曾德干涉仪,其特征在于:包括依次设置的第一光纤(1)、第一光纤准直器(2)、第二光纤准直器(4)和第二光纤(5),其中第一光纤准直器(2)连接在第一光纤(1)的后方,第一光纤准直器(2)与第二光纤准直器(4)的中心轴线在一条直线上,且第一光纤准直器(2)和第二光纤准直器(4)之间设有透明膜(3),第二光纤(5)连接在第二光纤准直器(4)的后方。

2.根据权利要求1所述的基于宽带光纤准直器的分波前马赫-曾德干涉仪,其特征在于:所述的透明膜(3)的两个透光面与第一光纤准直器(2)和第二光纤准直器(4)的中心轴线垂直,并且透明膜(3)部分遮挡第一光纤准直器(2)和第二光纤准直器(4)的端面。

3.根据权利要求1所述的基于宽带光纤准直器的分波前马赫-曾德干涉仪,其特征在于:所述的第一光纤准直器(2)和第二光纤准直器(4)为宽带光纤准直器,宽带光纤准直器为渐变折射率格林透镜或球面透镜。

4.根据权利要求1所述的基于宽带光纤准直器的分波前马赫-曾德干涉仪,其特征在于:所述的第一光纤(1)和第二光纤(5)为单模光纤。

5.根据权利要求1-4任一所述的一种基于宽带光纤准直器的分波前马赫-曾德干涉仪的实现方法,其特征在于:所述的方法包括以下步骤:①第一光纤(1)出射的宽带发散光束入射到第一光纤准直器(2),第一光纤准直器(2)把宽带发散光束转变为宽带平行高斯光束,并入射到透明膜(3);

②透明膜(3)的两个透光面与平行高斯光束的传播方向垂直,可以把宽带平行高斯光束的波前分割,波前被分割的宽带平行高斯光束入射到第二光纤准直器(4);

③经过第二光纤准直器(4)的高斯光束被会聚进入第二光纤(5),构造出一个分波前光纤马赫-曾德干涉仪。