欢迎来到知嘟嘟! 联系电话:13336804447 卖家免费入驻,海量在线求购! 卖家免费入驻,海量在线求购!
知嘟嘟
我要发布
联系电话:13336804447
知嘟嘟经纪人
收藏
专利号: 2019102659656
申请人: 六安市同心畅能电子科技有限公司
专利类型:发明专利
专利状态:已下证
专利领域: 其他类目不包含的电技术
更新日期:2026-03-02
缴费截止日期: 暂无
价格&联系人
年费信息
委托购买

摘要:

权利要求书:

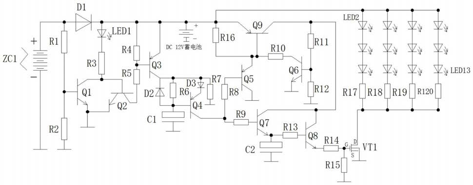
1.一种太阳能路灯智能控制电路,其特征在于包括:太阳能电池板ZC1、电阻R1-电阻R20、电容C1、电容C2、蓄电池、二极管D1、二极管D2、二极管D3、场效应管VT1、红色发光管LED1、白色发光管LED2-LED13;

其中,电阻R1一端和二极管D1正极接至太阳能电池板ZC1的正极端,太阳能电池板ZC1的负极端接地;所述电阻R1另一端和电阻R2一端均接至三极管Q1基极,电阻R2另一端和三极管Q1发射极均接地,所述二极管D1负极分别接至红色发光管LED1正极、电阻R4一端、三极管Q3发射极、蓄电池正极端、电阻R16一端、三极管Q9发射极及白色发光管LED2-LED13正极,所述红色发光管LED1负极经电阻R3分别接至三极管Q1集电极和三极管Q2基极,所述三极管Q2发射极接至三极管Q1发射极,所述三极管Q2集电极经电阻R5接至电阻R4另一端和三极管Q3基极,所述三极管Q3集电极接至二极管D2负极、电阻R6一端、二极管D3正极及电阻R7一端,所述电阻R7另一端接地,所述二极管D2正极、电阻R6另一端及电容C1一端均接至三极管Q4基极,电容C1另一端接地,所述三极管Q4集电极分别接至电阻R8一端和电阻R9一端,所述电阻R8另一端接至三极管Q5基极,三极管Q5发射极接地,三极管Q5集电极分别接至电阻R16另一端、电阻R10一端及三极管Q9基极,所述电阻R10另一端接至三极管Q6集电极,三极管Q6发射极接地,三极管Q6基极接至电阻R11和电阻R12一端,电阻R11另一端接至三极管Q9集电极,电阻R12另一端接地,所述三极管Q9集电极还接至三极管Q7集电极和三极管Q8集电极;

所述电阻R9另一端接至三极管Q7基极,所述三极管Q7发射极接至电阻C2和电阻R13一端,电容C2另一端接地,电阻R13另一端接至三极管Q8基极,三极管Q8发射极经电阻R14接至电阻R15一端和场效应管VT1栅极,所述场效应管VT1源级接地,所述场效应管VT1漏级经电阻R17-R20接至白色发光管LED2-LED13正极负极。

2.根据权利要求1所述的太阳能路灯智能控制电路,其特征在于:所述蓄电池为12V蓄电池。

3.根据权利要求2所述的太阳能路灯智能控制电路,其特征在于:所述的蓄电池为铅酸蓄电池。

4.根据权利要求1所述的太阳能路灯智能控制电路,其特征在于:所述电阻R16另一端和电阻R10一端与三极管加Q9基极连接。

5.根据权利要求1所述的太阳能路灯智能控制电路,其特征在于:所述白色发光管LED2-LED13分为四组,每组由4个LED串联而成。