欢迎来到知嘟嘟! 联系电话:13336804447 卖家免费入驻,海量在线求购! 卖家免费入驻,海量在线求购!
知嘟嘟
我要发布
联系电话:13336804447
知嘟嘟经纪人
收藏
专利号: 2019102637182
申请人: 中国计量大学
专利类型:发明专利
专利状态:已下证
专利领域: 发电、变电或配电
更新日期:2025-12-17
缴费截止日期: 暂无
价格&联系人
年费信息
委托购买

摘要:

权利要求书:

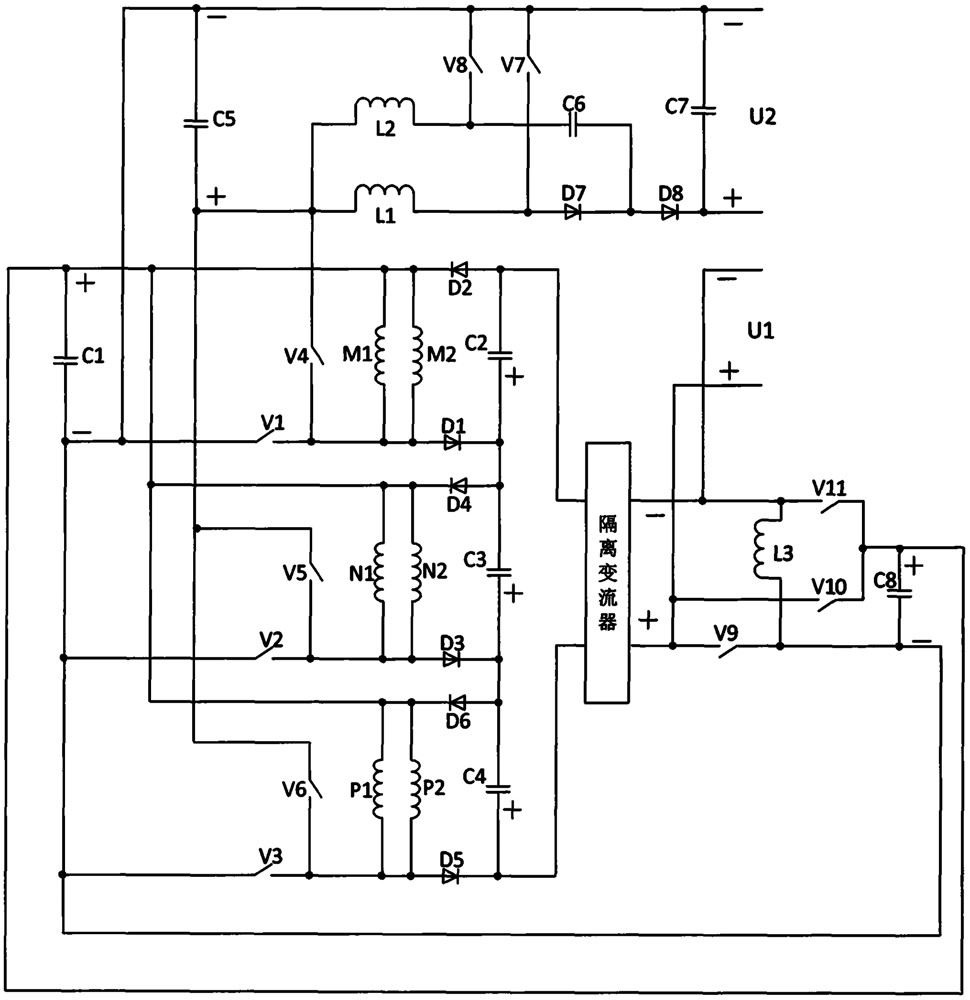
1.双端口自励双直流输出的开关磁阻发电机变流系统,由第一电容器、第二电容器、第三电容器、第四电容器、第五电容器、第六电容器、第七电容器、第八电容器、第一开关管、第二开关管、第三开关管、第四开关管、第五开关管、第六开关管、第七开关管、第八开关管、第九开关管、第十开关管、第十一开关管、第一相绕组、第二相绕组、第三相绕组、第一二极管、第二二极管、第三二极管、第四二极管、第五二极管、第六二极管、第七二极管、第八二极管、第一电感、第二电感、第三电感、隔离变流器组成,其技术特征是,所述第一电容器正极连接所述第一相绕组一端、所述第二二极管阴极、所述第二相绕组一端、所述第四二极管阴极、所述第三相绕组一端、所述第六二极管阴极、所述第八电容器正极、所述第十开关管阴极、所述第十一开关管阴极,第一电容器负极连接所述第一开关管阴极、所述第二开关管阴极、所述第三开关管阴极、所述第五电容器负极、所述第八开关管阴极、所述第七开关管阴极、所述第七电容器负极、所述第九开关管阴极、第八电容器负极、所述第三电感一端,第一相绕组另一端连接第一开关管阳极、所述第一二极管阳极、所述第四开关管阳极,第二相绕组另一端连接第二开关管阳极、所述第三二极管阳极、所述第五开关管阳极,第三相绕组另一端连接第三开关管阳极、所述第五二极管阳极、所述第六开关管阳极,第二二极管阳极连接所述第二电容器负极、所述隔离变流器输入负极端,第二电容器正极连接第一二极管阴极、所述第三电容器负极、第四二极管阳极,第三电容器正极连接第三二极管阴极、所述第四电容器负极、第六二极管阳极,第四电容器正极连接第五二极管阴极、隔离变流器输入正极端,第四开关管阴极连接第五开关管阴极、第六开关管阴极、第五电容器正极、所述第一电感一端、所述第二电感一端,第一电感另一端连接第七开关管阳极、所述第七二极管阳极,第二电感另一端连接第八开关管阳极、所述第六电容器一端,第六电容器另一端连接第七二极管阴极、所述第八二极管阳极,第八二极管阴极连接第七电容器正极,隔离变流器输出正极端连接第九开关管阳极、第十开关管阳极,隔离变流器输出负极端连接第三电感另一端、第十一开关管阳极;第一相绕组由第一相绕组第一支绕组、第一相绕组第二支绕组组成,其技术特征是,所述第一相绕组第一支绕组和第一相绕组第二支绕组并联连接;第二相绕组由第二相绕组第一支绕组、第二相绕组第二支绕组组成,其技术特征是,所述第二相绕组第一支绕组和所述第二相绕组第二支绕组并联连接;第三相绕组由第三相绕组第一支绕组、第三相绕组第二支绕组组成,其技术特征是,所述第三相绕组第一支绕组和所述第三相绕组第二支绕组并联连接。2.根据权利要求1所述的双端口自励双直流输出的开关磁阻发电机变流系统的控制方法为:当本发明的双端口自励双直流输出的开关磁阻发电机变流系统工作期间,需结合开关磁阻发电机的运行原理,根据实时的转子位置信息,各相绕组先后投入工作,每相绕组工作期间分为励磁阶段和发电阶段,并分时进行;当第一相绕组需投入工作时,首先闭合第一开关管,第一相绕组进入励磁阶段,根据转子位置信息及第一相绕组电流信息,励磁阶段结束的条件为到达需最迟关断的转子位置,如果没有到达最迟关断的转子位置但第一相绕组电流已达所需的电流值,则励磁阶段结束即关断第一开关管,进入发电阶段,发电阶段期间第四开关管的开关状态条件为:当第一电容器侧励磁电压在正常值范围以内时,第四开关管为闭合导通状态,当第一电容器侧励磁

电压低于励磁电压正常值下限即第一下限值时,第四开关管工作于PWM模式,励磁电压越低占空比越小,当励磁电压继续下降至第二下限值及以下时,第四开关管完全断开;当第二相绕组需投入工作时,首先闭合第二开关管,第二相绕组进入励磁阶段,根据转子位置信息及第二相绕组电流信息,励磁阶段结束的条件为到达需最迟关断的转子位置,如果没有到达最迟关断的转子位置但第二相绕组电流已达所需的电流值,则励磁阶段结束即关断第二开关管,进入发电阶段,发电阶段期间第五开关管的开关状态条件为:当第一电容器侧励磁电压在正常值范围以内时,第五开关管为闭合导通状态,当第一电容器侧励磁电压低于励磁电压正常值下限即第一下限值时,第五开关管工作于PWM模式,励磁电压越低占空比越小,当励磁电压继续下降至第二下限值及以下时,第五开关管完全断开;当第三相绕组需投入工作时,首先闭合第三开关管,第三相绕组进入励磁阶段,根据转子位置信息及第三相绕组电流信息,励磁阶段结束的条件为到达需最迟关断的转子位置,如果没有到达最迟关断的转子位置但第三相绕组电流已达所需的电流值,则励磁阶段结束即关断第三开关管,进入发电阶段,发电阶段期间第六开关管的开关状态条件为:当第一电容器侧励磁电压在正常值范围以内时,第六开关管为闭合导通状态,当第一电容器侧励磁电压低于励磁电压正常值下限即第一下限值时,第六开关管工作于PWM模式,励磁电压越低占空比越小,当励磁电压继续下降至第二下限值及以下时,第六开关管完全断开;当第五电容器侧电压在正常值范围内时,第七开关管和第八开关管在高于5KHZ的频率以上同频率开关工作,并且交错开关;第九开关管按照PWM模式工作;当第一电容器侧所需励磁电压需达到强励的电压值时,即处于对励磁电压正常值范围内的上半段需求时,第十开关管闭合导通,第十一开关管断开状态,第九开关管的PWM占空比根据对励磁电压的具体需求而调节;当对第一电容器侧励磁电压的需求为其正常值范围内下半段及以下时,第十开关管断开状态,第十一开关管闭合导通,第九开关管的PWM占空比根据对励磁电压的具体需求调节。