欢迎来到知嘟嘟! 联系电话:13336804447 卖家免费入驻,海量在线求购! 卖家免费入驻,海量在线求购!
知嘟嘟
我要发布
联系电话:13336804447
知嘟嘟经纪人
收藏
专利号: 2019102107472
申请人: 长春理工大学
专利类型:发明专利
专利状态:已下证
专利领域: 机床;其他类目中不包括的金属加工
更新日期:2023-12-11
缴费截止日期: 暂无
价格&联系人
年费信息
委托购买

摘要:

权利要求书:

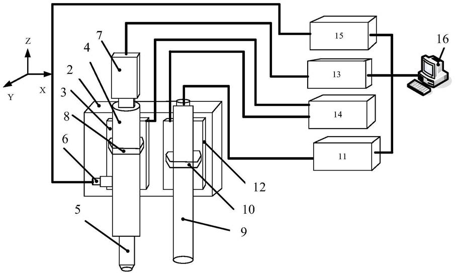
1.一种金刚石刀具切削刃磨损检测模块,其特征是:包括3R高精度气动转换夹具(1)、转接板(2)、显微镜筒Z向运动台(3)、单筒变倍显微镜筒(4)、显微物镜(5)、同轴点光源(6)、CCD相机(7)、镜筒夹具(8)、光谱共焦传感器(9)、光谱共焦传感器夹具(10)、光谱共焦控制器(11)、光谱共焦传感器Z向运动台(12)、图像采集卡(13)、运动控制器(14)、光源控制器(15)以及PC处理机(16),所述3R高精度气动转换夹具(1)安装在待检测的超精密机床上,所述转接板(2)设置在

3R高精度气动转换夹具(1)上;

所述显微镜筒Z向运动台(3)、显微镜筒(4)、显微物镜(5)、同轴点光源(6)、CCD相机(7)以及镜筒夹具(8)组成图像检测子模块,所述显微镜筒Z向运动台(3)设置在转接板(2)上,所述显微镜筒(4)通过镜筒夹具(8)设置在显微镜筒Z向运动台(3)上,所述显微物镜(5)设置在显微镜筒(4)的一端,所述CCD相机(7)设置在显微镜筒(4)的另一端,所述同轴点光源(6)设置在显微镜筒Z向运动台(3)上;

所述光谱共焦传感器(9)、光谱共焦传感器夹具(10)以及光谱共焦传感器Z向运动台(12)组成光谱共焦检测子模块,所述光谱共焦传感器(9)通过光谱共焦传感器夹具(10)设置在光谱共焦传感器Z向运动台(12)上;

所述光谱共焦控制器(11)与光谱共焦传感器(9)和PC处理机(16)通信连接;

所述运动控制器(14)分别与显微镜筒Z向运动台(3)和光谱共焦传感器Z向运动台(12)连接;

所述图像采集卡(13)与CCD相机(7)和PC处理机(16)通信连接;

所述光源控制器(15)与同轴点光源(6)和PC处理机(16)连接。

2.根据权利要求1所述一种金刚石刀具切削刃磨损检测模块,其特征是:所述显微镜筒(4)与光谱共焦传感器(9)沿X轴并排垂直布置。

3.根据权利要求1所述一种金刚石刀具切削刃磨损检测模块,其特征是:所述同轴点光源(6)可通过光源控制器(15)调节光强,且光源波长为可见光波段。

4.一种金刚石刀具切削刃磨损检测方法,其特征是:应用权利要求1所述的一种金刚石刀具切削刃磨损检测装置,包括标定过程和检测过程,其中标定过程包括以下步骤,且以下步骤顺次进行,

步骤一、通过图像检测子模块对标准圆模板成像,获得圆模板灰度图像;

步骤二、通过检测圆模板灰度图像进行亚像素圆轮廓提取,获得视场标定系数;

步骤三、将3R高精度气动转换夹具(1)安装在待检测的超精密机床上,并调装水平和垂直,将标准槽样块安装于超精密机床的X轴上,通过移动超精密机床的X轴,图像检测子模块扫描标准台阶样块,标定出显微成像中心和光谱共焦中心之间的XY方向偏差,并输入到PC处理机(16);

检测过程包括以下步骤,且以下步骤顺次进行,

步骤一、通过图像检测子模块对刀具表面获取图像,人工在图像中设置检测区域,通过所述标定过程步骤二中获得的标定系数,计算出检测区域的大小和始末位置;

步骤二、利用所述标定过程步骤三获得显微成像中心和光谱共焦中心之间的XY方向偏差,移动机床的XY轴至所述步骤一获得检测区域初始位置,设定XY采集步长,启动光谱共焦检测子模块对设定区域进行高度扫描;

步骤三、将设定区域图像灰度图进行基于阴影恢复算法SFS的高度图恢复计算;

步骤四、将所述步骤三中获得的高度图和所述步骤二扫描后的三维高度图进行融合处理,获得融合高度图;

步骤五、根据所述步骤四获得的融合高度图的高度分布,确定刀具未磨损基面;

步骤六、根据步骤五中的基面设置和融合高度图,计算当前刀具表面的磨损深度,磨损长度和磨损宽度。