欢迎来到知嘟嘟! 联系电话:13336804447 卖家免费入驻,海量在线求购! 卖家免费入驻,海量在线求购!
知嘟嘟
我要发布
联系电话:13336804447
知嘟嘟经纪人
收藏
专利号: 2019101875164
申请人: 江苏大学
专利类型:发明专利
专利状态:已下证
专利领域: 一般车辆
更新日期:2025-12-10
缴费截止日期: 暂无
价格&联系人
年费信息
委托购买

摘要:

权利要求书:

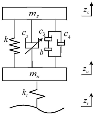
1.一种基于ADD正实网络优化的车辆ISD悬架一阶理想模型的方法,其特征在于,包括:步骤(1):建立ISD悬架四分之一模型:其中,ms为簧载质量,mu为非簧载质量,k为悬架的支撑弹簧刚度,cs为ADD控制的半主动阻尼系数,kt为轮胎等效弹簧刚度,zs为簧载质量的垂向位移, 为簧载质量的垂向速度,为簧载质量的垂向加速度,zu为非簧载质量的垂向位移, 为非簧载质量的垂向速度,为非簧载质量的垂向加速度,zr为路面不平度的垂向输入位移,T(s)为一次型正实网络的阻抗传递函数;对上述ISD悬架四分之一模型进行拉氏变换得到:其中,s为拉氏变量,Zs为簧载质量的垂向位移的拉普拉斯变换形式,Zu为非簧载质量的垂向位移的拉普拉斯变换形式,Zr为路面不平度的垂向输入位移的拉普拉斯变换形式;

步骤(2):一次型正实阻抗传递函数T(s)以速度型阻抗传递函数形式表示如下:其中,A、B、C、D为系数,取值均大于等于0,且C、D不全为0;

步骤(3):设置ADD的控制策略为:当车身加速度与簧载质量和非簧载质量的相对速度方向一致时,控制输入的阻尼系数为c1;反之,当车身加速度与簧载质量和非簧载质量的相对速度方向相反时,控制输入的阻尼系数为c2;阻尼系数cs需满足下式:其中,c1、c2为两个阻尼系数值,且满足下式:c1>0,c2>0;

步骤(4):选取路面不平度的位移输入模型;

步骤(5):采用人工鱼群优化算法来获得参数A、B、C、D、c1、c2;

步骤(6):根据优化结果,将获得的参数A、B、C、D、c1、c2代入一次型正实网络的阻抗传递函数T(s)的表达式依次通过最简的正实约束条件即得到车辆ISD悬架一阶理想模型。

2.根据权利要求1所述的一种基于ADD正实网络优化的车辆ISD悬架一阶理想模型的方法,其特征在于,其中,所述步骤(5)中采用人工鱼群优化算法来获得参数A、B、C、D、c1、c2。

3.根据权利要求2所述的一种基于ADD正实网络优化的车辆ISD悬架一阶理想模型的方法,其特征在于,所述步骤(5)中的人工鱼群优化算法包括:步骤(5.1):确定待优化参数为X=(A,B,C,D,c1,c2);

步骤(5.2):将车身加速度均方根值、悬架动行程均方根值和轮胎动载荷均方根值作为优化目标,并进行线性组合转换,得到一阶正实网络的车辆ISD悬架目标函数Y:其中,X1、X2、X3分别为待优化的一次型ISD悬架的车身加速度、悬架动行程与轮胎动载荷的均方根值,X1pas、X2pas、X3pas分别为传统被动悬架的车身加速度、悬架动行程与轮胎动载荷的均方根值,且X1≤X1pas,X2≤X2pas,X3≤X3pas;

步骤(5.3):觅食行为的具体算法为:其中,Xnext表示鱼群向前进一步的位置,rand()表示取值范围[‑1,1]内的随机数,Step表示鱼群移动的最大步长,Xi=(Ai,Bi,Ci,Di,c1i,c2i)为当前状态位置,Xj=(Aj,Bj,Cj,Dj,c1j,c2j)为随机状态位置,Yi与Yj分别表示所处位置的浓度,即目标函数Y的大小。

4.根据权利要求1所述的一种基于ADD正实网络优化的车辆ISD悬架一阶理想模型的方法,其特征在于,其中所述步骤(2)中正实约束条件为:A、B、C、D取值均大于0,且C、D不全为0。

5.根据权利要求1所述的一种基于ADD正实网络优化的车辆ISD悬架一阶理想模型的方法,其特征在于,其中所述步骤(4)具体为选取路面不平度的位移输入模型:其中,u表示行驶车速,Gq(n0)表示路面不平度系数,w(t)表示均值为零的高斯白噪声,zr为路面不平度的垂向输入位移。

6.根据权利要求1所述的一种基于ADD正实网络优化的车辆ISD悬架一阶理想模型的方法,其特征在于,其中所述步骤(4)具体为选取路面不平度的位移输入模型为:zr(t)=Amsin(2πft),其中,Am表示激励幅值,取值0.01m,f表示激振频率,取值范围为0.01‑15Hz。