欢迎来到知嘟嘟! 联系电话:13336804447 卖家免费入驻,海量在线求购! 卖家免费入驻,海量在线求购!
知嘟嘟
我要发布
联系电话:13336804447
知嘟嘟经纪人
收藏
专利号: 201910122999X
申请人: 淮阴工学院
专利类型:发明专利
专利状态:已下证
专利领域: 基本电子电路
更新日期:2025-03-25
缴费截止日期: 暂无
价格&联系人
年费信息
委托购买

摘要:

权利要求书:

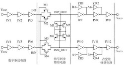
1.一种信号波形整形电路,其特征在于:包括依次级联的数字驱动电路、信号同步整形电路和占空比修调电路;

所述的数字驱动电路由三级反相器组成;所述三级反相器的尺寸逐级增大;

所述的信号同步整形电路由8个晶体管构成,其中,4个晶体管连接成受控电阻,4个晶体管连接成两个互耦的反相器;

所述的受控电阻由晶体管M1‑M4连接成两路受控电阻;受控电阻的阻值分别由连接成受控电阻的4个晶体管的栅极电压控制;两路受控电阻输入端的输入信号分别为INP和INN,输出端分别为INP_OUT和INN_OUT;所述的晶体管M1和晶体管M2的栅极与输入信号INN连接,晶体管M3和晶体管M4的栅极与输入信号INP连接;

所述的占空比修调电路由多个数字寄存器连接成两个信号支路,所述的信号支路上,在数字寄存器之间连接有信号路径节点;所述信号路径节点上连接有插入的电流源/电流漏的修调单元;插入的电流源/电流漏修调单元分别为CR1,CR2,CR3和CR4;所述两个信号支路分别各自连接了独立的修调单元,两个修调单元的接法相反。

2.根据权利要求1所述的一种信号波形整形电路,其特征在于:所述的数字驱动电路包括两条信号通路,其中,第一条信号通路由反相器IV1、反相器IV2和反相器IV3依次串联构成,反相器IV1的前端连接有输入信号VINP;第二条信号通路由反相器IV4、反相器IV5和反相器IV6依次串联构成,反相器IV4的前端连接有输入信号VINN。

3.根据权利要求1所述的一种信号波形整形电路,其特征在于:所述的信号同步与整形电路由晶体管M1‑M8构成;其中,晶体管M1、晶体管M2、晶体管M3和晶体管M4构成受控电阻;

输入信号INP与晶体管M1和晶体管M2的源极连接,并与晶体管M3和晶体管M4的栅极连接;输入信号INN与晶体管M3和晶体管M4的源极连接,并与晶体管M1和晶体管M2的栅极连接;晶体管M1的漏极和晶体管M2的漏极连接,其输出端为INP_OUT;晶体管M3的漏极和晶体管M4的漏极连接,其输出端为INN_OUT。

4.根据权利要求3所述的一种信号波形整形电路,其特征在于:所述的晶体管M1‑M8,其中的晶体管M5、晶体管M6、晶体管M7和晶体管M8构成两个互耦的反相器,输出端INP_ OUT和输出端INN_OUT与两个互耦的反相器连接。

5.根据权利要求1所述的一种信号波形整形电路,其特征在于:所述的占空比修调电路由数字寄存器控制,并在信号路径节点上插入电流源/电流漏的修调单元,使得一条信号路径上升沿有延时,另一条信号路径下降沿有延时。

6.根据权利要求5所述的一种信号波形整形电路,其特征在于:所述的输出端INP_OUT与寄存器IV7的前端连接,寄存器IV7的后端依次连接有寄存器IV8和寄存器IV9,寄存器IV9的后端连接有输出端VOUTP;其中,在寄存器IV7和寄存器IV8之间插入的电流源/电流漏修调单元CR1,在寄存器IV8和寄存器IV9之间插入的电流源/电流漏修调单元CR2。

7.根据权利要求5所述的一种信号波形整形电路,其特征在于:输出端INN_OUT与寄存器IV10的前端连接,寄存器IV10的后端依次连接有寄存器IV11和寄存器IV12,寄存器IV12的后端连接有输出端VOUTN;其中,在寄存器IV10和寄存器IV11之间插入的电流源/电流漏修调单元CR3,在寄存器IV11和寄存器IV12之间插入的电流源/电流漏修调单元CR4。