欢迎来到知嘟嘟! 联系电话:13336804447 卖家免费入驻,海量在线求购! 卖家免费入驻,海量在线求购!
知嘟嘟
我要发布
联系电话:13336804447
知嘟嘟经纪人
收藏
专利号: 2018113995181
申请人: 上海侨晨电器有限公司
专利类型:发明专利
专利状态:已下证
专利领域: 机床;其他类目中不包括的金属加工
更新日期:2024-03-11
缴费截止日期: 暂无
价格&联系人
年费信息
委托购买

摘要:

权利要求书:

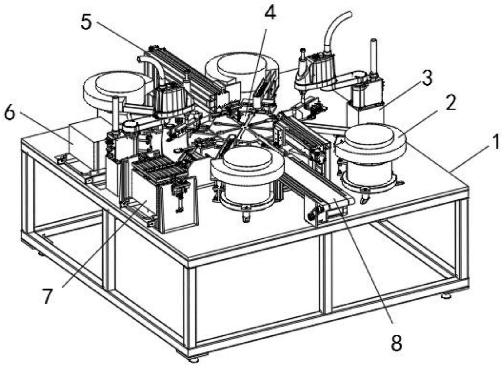
1.一种导轨式电子元器件组装设备,包括支架(1)以及固定安装在支架(1)顶部的料盘(4),其特征在于,所述支架(1)上安装有PLC控制器(6),所述PLC控制器(6)一侧安装电源(7),所述支架(1)上安装有四个送料盘(2)、两个涂胶架(3)以及两个夹具(5),所述料盘(4)中部设置有用于放置电子元器件主体框架的空白区域,且所述料盘(4)上设置有一个夹固轨道(30)以及与其相连接的对接轨道(31),所述对接轨道(31)靠近所述料盘(4)边缘的一端与出料传送带(8)相连接,所述出料传送带(8)安装在位于所述支架(1)上的安装架(34)上,所述安装架(34)侧壁底部安装有驱动电机(35),所述驱动电机(35)侧壁上连接有主动轴(36),所述主动轴(36)通过套接在其上的一根同步带(37)与位于所述出料传送带(8)端部的驱动轴(38)相连接,所述料盘(4)上还设置有两个涂胶轨道(33),两个所述涂胶轨道(33)分别与所述夹固轨道(30)、所述对接轨道(31)相垂直,且两个所述涂胶轨道(33)之间相连通,两个所述涂胶轨道(33)两侧均设置有进料轨道(32),所述进料轨道(32)靠近所述料盘(4)边缘的端部外壁上均安装有一个气泵(39),所述气泵(39)侧壁上连接有一根导入所述进料轨道(32)内部的气动伸缩推杆(40);四个所述送料盘(2)底部均设置有一个用于存放零配件的元件箱(9),且四个所述送料盘(2)侧壁上均连接有一个接轨(10),所述接轨(10)上设置有走料轨道(11),所述走料轨道(11)一端连接有朝下的出料嘴(12),且四个所述出料嘴(12)分别正对着四个所述进料轨道(32)靠近所述料盘(4)边缘的端部;两个所述涂胶架(3)关于料盘(4)对称设置在支架(1)上,其中一个涂胶架(3)位于PLC控制器(6)、电源(7)之间,且两个所述涂胶架(3)顶部均设置有调向电机(21),所述调向电机(21)顶部的轴连接有一根调向杆(22),所述调向杆(22)一端顶部固定连接有出胶箱(23),所述出胶箱(23)顶部连接有一根进胶管(24),且所述出胶箱(23)底部焊接固定有底部电机(25),所述底部电机(25)的底部连接有转轴(26),所述转轴(26)底端连接定位块(27),所述定位块(27)一端底部连接有出胶管(28),所述出胶管(28)朝内的侧壁上设置有若干个均匀分布的出胶孔(29),两个所述涂胶架(3)底部的所述定位块(27)分别位于与其相对应的涂胶轨道(33)的正上方;两个所述夹具(5)分别位于所述料盘(4)两侧外壁上,且两个所述夹具(5)侧壁上均设置有一根滑竿(15),所述滑竿(15)一端安装有液压泵(13),所述液压泵(13)侧壁上连接有一根液压伸缩杆(14),且所述滑竿(15)上套接有一个滑块(16),所述滑块(16)侧壁上连接有接板(17),所述接板(17)与所述液压伸缩杆(14)相连接,所述接板(17)底部连接有接头(18),所述接头(18)底部连接底板(19),所述底板(19)一端底部垂直连接有夹杆(20),两个所述夹杆(20)分别导向所述夹固轨道(30)、所述对接轨道(31)内部。2.根据权利要求1所述的一种导轨式电子元器件组装设备,其特征在于,所述电源(7)通过若干根导线分别与PLC控制器(6)、液压泵(13)、调向电机(21)、底部电机(25)、驱动电机(35)以及气泵(39)之间呈电性连接。3.根据权利要求1所述的一种导轨式电子元器件组装设备,其特征在于,所述PLC控制器(6)通过若干根导线分别与液压泵(13)、调向电机(21)、底部电机(25)、驱动电机(35)以及气泵(39)之间呈有线连接。4.根据权利要求1所述的一种导轨式电子元器件组装设备,其特征在于,四个所述进料轨道(32)均匀分布在料盘(4)上,且四个进料轨道(32)的端部均导向料盘(4)中部的空白区

域。5.根据权利要求1所述的一种导轨式电子元器件组装设备,其特征在于,两个所述夹杆(20)均通过对应的液压伸缩杆(14)分别与夹固轨道(30)、对接轨道(31)内壁之间呈活动连接。6.根据权利要求1所述的一种导轨式电子元器件组装设备,其特征在于,所述出胶箱(23)通过调向杆(22)与调向电机(21)之间呈传动连接,所述出胶管(28)、定位块(27)通过转轴(26)与出胶箱(23)底部之间呈转动连接。7.根据权利要求1所述的一种导轨式电子元器件组装设备,其特征在于,四个所述气动伸缩推杆(40)与其对应的进料轨道(32)内壁之间呈活动连接。8.根据权利要求1所述的一种导轨式电子元器件组装设备,其特征在于,所述夹固轨道(30)与对接轨道(31)以及出料传送带(8)三者位于同一水平方向。

我要求购
我不想找了,帮我找吧
您有专利需要变现?
我要出售
智能匹配需求,快速出售