欢迎来到知嘟嘟! 联系电话:13336804447 卖家免费入驻,海量在线求购! 卖家免费入驻,海量在线求购!
知嘟嘟
我要发布
联系电话:13336804447
知嘟嘟经纪人
收藏
专利号: 2018113817201
申请人: 西南交通大学
专利类型:发明专利
专利状态:已下证
专利领域: 发电、变电或配电
更新日期:2024-01-05
缴费截止日期: 暂无
价格&联系人
年费信息
委托购买

摘要:

权利要求书:

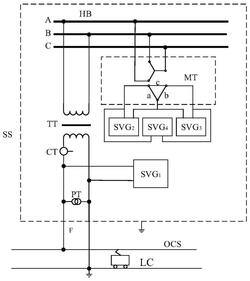
1.一种基于单相变压与YNd补偿的同相供电综合补偿装置,设置于同相供电牵引变电所(SS)内,所述同相供电牵引变电所(SS)包括三相高压母线(HB)、与三相高压母线(HB)连接的单相主变压器(TT)以及三相补偿变压器(MT);所述三相补偿变压器(MT)采用YNd联结绕组,其原边与所述三相高压母线(HB)的A、B、C三相连接;其特征在于:所述同相供电综合补偿装置包括第一无功补偿单元(SVG1)、第二无功补偿单元(SVG2)、第三无功补偿单元(SVG3)和第四无功补偿单元(SVG4)以及测控单元(MC);所述第一无功补偿单元(SVG1)与所述单相主变压器(TT)的次边连接,所述第二无功补偿单元(SVG2)与三相补偿变压器(MT)次边a相端口连接,所述第三无功补偿单元(SVG3)与三相补偿变压器(MT)次边b相端口连接,所述第四无功补偿单元(SVG4)与三相补偿变压器(MT)次边c相端口连接;所述测控单元(MC)包括电压互感器(PT)、电流互感器(CT)和控制器(CD);所述控制器(CD)的输入端分别与所述电压互感器(PT)、电流互感器(CT)的测量端连接,所述控制器(CD)的输出端分别与第一无功补偿单元(SVG1)、第二无功补偿单元(SVG2)、第三无功补偿单元(SVG2)、第四无功补偿单元(SVG4)的控制端连接。

2.根据权利要求1所述的一种基于单相变压与YNd补偿的同相供电综合补偿装置,其特征在于:所述电压互感器(PT)输入端并接于单相主变压器(TT)的次边,电流互感器(CT)输入端与馈线(F)串接。

3.根据权利要求1所述的一种基于单相变压与YNd补偿的同相供电综合补偿装置,其特征在于:所述单相主变压器(TT)原边绕组与三相高压母线(HB)中的A相和B相连接,其次边绕组一端接地,另一端经馈线(F)引至牵引网(OCS)连接。

4.一种基于单相变压与YNd补偿的同相供电综合补偿方法,具体步骤为:

(1)设三相高压母线(HB)的负序允许容量为Sε;

(2)控制器(CD)先利用t时刻电压互感器(PT)和电流互感器(CT)分别测量的电压和电流计算出通过馈线(F)的牵引负荷视在功率s及其功率因数为cosφ,再根据目标牵引负荷功率因数或目标馈线电压对第一无功补偿单元(SVG1)吸收无功功率Q1进行控制并补偿,且Q1容性为正;此时,Q1与s产生的负序功率s-的大小为(3)判断Q1与s产生的负序功率s-和三相高压母线(HB)的负序允许容量Sε之间的大小关系,再通过控制器(CD)控制第二无功补偿单元(SVG2)、第三无功补偿单元(SVG3)、第四无功补偿单元(SVG4)吸收无功功率来进行补偿,其中第二无功补偿单元(SVG2)、第三无功补偿单元(SVG3)、第四无功补偿单元(SVG4)的吸收无功功率分别为Q2、Q3、Q4。

5.根据权利要求4所述的一种基于单相变压与YNd补偿的同相供电综合补偿方法,其特-

征在于:当s ≤Sε时,则控制器(CD)控制第二无功补偿单元(SVG2)、第三无功补偿单元(SVG3)、第四无功补偿单元(SVG4)吸收无功功率来进行补偿,且 即无功功率Q1为容性时,Q2、Q3、Q4为感性,其中,k≤1,k为实数。

6.根据权利要求5所述的一种基于单相变压与YNd补偿的同相供电综合补偿方法,其特征在于:当s->Sε时,则在 分量基础上,控制器(CD)控制第二无功补偿单元(SVG2)、第三无功补偿单元(SVG3)进一步吸收无功功率分量来进行补偿,其中,Q2和Q3分量大小分别为:其中设

7.根据权利要求4所述的一种基于单相变压与YNd补偿的同相供电综合补偿方法,其特征在于:当馈线(F)处于牵引工况时,则Q2的分量为感性,Q3的分量为容性。

8.根据权利要求4所述的一种基于单相变压与YNd补偿的同相供电综合补偿方法,其特征在于:当馈线(F)处于再生工况时,则Q2的分量为容性,Q3的分量为感性。