欢迎来到知嘟嘟! 联系电话:13336804447 卖家免费入驻,海量在线求购! 卖家免费入驻,海量在线求购!
知嘟嘟
我要发布
联系电话:13336804447
知嘟嘟经纪人
收藏
专利号: 2018112879287
申请人: 天津工业大学
专利类型:发明专利
专利状态:已下证
专利领域: 发电、变电或配电
更新日期:2023-09-13
缴费截止日期: 暂无
价格&联系人
年费信息
委托购买

摘要:

权利要求书:

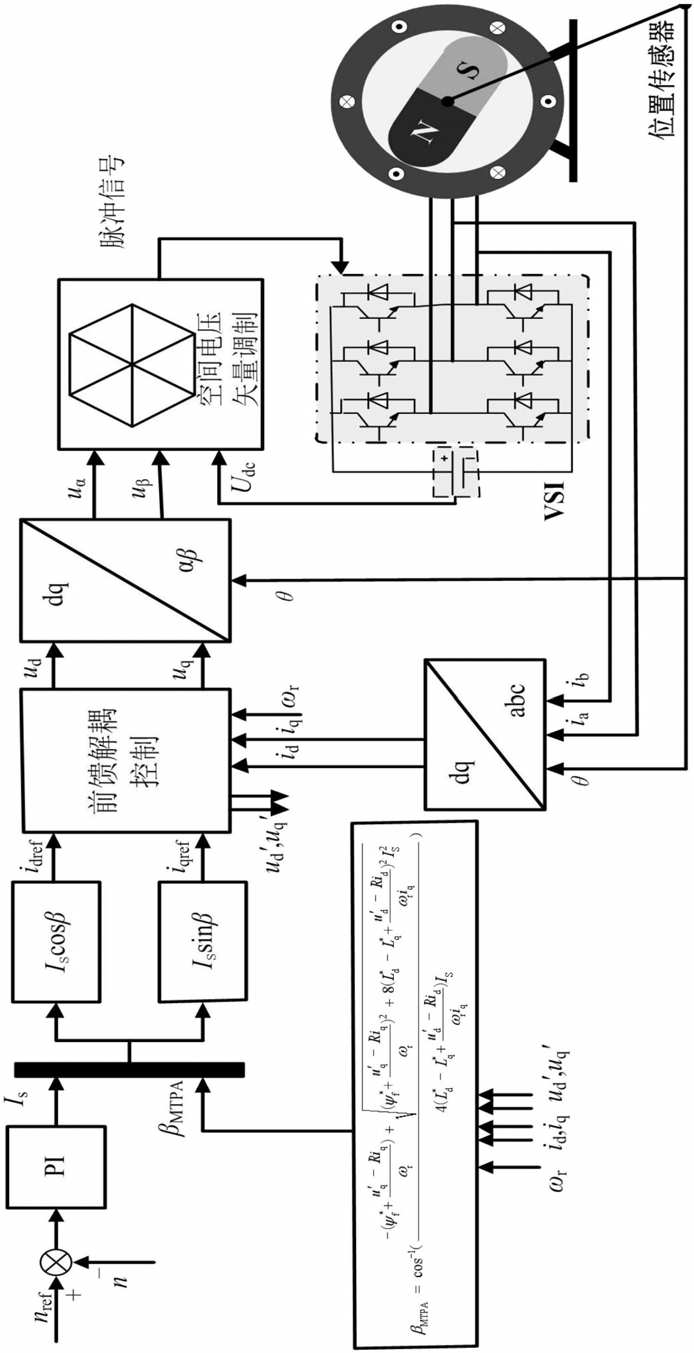
1.一种基于参数自修正的永磁同步电机最大转矩电流比控制方法,其特征在于,包括如下步骤:

1)通过传感器采集逆变器直流母线电压Udc,以及电机三相定子电流ia、ib、ic,对所述的三相定子电流ia、ib、ic进行Clarke变换得到定子电流α轴分量iα和定子电流β轴分量iβ,变换矩阵表示为:

再进行Park变换得到同步旋转坐标系中的定子d轴电流id和定子q轴电流iq,变换矩阵表示为:

利用位置传感器对电机转子位置角θ进行采样,并计算得到电机转子电角速度ωr和电机转速n;

2)将电机给定转速nref与采样计算得到的电机转速n做差,得到电机给定转速与电机转速之间的转速差值,将所得转速差值输入到速度外环PI控制器中,输出所得为定子电流幅值Is;

3)将电机转子电角速度ωr,电机转子位置角θ,以及定子d轴电流id、定子q轴电流iq输入到最大转矩电流比角度计算模块中,计算并输出最大转矩电流比角度βMTPA;

所述的最大转矩电流比角度计算模块具体实施步骤如下:(1)电机d‑q轴电压方程表示为:电机电磁转矩方程Te表示为:

定子d轴电流id、定子q轴电流iq用定子电流幅值Is和定子电流角β来表示,即相应的,以定子电流幅值Is和定子电流角β形式表示的电机电磁转矩方程Te为:其中ud,uq分别为定子d轴电压和定子q轴电压;R为定子电阻;ψf为永磁体磁链实际值;

Ld,Lq分别为d轴电感实际值和q轴电感实际值;p为极对数;

(2)当电机处于稳定运行状态时,d‑q轴电压方程中的电流微分项为零,即电机稳态运行时的d‑q轴电压方程表示为:忽略定子电阻R在运行过程中的变化,设电机参数实际值与标称值间误差为:*

其中ψf为永磁体磁链实际值,ψf为永磁体磁链标称值,Δψf为永磁体磁链实际值与标称*

值间误差,Ld为d轴电感实际值,Ld为d轴电感标称值,ΔLd为d轴电感实际值与标称值间误*

差,Lq为q轴电感实际值,Lq为q轴电感标称值,ΔLq为q轴电感实际值与标称值间误差;

将电机稳态运行时的d‑q轴电压方程与前馈补偿模型相减得到电机参数误差信息估算式为:

从而实现电机参数实际值与标称值间误差信息的在线估算;

(3)将电机参数实际值表示为标称值与误差之和,即得到考虑电机参数变化的电机电磁转矩方程Te为:

将电机参数误差信息估算式代入考虑电机参数变化的电机电磁转矩方程Te,并将定子d轴电流id、定子q轴电流iq用定子电流幅值Is和定子电流角β表示,得到包含准确电机参数信息的电机电磁转矩方程Te为:

利用包含准确电机参数信息的电机电磁转矩方程Te,求得电磁转矩对电流角偏导数为:

由于(uq′‑Riq)/ωr和(‑ud′+Rid)/ωriq代表的是电机参数误差信息△ψf+△Ldid、△Lq,这一部分在求电磁转矩对电流角的偏导运算时认为恒定,故不对该部分中包含的定子电流角求偏导数;

通过求电磁转矩对电流角的偏导数 的极小值,即令 推得满足最大转矩电流比控制的定子电流角计算模型为:

4)使用步骤2)中得到的定子电流幅值Is和步骤3)中得到的最大转矩电流比角度βMTPA计算得到定子d轴电流给定值idref和定子q轴电流给定值iqref,所用计算式如下:

5)将定子d轴电流给定值idref和定子q轴电流给定值iqref分别与步骤1)得到的定子d轴电流id、定子q轴电流iq做差,所得差值经过电流环PI控制器,输出所得为定子d轴电压初值ud′和定子q轴电压初值uq′;采用前馈补偿模型,对定子d轴电压初值ud′和定子q轴电压初值uq′进行前馈补偿,得到定子d轴电压ud和定子q轴电压uq;

6)所得定子d轴电压ud和定子q轴电压uq经过反Park变换得到两相静止坐标系中的定子电压α轴分量uα和定子电压β轴分量uβ,反Park变换矩阵如下:

7)将所得定子电压α轴分量uα、定子电压β轴分量uβ和步骤1)得到的逆变器直流母线电压Udc输入到空间电压矢量调制模块,经过空间矢量脉宽调制技术输出6路PWM脉冲信号控制电压型逆变器,从而驱动永磁同步电机运行。

2.根据权利要求1所述的基于参数自修正的永磁同步电机最大转矩电流比控制方法,其特征在于,所述的前馈补偿模型为: