欢迎来到知嘟嘟! 联系电话:13336804447 卖家免费入驻,海量在线求购! 卖家免费入驻,海量在线求购!
知嘟嘟
我要发布
联系电话:13336804447
知嘟嘟经纪人
收藏
专利号: 2018111494978
申请人: 西安工业大学
专利类型:发明专利
专利状态:已下证
专利领域: 测量;测试
更新日期:2024-01-05
缴费截止日期: 暂无
价格&联系人
年费信息
委托购买

摘要:

权利要求书:

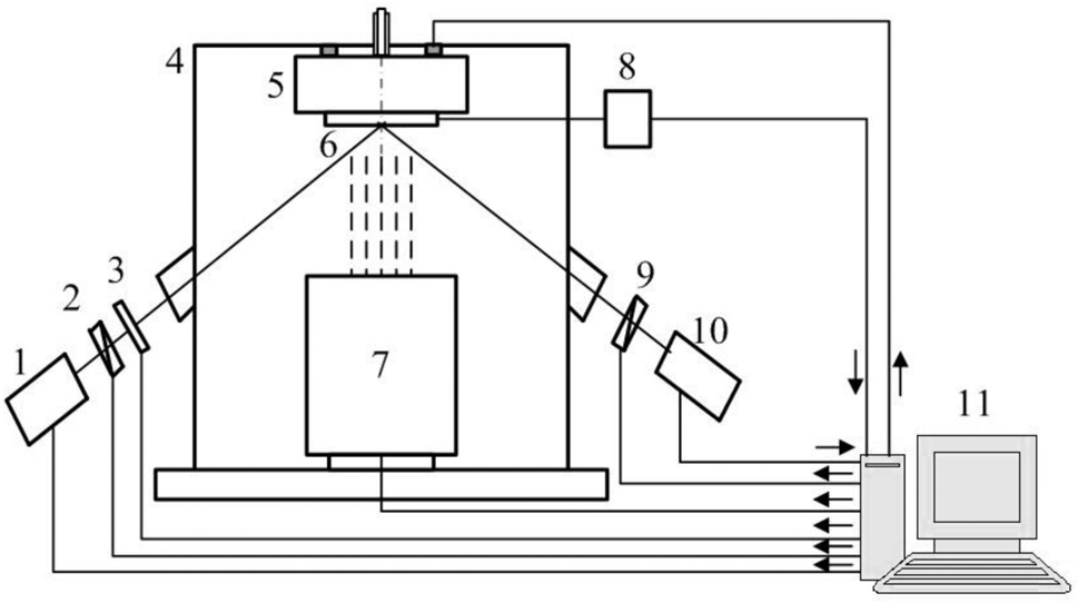
1.一种梯度或渐变折射率薄膜的光学常数测量装置,包括真空系统、椭偏参数检测系统、膜厚监控系统和离子源(7),所述真空系统包括真空室(4)和样品台(5);所述膜厚监控系统包括石英晶振膜厚仪(8);

所述样品台(5)安装在真空室(4)的顶部,离子源(7)安装在真空室(4)底部,两者相对而放,离子源(7)的离子束输出口正对样品台设置。

2.根据权利要求1所述的梯度或渐变折射率薄膜的光学常数测量装置,其特征在于:所述的光源波长为300-900 nm;所述的测试光入射角度为65°。

3.根据权利要求1或2所述的梯度或渐变折射率薄膜的光学常数测量装置,其特征在于:所述离子源(7)的离子能量在0-3000 eV之间。

4.根据权利要求1所述的梯度或渐变折射率薄膜的光学常数测量装置进行测量的方法,其特征在于:包括以下步骤:步骤1、薄膜样品初始几何厚度标定:采用轮廓仪对薄膜的几何厚度进行测量,获得其初始厚度信息,根据样品的测试要求,确定每次减薄的厚度步长;

步骤2、将待测样品(6)装夹在样品台(5)的下表面上,其镀膜面正对离子源(7),对真空室(4)进行抽真空,使其达到离子源(7)的工作真空度;

步骤3、采用椭偏参数检测系统测量薄膜样品的初始椭偏信息,即椭偏参数Ψn和Δn;

步骤4、打开离子源(7),用氩离子束对薄膜进行刻蚀减薄一个步长的厚度,采用石英晶振膜厚仪(8)检测减薄的膜厚,刻蚀掉的膜层厚度记为dn,对应第Ln层;

采用椭偏参数检测系统测量减薄后薄膜样品的椭偏参数Ψn-1和Δn-1;

步骤5、再次打开离子源(7),使用氩离子束对薄膜进行刻蚀减薄,同时采用石英晶振膜厚仪(8)检测减薄的膜厚,刻蚀掉的膜层厚度记为dn-(1 对应第Ln-1层);

采用椭偏参数检测系统再次测量减薄后薄膜样品的椭偏信息Ψn-2和Δn-2;

步骤6、反复进行步骤5,直到薄膜厚度减薄到厚度步长以下,对应第L1层的膜厚记为d1,采用椭偏参数检测系统测量样品的椭偏信息Ψ1和Δ1;

步骤7、数据处理与分析:根据Ψ1,Δ1和d1的数值,计算L1层薄膜的折射率n1和消光系数k1;

步骤8、依次计算L2、L3直到Ln层的折射率和消光系数,从而获得薄膜样品沿厚度方向的光学常数分布,实现梯度折射率薄膜光学常数的测量。