欢迎来到知嘟嘟! 联系电话:13336804447 卖家免费入驻,海量在线求购! 卖家免费入驻,海量在线求购!
知嘟嘟
我要发布
联系电话:13336804447
知嘟嘟经纪人
收藏
专利号: 2018111432331
申请人: 广州掘策机械设备有限公司
专利类型:发明专利
专利状态:已下证
专利领域: 铁路
更新日期:2025-12-12
缴费截止日期: 暂无
价格&联系人
年费信息
委托购买

摘要:

权利要求书:

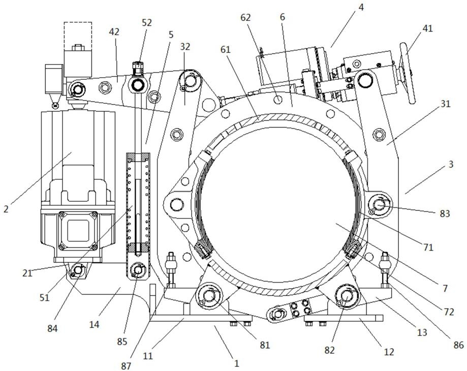
1.一种轨道车辆的液压制动系统,包括制动架(1)、变频推动器(2)、制动臂(3)、手动抱闸机构(4)、横拉杆(5)、制动轮毂(6)、制动机构(7),其特征在于:

所述制动轮毂(6)安装在轮毂外侧底部,制动轮毂(6)内侧安装有制动机构(7);制动轮毂(6)上安装有制动臂(3),制动臂(3)顶端安装在手动抱闸机构(4)上,制动臂(3)的底端安装在制动架(1)上;制动架(1)、手动抱闸机构(4)之间分别安装有变频推动器(2)、横拉杆(5),变频推动器(2)、横拉杆(5)两端分别安装在制动架(1)、手动抱闸机构(4);

所述制动架(1)包括左制动架(11)、右制动架(12)、右制动架连接臂(13)、左制动架连接臂(14),左制动架(11)左侧设置有左制动架连接臂(14),右制动架(12)上方通过第二转轴(82)安装有右制动架连接臂(13);左制动架(11)、右制动架(12)上分别通过第一转轴(81)、第二转轴(82)安装在制动轮毂(6)的底侧;左制动架连接臂(14)上分别通过第四转轴(84)、第五转轴(85)安装变频推动器(2)、横拉杆(5)底端;右制动架连接臂(13)安装在制动臂(3)上;

所述变频推动器(2)底端通过第四转轴(84)安装在左制动架连接臂(14)上;变频推动器(2)顶端安装在手动抱闸机构(4)左侧的活动连接杆(42)上;所述变频推动器(2)根据刹车控制踏板踩踏角度,控制制动力矩的大小;若需要长时间制动锁止,变频推动器(2)启 动电动锁止功能,锁止变频推动器(2)的拉伸长度;

所述制动臂(3)包括右制动臂(31)、左制动臂(32),右制动臂(31)、左制动臂(32)分别位于制动轮毂(6)的左右两侧,左制动臂(32)通过固定螺栓安装在制动轮毂(6)的左侧,右制动臂(31)通过第三转轴(83)安装在右制动臂(31)右侧;右制动臂(31)、左制动臂(32)分别通过第二转轴(82)、第一转轴(81)安装在右制动架(12)、左制动架(11)上;右制动臂(31)顶端、左制动臂(32)顶端分别通过螺栓安装在手动抱闸机构(4)上;所述手动抱闸机构(4)内设置有复位弹簧;复位弹簧通过压力调整,调节手动抱闸机构(4)的自复位速度;手动抱闸机构(4)通过轨道车辆的刹车能力测试,通过调节复位弹簧,改变手动抱闸机构(4)的长度,从而改变变频推动器(2)、横拉杆(5)的拉伸长度,使该制动系统补偿制动机构(7)的磨损;

所述手动抱闸机构(4)右端设置有手轮(41),手动抱闸机构(4)左端分别通过螺栓安装变频推动器(2)、横拉杆(5);

所述横拉杆(5)包括制动液压缸(51)、制动活塞杆(52),制动液压缸(51)顶端安装有制动活塞杆(52),制动液压缸(51)底端通过第五转轴(85)安装在左制动架连接臂(14)上,制动活塞杆(52)顶端安装有连接杆,制动活塞杆(52)通过连接杆连接到轨道车辆的刹车控制踏板上;

所述制动轮毂(6)为圆形轮毂状,制动轮毂(6)安装在传动轴承外侧,制动轮毂(6)内侧设置有轮毂制动瓦(61);制动轮毂(6)侧面均匀分布有多个定位螺孔(62),第一转轴(81)、第二转轴(82)、第三转轴(83)分别通过定位螺孔(62)安装在制动轮毂(6)上;

所述制动机构(7)安装在制动臂(3)上;制动机构(7)包括两块制动瓦片(71),右侧的制动瓦片(71)通过第三转轴(83)安装在右制动臂(31)上;左侧的制动瓦片(71)通过固定螺栓安装在左制动臂(32)上;制动瓦片(71)上安装有自动跟随螺栓(72);制动瓦片(71)安装在制动轮毂(6)上后,自动跟随螺栓(72)通过螺栓与制动机构(7)的安装角度,调整瓦片安装到制动轮毂(6)上的角度。