欢迎来到知嘟嘟! 联系电话:13336804447 卖家免费入驻,海量在线求购! 卖家免费入驻,海量在线求购!
知嘟嘟
我要发布
联系电话:13336804447
知嘟嘟经纪人
收藏
专利号: 2018111189180
申请人: 嘉兴晟源工业设计有限公司
专利类型:发明专利
专利状态:已下证
专利领域: 电通信技术
更新日期:2026-03-02
缴费截止日期: 暂无
价格&联系人
年费信息
委托购买

摘要:

权利要求书:

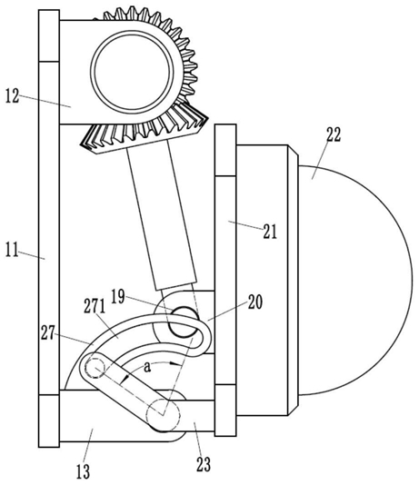
1.一种角度可调的监控设备,包括固定板(11),其特征在于:所述固定板(11)的上端固定有一对前后对称的第一支耳(12),固定板(11)的下端固定有铰接座(13),两个所述第一支耳(12)之间铰接有支撑轴(14),支撑轴(14)插套在铰接部(15)的通孔(151)内,所述支撑轴(14)的一端固定有第一锥齿轮(16),第一锥齿轮(16)与固定在螺管(17)上的第二锥齿轮(18)啮合,螺管(17)的上端与铰接部(15)铰接,螺管(17)的下端螺接有螺杆(29),螺杆(29)固定在铰接杆(19)的中部,铰接杆(19)的两端分别插套在一对前后对称设置的第二支耳(20)上,第二支耳(20)固定在翻转板(21)的内侧壁上,翻转板(21)的外侧壁上固定有监控设备(22),所述翻转板(21)的内侧壁的下端固定有一对前后对称设置的折弯板(23),折弯板(23)的中部固定有圆柱凸起(24),两个折弯板(23)上的圆柱凸起(24)分别插套在铰接座(13)的两端,所述支撑轴(14)穿过其中一个第一支耳(12)的外伸出端固定有驱动手轮(25)。

2.根据权利要求1所述的一种角度可调的监控设备,其特征在于:所述折弯板(23)远离翻转板(21)的一端固定有圆杆(26),所述铰接座(13)上固定有一对前后对称设置的圆弧板(27),圆弧板(27)上成型有圆弧槽(271),圆杆(26)插套在圆弧槽(271)内。

3.根据权利要求2所述的一种角度可调的监控设备,其特征在于:所述圆弧槽(271)的圆心角a为90°。

4.根据权利要求1所述的一种角度可调的监控设备,其特征在于:所述铰接部(15)的一侧壁上成型有与通孔(151)相通的台阶孔(152),台阶孔(152)内套接有台阶柱体(28),台阶柱体(28)穿过台阶孔(152)的伸出端与螺杆(17)的上端固定连接,台阶柱体(28)的台阶面压靠在台阶孔(152)的台阶面上。

5.根据权利要求4所述的一种角度可调的监控设备,其特征在于:所述台阶柱体(28)的外轮廓的大小小于通孔(151)的孔径。