欢迎来到知嘟嘟! 联系电话:13336804447 卖家免费入驻,海量在线求购! 卖家免费入驻,海量在线求购!
知嘟嘟
我要发布
联系电话:13336804447
知嘟嘟经纪人
收藏
专利号: 2018110732875
申请人: 项大清
专利类型:发明专利
专利状态:已下证
专利领域: 机床;其他类目中不包括的金属加工
更新日期:2025-11-18
缴费截止日期: 暂无
价格&联系人
年费信息
委托购买

摘要:

权利要求书:

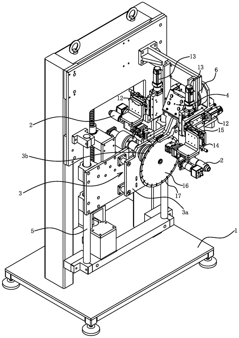
1.一种圆锯片激光焊接装置,包括一机架(1)和激光焊接机聚焦头(2),机架(1)上安装有用于定位圆锯片中锯片基体(16)的基体夹具(3)和安装有用于定位圆锯片中锯片刀头(17)的刀头夹具(4),其特征在于,所述激光焊接机聚焦头(2)的数量为两组,两组激光焊接机聚焦头(2)分别位于定位在基体夹具(3)上锯片基体(16)的两侧,两组激光焊接机聚焦头(2)和机架(1)之间均通过焊接驱动结构相连接,两组激光焊接机聚焦头(2)能共同将一个锯片刀头(17)焊接在锯片基体(16)上。

2.根据权利要求1所述的圆锯片激光焊接装置,其特征在于,所述定位在夹具体(3b)上的锯片基体(16)处于竖直状态;刀头夹具(4)位于基体夹具(3)的上方。

3.根据权利要求1所述的圆锯片激光焊接装置,其特征在于,所述基体夹具(3)包括升降板(3a)和夹具体(3b),夹具体(3b)位于升降板(3a)的前侧,夹具体(3b)与升降板(3a)之间转动连接;升降板(3a)上安装有分度驱动电机,分度驱动电机与夹具体(3b)机械连接;降板(3a)和机架(1)之间通过能使基体夹具(3)竖直升降运动的升降驱动结构(5)相连接。

4.根据权利要求1所述的圆锯片激光焊接装置,其特征在于,所述刀头夹具(4)包括夹持驱动件(4a)和两个夹持臂(4b),夹持驱动件(4a)具有两个夹持指(4a1),两个夹持指(4a1)同步反向运动,两个夹持指(4a1)和两个夹持臂(4b)一一对应地固定连接,夹持臂(4b)位于夹持驱动件(4a)水平方向的一侧。

5.根据权利要求1所述的圆锯片激光焊接装置,其特征在于,所述夹持驱动件(4a)还包括壳体(4a2),壳体(4a2)上螺纹连接有用于限制夹持指(4a1)张开行程的限程螺栓(4a3)。

6.根据权利要求1至5中任意一项所述的圆锯片激光焊接装置,其特征在于,所述刀头夹具(4)和机架(1)之间通过能调整被夹持锯片刀头(17)竖直度的第一角度调节组件(6)。

7.根据权利要求1至5中任意一项所述的圆锯片激光焊接装置,其特征在于,所述刀头夹具(4)和机架(1)之间通过能调整被夹持锯片刀头(17)与锯片基体(16)之间平行度的第二角度调节组件(7)。

8.根据权利要求1至5中任意一项所述的圆锯片激光焊接装置,其特征在于,两组所述激光焊接机聚焦头(2)发出的激光束(2a)能同时照射在同一锯片刀头(17)与锯片基体(16)之间接缝处。

9.根据权利要求8所述的圆锯片激光焊接装置,其特征在于,两组所述激光焊接机聚焦头(2)发出的激光束(2a)处于错位状态。

10.根据权利要求1至5中任意一项所述的圆锯片激光焊接装置,其特征在于,所述焊接驱动结构包括数控水平驱动组件(12)和数控竖直驱动组件(13);激光焊接机聚焦头(2)依次通过数控竖直驱动组件(13)和数控水平驱动组件(12)与机架(1)相连接;

或所述焊接驱动结构包括第三角度调节组件(14)、数控水平驱动组件(12)和数控竖直驱动组件(13),第三角度调节组件(14)的轴心线水平设置;激光焊接机聚焦头(2)依次通过第三角度调节组件(14)、数控竖直驱动组件(13)和数控水平驱动组件(12)与机架(1)相连接;

或所述焊接驱动结构包括间距调节组件(15)、数控水平驱动组件(12)和数控竖直驱动组件(13),间距调节组件(15)导向方向与定位在夹具体(3b)上锯片基体(16)厚度方向相同;激光焊接机聚焦头(2)依次通过间距调节组件(15)、数控竖直驱动组件(13)和数控水平驱动组件(12)与机架(1)相连接;

或所述焊接驱动结构包括间距调节组件(15)、数控水平驱动组件(12)和数控竖直驱动组件(13),间距调节组件(15)导向方向与定位在夹具体(3b)上锯片基体(16)厚度方向相同;激光焊接机聚焦头(2)依次通过数控竖直驱动组件(13)、数控水平驱动组件(12)和间距调节组件(15)与机架(1)相连接;

或所述焊接驱动结构包括第三角度调节组件(14)、间距调节组件(15)、数控水平驱动组件(12)和数控竖直驱动组件(13),第三角度调节组件(14)的轴心线水平设置,间距调节组件(15)导向方向与定位在夹具体(3b)上锯片基体(16)厚度方向相同;激光焊接机聚焦头(2)依次通过第三角度调节组件(14)、间距调节组件(15)、数控竖直驱动组件(13)和数控水平驱动组件(12)与机架(1)相连接。