欢迎来到知嘟嘟! 联系电话:13336804447 卖家免费入驻,海量在线求购! 卖家免费入驻,海量在线求购!
知嘟嘟
我要发布
联系电话:13336804447
知嘟嘟经纪人
收藏
专利号: 2018108828032
申请人: 合肥洁诺无纺布制品有限公司
专利类型:发明专利
专利状态:已下证
专利领域: 医学或兽医学;卫生学
更新日期:2025-12-10
缴费截止日期: 暂无
价格&联系人
年费信息
委托购买

摘要:

权利要求书:

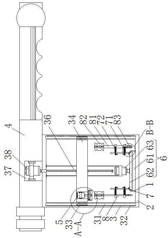
1.一种医疗用骨科打孔机,其特征在于:打孔机外壳,打孔机外壳的底端开设有出钻口,在打孔机外壳的内腔活动安装有一端位于打孔机手柄内部的推进机构,推进机构上固定安装有动力机构,打孔机手柄固定安装在远离出钻口一端的打孔机外壳侧面,打孔机外壳内腔的底部固定安装有更换机构,在更换机构的上表面固定安装有夹紧机构,夹紧机构上活动连接有顶端与动力机构相适配的钻头机构,该医疗用骨科打孔机与外界的交流电源系统相适配,额定电压为110V,频率为60HZ;推进机构包括滑槽,滑槽的内部活动安装有与齿牙相啮合的移动齿座,移动齿座的侧面固定安装有环形的推进环,并且推进环的内壁通过连动杆套装有丝杆,丝杆的一端固定连接有位于固定槽一内的伺服电机一,固定槽一开设在打孔机手柄上,并且推进环上开设有固定槽二;动力机构包括伺服电机二,伺服电机二采用横截面直径为3.2cm的微型电机,伺服电机二的转轴上固定安装有卡座,在卡座的底端开设有十字卡槽,十字卡槽的内壁固定安装有卡块一,卡座的内部固定安装有出气端位于十字卡槽中心处的气泵,气泵采用微型气泵SB5505型。

2.根据权利要求1所述的一种医疗用骨科打孔机,其特征在于:本发明中,更换机构包括下齿盘,下齿盘的上侧啮合有上齿盘,并且上齿盘与下齿盘的侧面通过滑块卡接,上齿盘的轴心处固定连接有通过固定架固定安装在打孔机外壳内部的伺服电机三;夹紧机构包括支件,支件的侧面固定安装有夹紧架,夹紧架的数量为四个,两两为一对,可以对不同型号的钻头进行夹紧,夹紧架外侧面的中部通过钢丝与收线盘固定连接,并且收线盘的轴心处固定安装在位于支件侧面的伺服电机四输出轴上,伺服电机四的横截面直径为伺服电机二横截面直径的五分之一;钻头机构包括钻头,钻头的内部中空,钻头顶部的侧面呈十字形对称固定安装有卡块二,卡块二与卡块一相适配,可以在转动时起到很好的固定作用,在钻头的顶端固定安装有压力传感器,钻头的底端开设有吸屑孔,吸屑孔的出口通过导屑管与位于钻头内部的储屑腔进口连通,在导屑管与储屑腔的连接处固定安装有单向阀,单向阀保证骨料只能进入储屑腔中,并且储屑腔的内部固定安装有隔网,储屑腔的出口贯穿钻头顶部的轴心处与气泵的出气口相对应;钻头机构的数量为两个,并且两个钻头机构顶端的长度与动力机构底端的长度相适配,在钻头机构的顶端开设有导气槽;连动杆与丝杆的连接处设置有带有内螺纹的通孔,在连动杆的外侧面等距离固定安装有四个移动齿座;推进机构,通过设置与齿牙相适配的滑槽可以通过啮合作用更好的限制推进环的移动方向和位置,使推进环移动的方向和位置更准确,配合伺服电机一带动丝杆转动进而使连动杆带动推进环移动,可以控制推进环的移动使其与打孔机外壳底端的距离更好的掌握,便于掌握动力机构与卡块二的固定关系,不仅移动稳定,而且操作简单,使用效果更好;动力机构,通过伺服电机二可以带动钻头的转动进行打孔,同时配合气泵可以产生负压为骨粉收集提供动力源,使用便捷,并且配合十字卡槽可以更好更稳定的固定住卡块二,防止在工作时钻头偏移,保证打孔的质量,提高治疗的质量;更换机构,通过伺服电机三带动上齿盘转动进而带动夹紧机构转动,根据患者的情况可以更换不同的钻头,保证在使用时可以提供多样的打孔直径,适配性及针对性强,有利于患者的治疗;夹紧机构和钻头机构,通过压力传感器感受到钻头受到压力的大小进而控制伺服电机四转动使钢丝收卷拉动夹紧架使其分开然后松开钻头,使用更加方便,同时通过吸屑孔配合导屑管和储屑腔可以将钻头工作时产生的骨粉收集起来,防止骨粉影响打孔的精确度及治疗的质量,实用性和安全性较强;手持住打孔机手柄,利用更换机构根据需要更换不同的钻头,再利用推进机构控制动力机构与钻头的结合,同时通过压力传感器与夹紧机构的配合使动力机构与钻头接触压力较强时松开钻头使其转动打孔,再将打孔产生的骨粉通过气泵收集到储屑腔中,实用性强。