欢迎来到知嘟嘟! 联系电话:13336804447 卖家免费入驻,海量在线求购! 卖家免费入驻,海量在线求购!
知嘟嘟
我要发布
联系电话:13336804447
知嘟嘟经纪人
收藏
专利号: 2018108194709
申请人: 中北大学
专利类型:发明专利
专利状态:已下证
专利领域: 蒸汽的发生
更新日期:2024-01-05
缴费截止日期: 暂无
价格&联系人
年费信息
委托购买

摘要:

权利要求书:

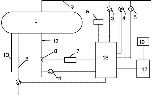
1.一种锅炉系统,包括监控诊断控制器和锅炉,所述锅炉包括设置在蒸汽出口管路上的流量计、压力计和温度计,用于测量输出蒸汽的流速、压力和温度;所述设置在蒸汽出口管路上的流量计、压力计和温度计分别与监控诊断控制器进行数据连接,以便将测量的数据传递给监控诊断控制器,在监控诊断控制器中根据测量的蒸汽温度、压力、流速计算单位时间的蒸汽质量;

所述锅炉包括设置与锅炉汽包连接的排污管,排污管上设置排污阀,排污阀一端连接阀门调节装置,阀门调节装置与监控诊断控制器进行数据连接,以便将排污阀开度数据传递给监控诊断控制器,同时从监控诊断控制器接受指令,调节排污阀的开度;

所述锅炉的总进水管上设置流量计,用于检测进入锅炉中的流量,所述总进水管上的流量计与监控诊断控制器进行数据连接,以便将测量的数据传递给监控诊断控制器,监控诊断控制器根据测量的流量计算单位时间进入锅炉的水的质量;

所述锅炉定期进行排污,所述监控诊断控制器根据蒸汽质量与输入锅炉的水的质量之间的比值自动设定排污时间和排污速度,从而自动控制排污量;

其特征在于,所述汽包连接上升管和下降管,所述上升管内间隔设置多个分切换热部件,所述分切换热部件沿着上升管高度方向延伸,所述分切换热部件上设置有若干数量的孔,所述孔在上升管高度方向贯通分切换热部件;

所述监控诊断控制器与云端服务器数据连接,以便将监控的数据传递给云端服务器,云端服务器与客户端连接,客户端可以通过云端服务器得到监控的数据。

我要求购
我不想找了,帮我找吧
您有专利需要变现?
我要出售
智能匹配需求,快速出售