欢迎来到知嘟嘟! 联系电话:13336804447 卖家免费入驻,海量在线求购! 卖家免费入驻,海量在线求购!
知嘟嘟
我要发布
联系电话:13336804447
知嘟嘟经纪人
收藏
专利号: 2018107021948
申请人: 淮阴工学院
专利类型:发明专利
专利状态:已下证
专利领域: 发电、变电或配电
更新日期:2025-12-10
缴费截止日期: 暂无
价格&联系人
年费信息
委托购买

摘要:

权利要求书:

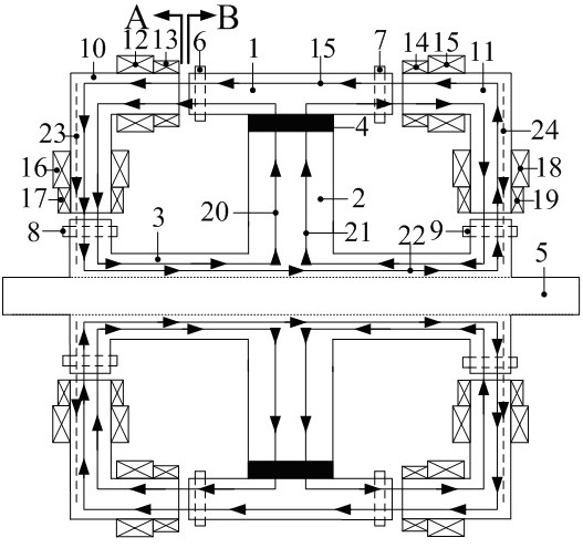
1.一种五自由度无轴承异步电机,包括转子和定子,其特征在于:所述转子包括芯轴(3),以及分别同轴连接于芯轴(3)的径向转子铁心(2)、径向凸台、转轴(5),所述径向转子铁心(2)位于芯轴(3)的中部,其外圆周通过径向磁化的永磁环(4)连接有轴向转子铁心(1),所述轴向转子铁心(1)的两端分别均匀设置有偶数个轴向转子导条或转子绕组,所述径向凸台位于芯轴(3)的两端,所述径向凸台上均匀设置有偶数个径向转子导条或转子绕组;所述定子包括对称设置于转子两侧的两个定子铁心,每一定子铁心设有分别正对轴向转子铁心(1)的轴向端,和正对径向凸台的径向端,所述轴向端设置有轴向悬浮绕组和轴向转矩绕组,所述径向端设有径向悬浮绕组和径向转矩绕组,所述转轴(5)延伸至定子铁心外侧。

2.如权利要求1所述的一种五自由度无轴承异步电机,其特征在于:电机转速为n,径向转矩绕组的电流频率和极对数分别为fj、Pj,轴向转矩绕组的电流频率和极对数分别为fz、Pz,满足:fj×Pz=Pj×fz。

3.如权利要求1所述的一种五自由度无轴承异步电机,其特征在于:所述轴向悬浮绕组位于轴向转矩绕组相对于转子的外侧;径向悬浮绕组位于径向转矩绕组相对于转子的外侧。

4.如权利要求1所述的一种五自由度无轴承异步电机,其特征在于:所述轴向悬浮绕组、径向悬浮绕组与轴向转矩绕组、径向转矩绕组的极对数不等。

5.如权利要求1所述的一种五自由度无轴承异步电机,其特征在于:所述轴向转子导条或转子绕组、径向转子导条或转子绕组均采用分相结构,其极对数分别与轴向转矩绕组、径向转矩绕组的极对数相同。

6.如权利要求1所述的一种五自由度无轴承异步电机,其特征在于:所述永磁环(4)采用稀土永磁体或铁氧体永磁体制成。