欢迎来到知嘟嘟! 联系电话:13336804447 卖家免费入驻,海量在线求购! 卖家免费入驻,海量在线求购!
知嘟嘟
我要发布
联系电话:13336804447
知嘟嘟经纪人
收藏
专利号: 2018106404026
申请人: 成都师范学院
专利类型:发明专利
专利状态:已下证
专利领域: 计算;推算;计数
更新日期:2024-01-05
缴费截止日期: 暂无
价格&联系人
年费信息
委托购买

摘要:

权利要求书:

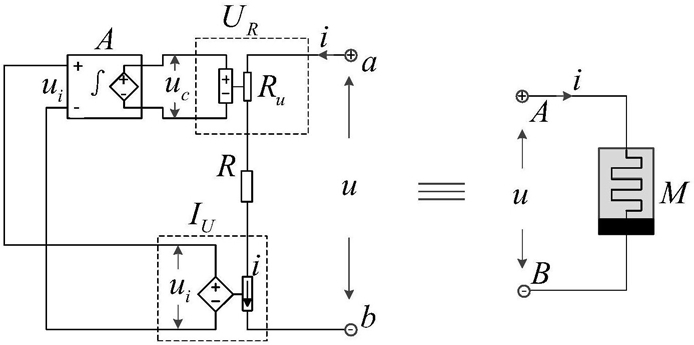
1.一种极简的浮地荷控忆阻器仿真电路,其特征在于,包括端口a、端口b、压控电阻UR、电阻R、电流控制电压源IU和电压积分器A,所述压控电阻UR包括电压控制端uc和受控电阻Ru,所述压控电阻UR内受控电阻Ru的电阻值受电压控制端uc的电压值控制,所述电流控制电压源IU包括电流控制端i和电压源输出端ui,所述电流控制电压源IU内电压源输出端ui的电压值受电流控制端i的电流值控制,所述电压积分器A包括电压输入端ui和电压输出端uc,所述端口a、压控电阻UR内受控电阻Ru、电阻R、电流控制电压源IU内电流控制端以及端口b为串联关系,所述电流控制电压源IU的电压源输出端与电压积分器的电压输入端相连,所述电压积分器电压输出端与压控电阻的电压控制端相连;从时刻t0至tn,所述电压积分器A内电压输出端的电压值 Ki为电压积分器A的比例系数。

2.根据权利要求1所述的一种极简的浮地荷控忆阻器仿真电路,其特征在于,所述压控电阻UR内受控电阻Ru的电阻值Ru=Kr×uc,Kr为压控电阻UR的控制系数。

3.根据权利要求1所述的一种极简的浮地荷控忆阻器仿真电路,其特征在于,所述电流控制电压源IU内电压输出端的输出电压ui=Kj×i,Kj为电流控制电压源IU的控制系数。