欢迎来到知嘟嘟! 联系电话:13336804447 卖家免费入驻,海量在线求购! 卖家免费入驻,海量在线求购!
知嘟嘟
我要发布
联系电话:13336804447
知嘟嘟经纪人
收藏
专利号: 2018102593122
申请人: 杭州电子科技大学
专利类型:发明专利
专利状态:已下证
专利领域: 计算;推算;计数
更新日期:2023-08-24
缴费截止日期: 暂无
价格&联系人
年费信息
委托购买

摘要:

权利要求书:

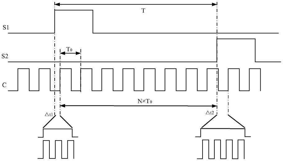
1.TDC时间间隔测量固有误差的校准方法,其特征在于:该方法具体如下:由随机信号发生器生成脉宽大小随机的随机信号,利用随机信号中脉宽大小随机的脉冲信号模拟实际测量中的待测时间间隔信号,并将随机信号输入到延迟链中,在随机信号的下降沿到来时刻记录延迟链单元的输出状态值并判断该输出状态值所对应延迟链单元的位置,然后对该位置的延迟链单元对应的脉冲计数器进行加一操作,获得由延迟链各单元记录事件组成的测试样本,从而统计得到延迟链中第i+1个单元所记录事件的次数ni和测试样本总数N,其中,i=0,1,2,…,M,测试样本总数N为随机信号在延迟链各单元被检测的次数总和,然后结合延迟链单元的个数M+1并基于码密度校准原理得到延迟链单元位宽的非线性特性INL(i),最后根据INL(i)计算位宽非线性误差δi=INL(i)×Δτi,其中,Δτi为校准前延迟链第i个单元的位宽,得到校准后延迟链的第i个单元的位宽为

2.根据权利要求1所述的TDC时间间隔测量固有误差的校准方法,其特征在于:随机信号发生器中的线性反馈移位寄存器由寄存器R0、寄存器R1、寄存器R2和寄存器R3组成;设定线性反馈移位寄存器的跃进步长为L,线性反馈移位寄存器的反馈逻辑fb(j)=fb0(j)⊕fb1(j)⊕fb2(j),j=1,2,3或4,根据初始化向量Q0=(Q0(0),Q0(1),Q0(2),Q0(3))得到:根据设定的反馈函数f(x)得到状态转移矩阵A,然后根据状态转移矩阵A得到:

则第一阶段的输出序列为:q1=[q1(0),q1(1),q1(2),q1(3)],其中:

第二阶段的输出序列为:q2=[q2(0),q2(1),q2(2),q2(3)],其中:

第三阶段的输出序列为:q3=[q3(0),q3(1),q3(2),q3(3)],其中:

第四阶段的输出序列为:q4=[q4(0),q4(1),q4(2),q4(3)],其中:

至此,将随机数序列qj(0),j=1,2,3或4,作为寄存器R0的输出值,将随机数序列qj(1),j=1,2,3或4,作为寄存器R1的输出值,将随机数序列qj(2),j=1,2,3或4,作为寄存器R2的输出值,将随机数序列qj(3),j=1,2,3或4,作为寄存器R3的输出值;

随机信号的生成是由随机信号发生器中的直接数字式频率合成器(DDS)完成的,其中,将qj(0),qj(1),qj(2)和qj(3)作为DDS中相位累加器的频率控制字。