欢迎来到知嘟嘟! 联系电话:13336804447 卖家免费入驻,海量在线求购! 卖家免费入驻,海量在线求购!
知嘟嘟
我要发布
联系电话:13336804447
知嘟嘟经纪人
收藏
专利号: 2018100543896
申请人: 长安大学
专利类型:发明专利
专利状态:已下证
专利领域: 发电、变电或配电
更新日期:2025-12-10
缴费截止日期: 暂无
价格&联系人
年费信息
委托购买

摘要:

权利要求书:

1.一种双电机三桥臂逆变器,其特征在于,包括控制器、三相电机M1、三相电机M2和三桥臂逆变器;

三桥臂逆变器包括三个并联的逆变器桥臂,逆变器桥臂连接同一个直流电源,每个逆变器桥臂均包括三个串联的功率开关管,每个逆变器桥臂上相邻两个功率开关管之间为中点,三相电机M1的三个绕组分别连接于三个逆变器桥臂同一侧的中点,三相电机M2的三个绕组分别连接于三个逆变器桥臂另一个的中点;

控制器包括电流传感器、电压传感器和依次连接的速度调节模块、PI控制器、转矩估计单元、转矩滞环控制器、电压矢量选择开关和PWM生成单元,电压矢量选择开关还连接有磁链滞环控制器,磁链滞环控制器连接有磁链估计单元,电流传感器连接于三相永磁同步电机的电枢绕组端口,用于检测两个三相永磁同步电机的三相电流。

2.根据权利要求1所述的一种双电机三桥臂逆变器,其特征在于,功率开关管均采用IGBT或MOSFET。

3.根据权利要求1所述的一种双电机三桥臂逆变器,其特征在于,两个电机采用三相永磁同步电机、三相无刷直流电机或三相交流异步电机。

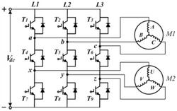
4.根据权利要求1所述的一种双电机三桥臂逆变器,其特征在于,三桥臂逆变器包括并联的逆变器桥臂L1、逆变器桥臂L2和逆变器桥臂L3,逆变器桥臂L1包括串联的功率开关管T1、功率开关管T4和功率开关管T7,逆变器桥臂L2包括串联的功率开关管T2、功率开关管T5和功率开关管T8,逆变器桥臂L3包括串联的功率开关管T3、功率开关管T6和功率开关管T9;

三相电机M1的绕组A连接于逆变器桥臂L1的功率开关管T1与功率开关管T4之间的中点a,三相电机M1的绕组B连接于逆变器桥臂L2的功率开关管T2与功率开关管T5之间的中点b,三相电机M1的绕组C连接于逆变器桥臂L3的功率开关管T3与功率开关管T6之间的中点c;三相电机M2的绕组U连接于逆变器桥臂L1的功率开关管T7与功率开关管T4之间的中点x;三相电机M2的绕组V连接于逆变器桥臂L2的功率开关管T5与功率开关管T8之间的中点y,三相电机M2的绕组W连接于逆变器桥臂L3的功率开关管T6与功率开关管T9之间的中点z。

5.一种根据权利要求1所述的双电机三桥臂逆变器的控制方法,其特征在于,包括以下步骤:首先分别获取三相电机M1和三相电机M2的转子转速ω1和ω2、电机转矩Te1和Te2以及磁链幅值ψs1和ψs2;

根据三相电机M1和三相电机M2的给定参考转速ω1*、ω2*与转子转速ω1、ω2经过速度调节模块后得到转速误差eω1、eω2,转速误差eω1、eω2经过PI控制器得到三相电机M1和三相电机M2的给定参考转矩Te1*、Te2*,三相电机M1和三相电机M2给定参考转矩Te1*、Te2*和电机转矩Te1、Te2分别经过两个转矩估计单元得到三相电机M1和三相电机M2的转矩误差eT1、eT2,转矩误差eT1、eT2经转矩滞环控制器后得到转矩控制信号φ1、φ2;

* *

根据三相电机M1和三相电机M2的定参考磁链幅值为ψs1、ψs2和磁链幅值ψs1和ψs2分别经过两个磁链估计单元得到三相电机M1和三相电机M2的磁链误差eψ1、eψ2,磁链误差eψ1、eψ2经磁链滞环控制器后得到磁链控制信号τ1、τ2;

最后根据得到的转矩控制信号、磁链控制信号和三相电机M1和三相电机M2的转子位置信号选择电压矢量选择开关的开关触发信号,开关触发信号经过PWM生成单元计算得到三桥臂逆变器上的九个开关的实际触发信号,即可实现对三相电机M1和三相电机M2的控制。

6.根据权利要求5所述的一种双电机三桥臂逆变器的控制方法,其特征在于,通过电流传感器和电压传感器分别检测三相电机M1、三相电机M2的三相电流IA、IB、IC和IU、IV、IW和直流电源电压Vdc并将检测到的三相电流IA、IB、IC和IU、IV、IW和直流电源电压Vdc传送至中控单元,分别得到三相电机M1和三相电机M2的转子转速ω1和ω2、电机转矩Te1和Te2以及磁链幅值ψs1和ψs2。

7.根据权利要求6所述的一种双电机三桥臂逆变器的控制方法,其特征在于,设定三相电机M1的给定参考转速ω1*,通过给定参考转速ω1*与实际转子转速ω1经过计算后得到转速误差eω1;设定三相电机M2的给定参考转速ω2*,通过给定参考转速ω2*与实际转子转速ω2经过计算后得到转速误差eω2;

计算如下公式:

* *

转速误差eω1、eω2经过PI控制器得到三相电机M1和三相电机M2的参考转矩Te1 、Te2 ,如下公式:式中,K1、K2为正值比例常数,K3、K4为正值积分常数。

8.根据权利要求6所述的一种双电机三桥臂逆变器的控制方法,其特征在于,其中,设定三相电机M1的参考定子磁链幅值ψs1*,三相电机M2的参考定子磁链幅值ψs2*:式中,ψf1、ψf2为转子磁链常数;

将参考转矩Te1*和电机转矩Te1通过转矩估计单元得到的三相电机M1的转矩误差eT1,将参考转矩Te2*和电机转矩Te2通过转矩估计单元得到的三相电机M2的转矩误差eT2;

将三相电机M1的给定参考磁链幅值为ψs1*和磁链幅值ψs1经过磁链估计单元得到三相电机M1的磁链误差eψ1;将三相电机M2的给定参考磁链幅值为ψs2*和磁链幅值ψs2经过磁链估计单元得到三相电机M2的磁链误差eψ2;

将三相电机M1的转矩误差eT1和磁链误差eψ1分别输入到转矩滞环控制器和磁链滞环控制器后得到三相电机M1的转矩控制信号φ1和磁链控制信号τ1;将三相电机M2的转矩误差eT2和磁链误差eψ2分别输入到转矩滞环控制器和磁链滞环控制器后得到三相电机M2的转矩控制信号φ2和磁链控制信号τ2;计算公式如下:式中,ε为正值常数。

9.根据权利要求6所述的一种双电机三桥臂逆变器的控制方法,其特征在于,其中,电压矢量选择开关开关触发信号对应的两个电压矢量如表2、表3所示:表2开关矢量选择表1

表3开关矢量选择表2

开关触发信号电压矢量与两组九个开关触发信号S1m、S2m对应,m=1,2,3,4,5,6,7,8,9;

利用开关触发信号S1m、S2m得到三桥臂逆变器九个开关触发信号Sk,k=1,2,3,4,5,6,7,8,9,其中, 代表或逻辑,即可实现对三相电机M1和三相电机M2的控制。