欢迎来到知嘟嘟! 联系电话:13095918853 卖家免费入驻,海量在线求购! 卖家免费入驻,海量在线求购!
知嘟嘟
我要发布
联系电话:13095918853
知嘟嘟经纪人
收藏
专利号: 2018100476463
申请人: 东北电力大学
专利类型:发明专利
专利状态:已下证
专利领域: 发电、变电或配电
更新日期:2023-12-11
缴费截止日期: 暂无
价格&联系人
年费信息
委托购买

摘要:

权利要求书:

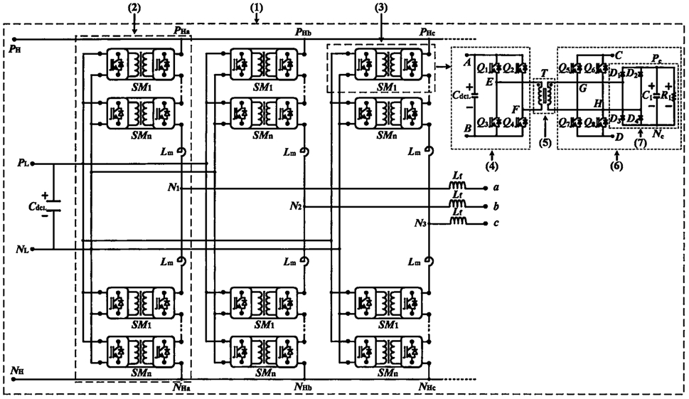
1.基于高频链技术的隔离型模块化多电平变换器,其特征在于:所述变换器(1)为三相系统结构,由单级式高频隔离型子模块(3)构成;

包括三个并联在高压直流端口(PH、NH)之间的相单元(2),每个相单元(2)由上、下两个桥臂组成,三个相单元的上、下桥臂的电联接点(N1、N2、N3)引出线串联滤波电感后为高压交流端口(a、b、c),每个桥臂由n个新型单级式高频隔离型子模块(3)和一个桥臂电抗器Lm组成;

所述单级式高频隔离型子模块(3)包括前级部分(4)、高频变压器部分(5)和后级部分(6),前级部分的交流侧连接高频变压器的原边,后级部分的交流侧连接高频变压器的副边,每个单级式高频隔离型子模块(3)的前级部分的正、负极端口分别并联作为公共低压直流端口(PL、NL),后级部分的端口串联构成高压直流侧端口(PH、NH);

三个相单元(2)上桥臂的正极端(PHa、PHb、PHc)相连作为该变换器的高压直流端口的正极PH,三个相单元(2)下桥臂的负极端(NHa、NHb、NHc)相连作为该变换器的高压直流端口的负极NH。

2.如权利要求1所述的基于高频链技术的隔离型模块化多电平变换器,其特征在于:所述单级式高频隔离型子模块的前级部分(4)包括低压侧直流电容CdcL和由四个带有反并联二极管的主动开关组成的主动H桥;后级部分(6)包括电压钳位电路(7)和由四个带有反并联二极管的主动开关组成的主动H桥。

3.如权利要求2所述的基于高频链技术的隔离型模块化多电平变换器,其特征在于:所述前级部分(4)的主动H桥包括一个第一主动开关管Q1、一个第二主动开关管Q2、一个第三主动开关管Q3和一个第四主动开关管Q4,各主动开关管的的集电极分别与各自的续流二极管的阴极相连接,发射极分别与各自的续流二极管的阳极相连接;

第一主动开关管Q1与第三主动开关管Q3串联后与所述低压侧直流电容CdcL并联,第一主动开关管Q1的发射极和第三主动开关管Q3的集电极相连并作为高频变压器原边端E,第二主动开关管Q2的发射极和第四主动开关管Q4的集电极相连并作为高频变压器原边的另一端F,第一主动开关管Q1的集电极和CdcL的正极相连,第三主动开关管Q3的发射极和CdcL的负极相连;第二主动开关管Q2与第四主动开关管Q4串联后与所述低压侧直流电容CdcL并联,第二主动开关管Q2的集电极和CdcL的正极相连,第四主动开关管Q4的发射极和CdcL的负极相连;第一主动开关管Q1与第二主动开关管Q2的集电极与CdcL的正极相连接并作为子模块前级部分的正极A,第三主动开关管Q3与第四主动开关管Q4的发射极与CdcL的负极相连接并作为子模块前级部分的负极B。

4.如权利要求2所述的基于高频链技术的隔离型模块化多电平变换器,其特征在于:所述后级部分(6)的主动H桥包括一个第五主动开关管Q5、一个第六主动开关管Q6、一个第七主动开关管Q7、一个第八主动开关管Q8,各个主动开关管的集电极分别与各自的续流二极管的阴极相连接,发射极分别与各自的续流二极管的阳极相连接;第五主动开关管Q5的发射极和第七主动开关管Q7的集电极相连并作为高频变压器副边端G,第六主动开关管Q6的发射极和第八主动开关管Q8的集电极相连并作为高频变压器副边的另一端H;第五主动开关管Q5与第六主动开关管Q6的集电极相连并作为子模块后级部分的正极C,第七主动开关管Q7与第八主动开关管Q8的发射极相连并作为子模块后级部分的负极D。

5.如权利要求2所述的基于高频链技术的隔离型模块化多电平变换器,其特征在于:所述电压钳位电路(7)包括一个第一二极管D1、一个第二二极管D2、一个第三二极管D3、一个第四二极管D4、一个第一电容C1、一个第一电阻R1,第一二极管D1与第二二极管D3串联后分别与第一电容C1、第一电阻R1并联,第二二极管D2与第四二极管D4串联后分别与第一电容C1、第一电阻R1并联,第一二极管D1、第二二极管D2的阴极与第一电容C1、第一电阻R1的正极相连,第二二极管D2、第四二极管D4的阳极与第一电容C1、第一电阻R1的负极相连,第一二极管D1的阳极与第三二极管D3的阴极、高频变压器副边端G相连接,第二二极管D2的阳极与第四二极管D4的阴极、高频变压器副边另一端H相连接。

6.如权利要求2所述的基于高频链技术的隔离型模块化多电平变换器,其特征在于:

上、下两个桥臂的调制比为交直流混合调制比du与d1,其中,du为上桥臂调制比,d1为下桥臂调制比,同时du与d1由直流公共调制比D和每相交流调制比(da、db、dc)组成,其中,da为A相交流调制比、db为B相交流调制比、dc为C相交流调制比。