欢迎来到知嘟嘟! 联系电话:13336804447 卖家免费入驻,海量在线求购! 卖家免费入驻,海量在线求购!
知嘟嘟
我要发布
联系电话:13336804447
知嘟嘟经纪人
收藏
专利号: 201711369859X
申请人: 长春理工大学
专利类型:发明专利
专利状态:已下证
专利领域: 测量;测试
更新日期:2024-02-28
缴费截止日期: 暂无
价格&联系人
年费信息
委托购买

摘要:

权利要求书:

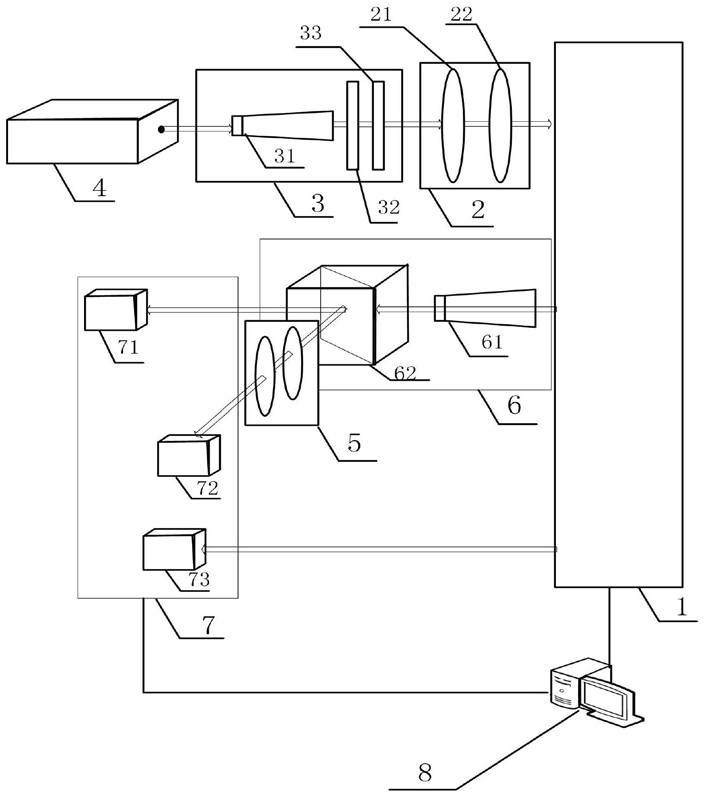
1.窄脉冲激光目标偏振反射特性测试方法,其特征在于:该测试方法采用的装置包括目标与背景测试平台(1)、起偏装置(2)、光学系统Ⅰ(3)、窄脉冲激光器(4)、检偏装置(5)、光学系统Ⅱ(6)、数据处理接收端(7)及计算机系统(8),具体实现步骤如下:

步骤一、操作人员选定目标与背景测试平台(1)与窄脉冲激光器(4)的摆放位置,所述目标与背景测试平台(1)包括测试转台及步进电机,测试转台上放置有背景标定板,通过计算机系统(8)控制步进电机驱动测试转台转动,使得测试转台根据设置的转角参数旋转到预定的水平方位和俯仰角度;

步骤二、窄脉冲激光器(4)发出窄脉冲激光,窄脉冲激光器(4)发出的窄脉冲激光依次经过光学系统Ⅰ(3)、起偏装置(2)照射至背景标定板,其中光学系统Ⅰ(3)包括沿光线的传播方向顺次布置的准直扩束系统(31)、衰减片(32)及滤光片(33),起偏装置(2)包括沿光线的传播方向顺次布置的偏振片(21)及四分之一波片(22);

步骤三、光学系统Ⅱ(6)接收载有背景标定板偏振信息的返回窄脉冲激光,光学系统Ⅱ(6)包括沿光线的传播方向顺次布置的缩束系统(61)及分光棱镜(62),该返回窄脉冲激光经缩束系统(61)后由分光棱镜(62)分成两路,一路为透射光,另一路为反射光;

步骤四、数据处理接收端(7)收集背景标定板偏振信息,并将收集到的偏振信息发送给计算机系统(8),数据处理接收端(7)包括偏振态测量仪(71)、光功率计(72)及偏振相机(73),其中偏振态测量仪(71)位于分光棱镜(62)的透射光路上,光功率计(72)位于分光棱镜(62)的反射光路上,并在光功率计(72)与分光棱镜(62)之间设置有检偏装置(5),偏振相机(73)用于接收载有背景标定板偏振信息的返回窄脉冲激光;

步骤五、计算机系统(8)接收数据处理接收端(7)向其发送的偏振信息并进行处理,得到背景标定板偏振特性信息,该背景标定板偏振特性信息存储于计算机系统(8)的数据库中;

步骤六、将步骤一到步骤五中的背景标定板替换成待测目标,重复步骤一到步骤五,通过计算机系统(8)对待测目标与背景标定板偏振特性信息进行对比,获得窄脉冲激光目标偏振反射特性。

2.根据权利要求1所述的窄脉冲激光目标偏振反射特性测试方法,其特征是:所述测试转台的下方装有滚轮。

3.根据权利要求1所述的窄脉冲激光目标偏振反射特性测试方法,其特征是:所述测试平台的方位角范围为0°~350°,测试平台的方位角每隔5°为一个测试单位,测试平台的俯仰角范围10°~170°,测试平台的俯仰角每隔5°为一个测试单位。