欢迎来到知嘟嘟! 联系电话:13336804447 卖家免费入驻,海量在线求购! 卖家免费入驻,海量在线求购!
知嘟嘟
我要发布
联系电话:13336804447
知嘟嘟经纪人
收藏
专利号: 2017112659367
申请人: 中国矿业大学
专利类型:发明专利
专利状态:已下证
专利领域: 电通信技术
更新日期:2024-01-05
缴费截止日期: 暂无
价格&联系人
年费信息
委托购买

摘要:

权利要求书:

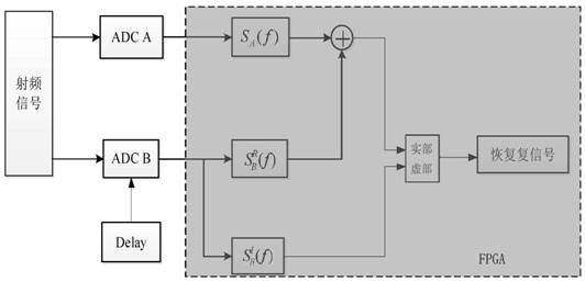
1.一种射频信号接收机抗镜像混叠方法,其特征在于,包括步骤:(1)接收任意频带位置上的射频带通信号,对射频带通信号进行二阶带通采样,在两路采样通道中引入延时差,使射频带通信号经过二阶带通采样后形成两路具有相位差的采样后信号,记为:RA(f)和RB(f);

若射频带通信号的频谱只占用一个位置索引为n的区域,则RB(f)和RA(f)满足关系:若射频带通信号的频谱分别占据两个连续频率区域,即占据n‑1和n两个频率区域,则RB(f)和RA(f)满足关系:‑(n‑1)

R+B(f)=R+A(f)×β ,f∈[0,B]‑n

R+B(f)=R+A(f)×β ,f∈[‑B,0]n

R‑B(f)=R‑A(f)×β,f∈[0,B]n‑1

R‑B(f)=R‑A(f)×β ,f∈[‑B,0]式中, TΔ表示RA(f)和RB(f)之间的时延,fs为采样频率,fs=2B,B表示射频带通信号的信号处理带宽;R+A(f)和R‑A(f)分别为RA(f)的正、负频谱;R+B(f)和R‑B(f)分别表示RB(f)的正、负频谱;

(2)若两路采样后信号没有发生镜像混叠,则对采样后信号直接进行下变频,转化为基带信号后,结束信号处理过程;若两路采样后信号出现镜像频谱混叠,则执行步骤(3);

(3)针对镜像频谱混叠设计抗混叠滤波器,包括步骤:(3‑1)设计滤波单元SA(f)和SB(f):当射频带通信号的频谱只占用一个位置索引为n的频率区域时,当射频带通信号的频谱分别占据两个连续频率区域时:式中,SB(f)为复数滤波器,SB(f)的实数部分设计为滤波器 虚数部分设计为滤波器

(3‑2)采用SA(f)对RA(f)进行滤波,采用 和 分别对RB(f)进行滤波;将RA(f)经过SA(f)滤波后的信号与RB(f)经过 滤波后的信号叠加,形成恢复信号的实部;将RB(f)经过 滤波后的信号作为恢复信号的虚部;经过实部虚部组合为复数,得到恢复信号;

(4)对步骤(3)得到的恢复信号进行下变频处理,得到处理后的基带信号,结束信号处理过程。

2.根据权利要求1所述的一种射频信号接收机抗镜像混叠方法,其特征在于,所述信号所处位置索引n定义为满足(n‑1/2)fs<|f|<(n+1/2)fs的频率区域。