欢迎来到知嘟嘟! 联系电话:13336804447 卖家免费入驻,海量在线求购! 卖家免费入驻,海量在线求购!
知嘟嘟
我要发布
联系电话:13336804447
知嘟嘟经纪人
收藏
专利号: 2017111396025
申请人: 长春理工大学
专利类型:发明专利
专利状态:已下证
专利领域: 测量;测试
更新日期:2023-12-04
缴费截止日期: 暂无
价格&联系人
年费信息
委托购买

摘要:

权利要求书:

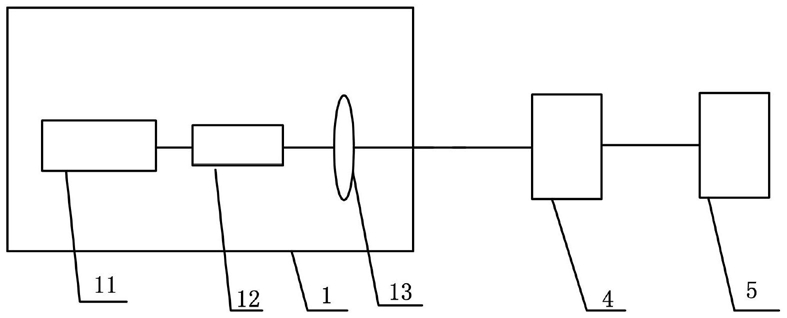
1.多层介质偏振传输特性实验测试与计算机仿真的验证方法,其特征在于,该方法采用的光学系统包括偏振光起偏系统(1)、多层介质模拟系统(2)及偏振传输特性探测系统(3),偏振光起偏系统(1)、多层介质模拟系统(2)及偏振传输特性探测系统(3)依次设置在光束的传输光路上;

所述偏振光起偏系统(1)由激光器(11)、准直系统(12)、滤光片(13)、线偏振片(14)及四分之一波片(15)组成,且以水平方向为基准轴,线偏振片(14)角度调节范围为0°~360°,四分之一波片(15)的角度调节范围为0°~360°,或将四分之一波片(15)移除;

所述多层介质模拟系统(2)包括环境模拟系统(4),环境模拟系统(4)数量为N个,N≥2,N个环境模拟系统(4)沿着光线的传播方向并列放置,相邻两个环境模拟系统(4),前一个环境模拟系统(4)的出射窗口对准后一个环境模拟系统(4)的入射窗口;

所述偏振传输特性探测系统(3)包括偏振态测量仪,用于实时探测偏振光的偏振度;

具体包括如下步骤:

步骤一、沿着光线的传播方向,激光器(11)、准直系统(12)、滤光片(13)及环境模拟系统(4)顺次布置,开启激光器(11),光束依次经过准直系统(12)、滤光片(13)及环境模拟系统(4)后射出,由光功率计(5)探测出射光束的光强值,记录未充入任何介质时出射光束的光强值Io;

步骤二、向步骤一所述的环境模拟系统(4)中充入烟雾,记录充入烟雾的时间,待停止充入烟雾后,由光功率计(5)探测经烟雾环境后出射光束的光强值,待光功率计(5)探测到的光强值稳定后,记录经烟雾环境后出射光束的光强值I;

步骤三、通过步骤一得到的未充入任何介质时出射光束的光强值Io和步骤二得到的经烟雾环境后出射光束的光强值I,获得在烟雾环境下的光学厚度τ,步骤四、排空环境模拟系统(4)中的烟雾,沿光线的传输方向将马尔文粒度仪放置在环境模拟系统(4)内部,再次向环境模拟系统(4)中充入烟雾,充入烟雾的时间与步骤二充入烟雾的时间相同,由马尔文粒度仪测量环境模拟系统(4)中充入烟雾的粒径参数;

步骤五、排空环境模拟系统(4)中的烟雾,把马尔文粒度仪移到不遮挡光线传输方向的任意位置;

步骤六、重复步骤二到步骤五,重复次数为(N-1)次,N≥2,且每次向环境模拟系统(4)充入不同种类的烟雾,同时不同于步骤二到步骤五环境模拟系统中充入的烟雾,得到(N-1)个经烟雾环境后出射光束的光强值,(N-1)个烟雾环境下的光学厚度,(N-1)个环境模拟系统(4)中充入烟雾的粒径参数;

步骤七、经过步骤一到步骤六,得到N个经烟雾环境后出射光束的光强值,N个烟雾环境下的光学厚度,N个环境模拟系统(4)中充入烟雾的粒径参数;

步骤八、在步骤一所述的滤光片(13)后放置线偏振片(14)与四分之一波片(15),对滤光片(3)出射的光束进行起偏,获得的偏振光入射到多层介质模拟系统(2),同时向多层介质模拟系统(2)中的N个环境模拟系统(4)内充入烟雾,每个环境模拟系统(4)中充入一种烟雾,第一个环境模拟系统(4)充入第一种烟雾,第一种烟雾与步骤一到步骤五所述的烟雾种类一致,且第一种烟雾的充入时间与步骤二中充入烟雾的时间相同保持一致,依次类推,第N个环境模拟系统(4)充入第N种烟雾,且第N种烟雾的充入时间与步骤六中所述的任意一种烟雾充入时间保持一致,在多层介质模拟系统(2)的出射端由偏振态测量仪进行实时记录;

步骤九、根据N个环境模拟系统(4)中烟雾的成分,查找折射率表,找到对应烟雾的折射率,将激光器(11)发射的激光波长、入射偏振光的偏振态、第一个环境模拟系统(4)中烟雾的折射率及马尔文粒度仪测得的粒径,以及第一个环境模拟系统(4)中烟雾的光学厚度值依次输入到蒙特卡洛模拟程序中,用于计算机模拟偏振光通过一层介质环境后的偏振态;

步骤十、重新运行蒙特卡洛程序,将激光器(11)发射的激光波长、偏振光通过一层介质后的偏振态、第二个环境模拟系统(4)中烟雾的折射率及马尔文粒度仪测得的粒径,以及第二个环境模拟系统(4)中烟雾的光学厚度值依次输入到蒙特卡洛模拟程序中,用于计算机模拟偏振光通过两层介质环境后的偏振态,依次类推,进行迭代,用于计算机模拟偏振光通过N层介质环境后的偏振态。

2.根据权利要求1所述的多层介质偏振传输特性实验测试与计算机仿真的验证方法,其特征在于:所述的步骤二中充入烟雾的浓度根据充入烟雾的时间进行调节,充入烟雾的浓度与充入烟雾的时间成正比。