欢迎来到知嘟嘟! 联系电话:13336804447 卖家免费入驻,海量在线求购! 卖家免费入驻,海量在线求购!
知嘟嘟
我要发布
联系电话:13336804447
知嘟嘟经纪人
收藏
专利号: 2017109052679
申请人: 中北大学
专利类型:发明专利
专利状态:已下证
专利领域: 测量;测试
更新日期:2024-01-05
缴费截止日期: 暂无
价格&联系人
年费信息
委托购买

摘要:

权利要求书:

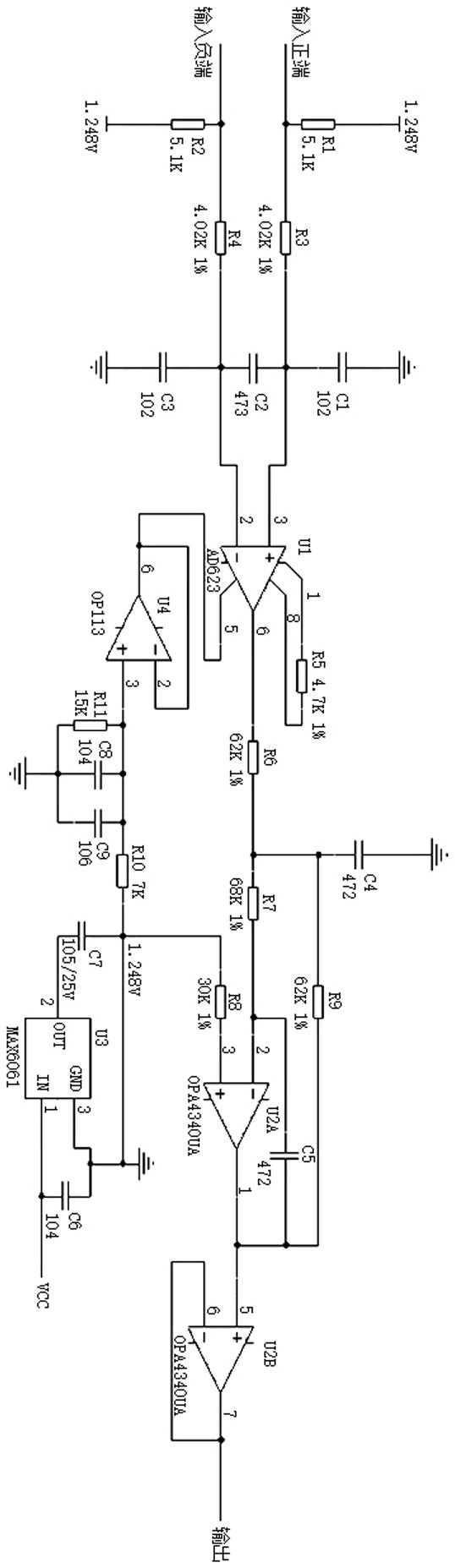
1.一种基于K型热电偶的温度测量电路,其特征在于:包括放大器芯片U1、第一运放芯片U2A、第二运放芯片U2B、第一电压转换芯片U3、第二电压转换芯片U4、第一偏置电阻R1、第二偏置电阻R2、第一高精度电阻R3、第二高精度电阻R4、第三高精度电阻R5、第四高精度电阻R6、第五高精度电阻R7、第六高精度电阻R8、第七高精度电阻R9、第一分压电阻R10、第二分压电阻R11、第一电容C1、第二电容C2、第三电容C3、第四电容C4、第五电容C5、第六电容C6、第七电容C7、第八电容C8和第九电容C9;其中,放大器芯片U1的第一管脚1连接第三高精度电阻R5,第三高精度电阻R5另一端连接放大器芯片U1的第八管脚8;第一电容C1的一端接地、另一端接第二电容C2,第二电容C2的另一端连接第三电容C3,第三电容C3的另一端接地;第一电容C1与第二电容C2相连的一端接第一高精度电阻R3,第三电容C3与第二电容C2相连的一端接第二高精度电阻R4,第一高精度电阻R3的另一端连接第一偏置电阻R1,第二高精度电阻R4的另一端连接第二偏置电阻R2,第一偏置电阻R1与第二偏置电阻R2的另一端均接偏置电压V1,第一偏置电阻R1与第一高精度电阻R3相接的部分为热电偶信号的输入正端,第二偏置电阻R2与第二高精度电阻R4相接的部分为热电偶信号的输入负端;放大器芯片U1的第三管脚3连接第一电容C1与第二电容C2的相接处,放大器芯片U1的第二管脚2连接第三电容C3与第二电容C2的相接处,放大器芯片U1的第五管脚5接基准电压V2,放大器芯片U1的第六管脚6连接第四高精度电阻R6,第四高精度电阻R6的另一端连接第四电容C4、第五高精度电阻R7与第七高精度电阻R9,第四电容C4的另一端接地;第七高精度电阻R9的另一端接第一运放芯片U2A的第一管脚1,第五高精度电阻R7的另一端接第一运放芯片U2A的第二管脚2,第六高精度电阻R8的一端接第一运放芯片U2A的第三管脚3、另一端接偏置电压V1;第五电容C5的一端接第一运放芯片U2A的第一管脚1、另一端接第一运放芯片U2A的第二管脚2;第二运放芯片U2B的第六管脚6与第七管脚7相接,第一运放芯片U2A的第一管脚1与第二运放芯片U2B的第五管脚5相接,第二运放芯片U2B的第七管脚7为信号的输出端;第六电容C6的一端接第一电压转换芯片U3的第一管脚1、另一端接第一电压转换芯片U3的第三管脚3,第七电容C7的一端接第一电压转换芯片U3的第二管脚2、另一端接第一电压转换芯片U3的第三管脚3,第一电压转换芯片U3的第一管脚1接5V电压、第三管脚3接地、第二管脚2为偏置电压V1的输出端;第二分压电阻R11、第八电容C8与第九电容C9并联,且并联的一端接第二电压转换芯片U4的第三管脚3,并联的另一端接地,第一分压电阻R10的一端接第二电压转换芯片U4的第三管脚3、另一端接偏置电压V1,第二电压转换芯片U4的第二管脚2与其第六管脚6相接,第二电压转换芯片U4的第六管脚6为基准电压V2的输出端。

2.根据权利要求1所述的一种基于K型热电偶的温度测量电路,其特征在于:所述的放大器芯片U1的型号为AD623,所述的第一运放芯片U2A及第二运放芯片U2B的型号为OPA4340UA,所述的第一电压转换芯片U3的型号为MAX6061,所述的第二电压转换芯片U4的型号为OP113。

3.根据权利要求1或2所述的一种基于K型热电偶的温度测量电路,其特征在于:所述的第一偏置电阻R1和第二偏置电阻R2取值均为5.1KΩ,所述的第一电容C1和第三电容C3取值均为1000pF,所述的第二电容C2取值为0.022uF,所述的第四高精度电阻R6、第五高精度电阻R7和第七高精度电阻R9取值均为6.2K,所述的第六高精度电阻R8取值为30K,所述的第四电容C4和第五电容C5取值均为4.7uF。