欢迎来到知嘟嘟! 联系电话:13336804447 卖家免费入驻,海量在线求购! 卖家免费入驻,海量在线求购!
知嘟嘟
我要发布
联系电话:13336804447
知嘟嘟经纪人
收藏
专利号: 2017107806722
申请人: 长春理工大学
专利类型:发明专利
专利状态:已下证
专利领域: 测量;测试
更新日期:2024-02-23
缴费截止日期: 暂无
价格&联系人
年费信息
委托购买

摘要:

权利要求书:

1.一种自注入锁定谐振式光学陀螺,其特征在于:

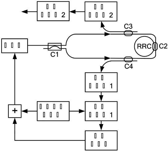
左工作光源(LD1)由光纤连接到左环行器(Cir1)的一个端口(1),左环行器(Cir1)为顺时针环行器;左环行器(Cir1)、输入耦合器(C1)、无源环形谐振腔(RRC)、输出耦合器(C2)、左分束耦合器(C3)、左环行器(Cir1)依次连接构成左工作光源(LD1)的外谐振回路,环形谐振方向为顺时针方向,其中,左环行器(Cir1)的下一个端口(2)连接输入耦合器(C1),左分束耦合器(C3)连接左环行器(Cir1)的再下一个端口(3);在左工作光源(LD1)的外谐振回路中沿谐振方向设置左隔离器(LD1);

右工作光源(LD2)由光纤连接到右环行器(Cir2)的一个端口(1),右环行器(Cir2)为逆时针环行器;右环行器(Cir2)、输入耦合器(C1)、无源环形谐振腔(RRC)、输出耦合器(C2)、右分束耦合器(C4)、右环行器(Cir2)依次连接构成右工作光源(LD2)的外谐振回路,环形谐振方向为逆时针方向,其中,右环行器(Cir2)的下一个端口(2)连接输入耦合器(C1),右分束耦合器(C4)连接右环行器(Cir2)的再下一个端口(3);在右工作光源(LD2)的外谐振回路中沿谐振方向设置右隔离器(ISO2);

左分束耦合器(C3)、右分束耦合器(C4)还分别连接到合束耦合器(C5),合束耦合器(C5)再与光电探测器(PD)光学连接,光电探测器(PD)再与差频信号检测电路(EC)电学连接。

2.根据权利要求1所述的自注入锁定谐振式光学陀螺,其特征在于,所述工作光源、环行器、隔离器、耦合器、谐振腔、光电探测器以及光纤的工作波长相同。

3.根据权利要求1所述的自注入锁定谐振式光学陀螺,其特征在于,所述左工作光源(LD1)、右工作光源(LD2)内设DFB和隔离器。

4.根据权利要求1所述的自注入锁定谐振式光学陀螺,其特征在于,所述左环行器(Cir1)、右环行器(Cir2)为三端口光纤环行器。

5.根据权利要求1所述的自注入锁定谐振式光学陀螺,其特征在于,所述无源环形谐振腔(RRC)为闭合的单模光纤环,与工作光源的带宽对应,腔长为10m。

6.根据权利要求1所述的自注入锁定谐振式光学陀螺,其特征在于,所述输入耦合器(C1)、输出耦合器(C2)均为2×2单模光纤耦合器,耦合比都为1:99,强度直通系数为0.99,强度旁通耦合系数为0.01。

7.根据权利要求1所述的自注入锁定谐振式光学陀螺,其特征在于,左分束耦合器(C3)和右分束耦合器(C4)的耦合比都为10:90,强度直通耦合系数为0.9,强度旁通耦合系数为

0.1。

8.根据权利要求1所述的自注入锁定谐振式光学陀螺,其特征在于,合束耦合器(C5)的耦合比为50:50。

9.根据权利要求1所述的自注入锁定谐振式光学陀螺,其特征在于,左隔离器(ISO1)在左工作光源(LD1)的外谐振回路中的设置位置为以下三个之一:左环行器(Cir1)与输入耦合器(C1)之间,输出耦合器(C2)与左分束耦合器(C3)之间,左分束耦合器(C3)与左环行器(Cir1)之间;与此对应,右隔离器(ISO2)在右工作光源(LD2)的外谐振回路中的设置位置为以下三个之一:右环行器(Cir2)与输入耦合器(C1)之间,输出耦合器(C2)与右分束耦合器(C4)之间,右分束耦合器(C4)与右环行器(Cir2)之间;所述左隔离器(ISO1)、右隔离器(ISO2)都为两级光纤隔离器,隔离度大于30dB。

10.一种自注入锁定谐振式光学陀螺工作方法,其特征在于:

首先,自注入锁定稳频:由左工作光源(LD1)发出的光经左环行器(Cir1)进入左工作光源(LD1)的外谐振回路,在无源环形谐振腔(RRC)中沿顺时针方向环形谐振,自输出耦合器(C2)输出,由左分束耦合器(C3)分束,直通光束返回左工作光源(LD1)的内腔,将左工作光源(LD1)的输出频率锁定在无源环形谐振腔(RRC)的顺时针谐振频率上;同时,由右工作光源(LD2)发出的光经右环行器(Cir2)进入右工作光源(LD2)的外谐振回路,在无源环形谐振腔(RRC)中沿逆时针方向环形谐振,自输出耦合器(C2)输出,由右分束耦合器(C4)分束,直通光束返回右工作光源(LD2)的内腔,将右工作光源(LD2)的输出频率锁定在无源环形谐振腔(RRC)的逆时针谐振频率上;

其次,测量旋转角速度:由左分束耦合器(C3)分束后的旁通光束、由右分束耦合器(C4)分束后的旁通光束经合束耦合器(C5)合束后由光电探测器(PD)转变为电信号,差频信号检测电路(EC)从该电信号中测得两束旁通光束之间的频率差,根据该频率差与陀螺旋转角速度的正比关系,完成旋转角速度的测量。