欢迎来到知嘟嘟! 联系电话:13336804447 卖家免费入驻,海量在线求购! 卖家免费入驻,海量在线求购!
知嘟嘟
我要发布
联系电话:13336804447
知嘟嘟经纪人
收藏
专利号: 2017103974589
申请人: 江苏方时远略科技咨询有限公司
专利类型:发明专利
专利状态:已下证
专利领域: 一般车辆
更新日期:2024-11-12
缴费截止日期: 暂无
价格&联系人
年费信息
委托购买

摘要:

权利要求书:

1.一种除甲醛防高温的自动通风控制方法,其特征在于:独立于汽车其他系统,由太阳能电池(8)提供动力,包括以下步骤:

1)温度传感器(7)探测车内温度,形成第一温度信号;

2)第一温度信号经电流分析模块(13)转换为第一电信号;

3)调节温度调节装置(9),设置目标温度,形成第二温度信号;

4)第二温度信号经温度处理模块(14)转换为第二电信号;

5)第一电信号、第二电信号均传递给PCB控制板(6);

6)PCB控制板(6)运算第一电信号与第二电信号,当第一电信号代表的温度高于第二电信号代表的温度时,PCB控制板(6)发出第一控制信号;

7)当用户未设置目标温度,且第一电信号代表的温度高于第一极限温度值时,PCB控制板(6)发出第二控制信号;

8)当甲醛浓度检测器(17)检测到的甲醛浓度高于第一极限浓度值时,PCB控制板(6)发出第三控制信号;

9)第一继电器(11)接收到第一控制信号或第二控制信号或第三控制信号时闭合,风机(10)开启;

10)风机(10)运转时,外部空气由进风口(18)进入车内,并流向车后的出风口(19),带走车内原有空气,经出风口(19)排出。

2.根据权利要求1所述的一种除甲醛防高温的自动通风控制方法,其特征在于:所述风机(10)连接变频器(12),变频器(12)由PCB控制板(6)控制,调节风机(10)转速的控制方法包括以下步骤:

1)电量监测模块(15)监测太阳能电池(8)的电量,当太阳能电池(8)的电量高于电量临界值时,电量监测模块(15)发出第三电信号;

2)PCB控制板(6)运算第一电信号与第二电信号,当第一电信号代表的温度高于第二电信号代表的温度时,PCB控制板(6)发出第一控制信号并继续运算;当第一电信号和第二电信号代表的温度差值大于第一设定值,并且PCB控制板(6)接收到第三电信号时,PCB控制板(6)发出第四控制信号;

3)第四控制信号控制变频器(12)使风机(10)高速运转,第一控制信号控制变频器(12)使风机(10)低速运转。

3.根据权利要求1所述的一种除甲醛防高温的自动通风控制方法,其特征在于:还包括报警装置,所述报警装置与PCB控制板(6)连接,报警装置的控制方法包括以下步骤:

1)震动感应器监测车内震动量,当监测值高于第二设定值时,形成第四电信号;

2)压力感应器监测座椅受压状况,当监测值高于第三设定值时,形成第五电信号;

3)当PCB控制板(6)接收到第四电信号或第五电信号,并且第一电信号代表的温度高于第二极限温度值时,PCB控制板(6)发出第五控制信号;

4)第五控制信号控制报警装置启动。

4.根据权利要求3所述的一种除甲醛防高温的自动通风控制方法,其特征在于:所述报警装置包括车内报警器和车钥匙报警音。

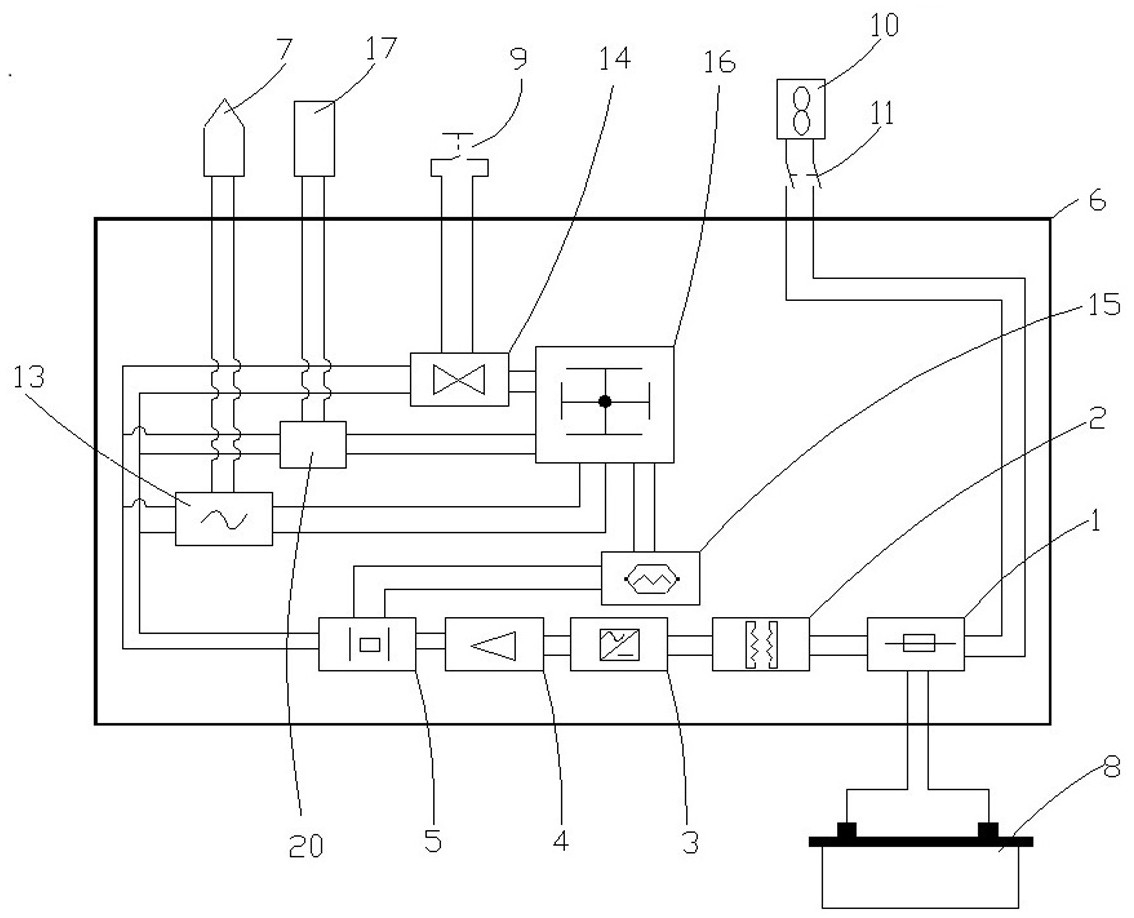
5.根据权利要求1所述的一种除甲醛防高温的自动通风控制方法,其特征在于:所述温度传感器(7)连接熔断器(1)、变压器(2)、整流器(3)、滤波器(4)、稳压器(5)、控制芯片(16)、电流分析模块(13)和太阳能电池(8),所述控制芯片(16)和电流分析模块(13)设置在PCB控制板(6)上。

6.根据权利要求1所述的一种除甲醛防高温的自动通风控制方法,其特征在于:所述温度调节装置(9)连接熔断器(1)、变压器(2)、整流器(3)、滤波器(4)、稳压器(5)、控制芯片(16)、温度处理模块(14)和太阳能电池(8),所述控制芯片(16)和温度处理模块(14)设置在PCB控制板(6)上。

7.根据权利要求1所述的一种除甲醛防高温的自动通风控制方法,其特征在于:所述风机(10)连接熔断器(1)、变压器(2)、整流器(3)、滤波器(4)、稳压器(5)、控制芯片(16)、变频器(12)和太阳能电池(8),所述控制芯片(16)设置在PCB控制板(6)上。

8.根据权利要求1所述的一种除甲醛防高温的自动通风控制方法,其特征在于:所述甲醛浓度检测器(17)连接熔断器(1)、变压器(2)、整流器(3)、滤波器(4)、稳压器(5)、控制芯片(16)、甲醛浓度处理模块(20)和太阳能电池(8),所述控制芯片(16)设置在PCB控制板(6)上。

9.根据权利要求1所述的一种除甲醛防高温的自动通风控制方法,其特征在于:电量临界值为太阳能电池(8)总电量的25%~35%。

10.根据权利要求1所述的一种除甲醛防高温的自动通风控制方法,其特征在于:所述温度调节装置(9)设置的调节范围为25~35℃。